桃花源qm花论坛(品茶),凤楼阁论坛官网入口网址,一品楼品凤楼论坛最新动态,风楼阁全国信息2024登录入口

你的位置:首页 > RF/微波 > 正文

数据中心和通信机房,需要这样的功率器件……

发布时间:2019-09-16 责任编辑:wenwei

【导读】GaN的理论优势正在主流设计中得以实现,尤其是在数据中心和通信机房电源两个应用领域,与硅器件相比较,GaN的优势更明显。采用GaN进行产品设计,厂家和用户都将能享受到系统成本和运营方面的好处。
 
我们将使用增强型高电子迁移率晶体管(HEMT)器件的设计与硅基器件设计进行比较,旨在确定品质因素(FOM)优势(如更低的Qg和Qoss,以及接近于零的Qrr)在多大程度上有助于实现效率和功率密度目标。其关键参数的比较数据见图1-3。
 
数据中心和通信机房,需要这样的功率器件……
图1:连续三代超结器件的输出电容特性曲线与增强型GaN的比较
 
数据中心和通信机房,需要这样的功率器件……
图2: 连续三代超结器件的输出电容储能趋势与GaN的比较
 
数据中心和通信机房,需要这样的功率器件……
图3:增强型GaN(左)与CoolMOS C7(右)的QOSS vs Vds关系比较
 
更紧凑、更高效的服务器电源
 
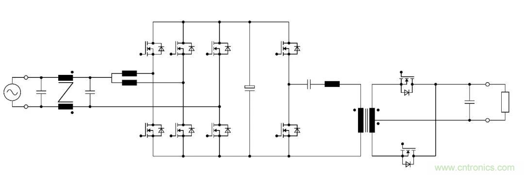
首先,我们使用GaN替代服务器电源中的Si MOSFET,并对其效果进行了评估。对数据中心进行电源管理,提高系统效率,可在不增加电路板尺寸的前提下,提高计算性能,降低设备的冷却成本。典型的高效电源(见图4和表1)采用的是图腾柱AC-DC整流器和两个交错的高频桥臂,以及LLC架构配合中心抽头变压器(12V系统)或全桥整流(48V系统)
 
数据中心和通信机房,需要这样的功率器件……
图4 服务器电源采用了一个图腾柱AC-DC整流器和两个交错的高频桥臂,以及一个带中心抽头变压器的LLC DC-DC转换器
 
数据中心和通信机房,需要这样的功率器件……
表1. 服务器电源规格
 
在无桥拓扑中使用超结器件(SuperJunction MOSFET),必须在三角波电流模式(TCM)下工作。而采用GaN开关则支持三种工作模式:TCM、连续电流模式(CCM)或最优频率调制(OFM)模式。采用GaN的设计,PFC(整流)级的效率可在功率密度为 170 W/inch3时提高0.2 – 0.3%,功率密度超过200 W/inch3时,提高达到0.4%及以上。对于DC-DC这一级,功率密度达200 W/inch3时,效率可提高0.2% - 0.4%。比如对于铂金服务器电源,采用GaN的方案与Si器件方案相比,不仅其效率平均提高了4%左右,而且在相同外形尺寸下可以支持的最大功率也从1600W增加到3kW。
 
如今,越来越多的计算架构开始使用GPU并行处理,这使得每个机架的功耗成倍增加,达到20kW及以上。这时12V电源架构的配电损失过大,因此具有更高系统效率的机架式48V电源架构越来越受欢迎。
 
我们对一个3KW的 48V整流器进行了优化。该电源使用Si MOSFET器件,峰值 效率97.1%@50%载,功率密度33W/inch3。首先,将AC-DC级改为一个带高频和低频桥臂的图腾柱整流器,高频桥臂采用GaN开关,低频桥臂采用超结MOSFET,这样效率就可达到97.5%。为进一步提高效率,还增加了第二条高频桥臂,在腾图柱上与第一个交错布置。
 
在DC-DC级,在原边采用35 m?的GaN器件做为半桥,可以进一步提升效率。得益于GaN器件较低的Qoss优势,以及相应地调整谐振频率和激磁电感,可将系统效率提高约0.3%。若将变压器改为矩阵结构,即采用串联的初级绕组和并联的次级绕组,还可将系统效率再提高0.3%。
 
总而言之,将PFC和LLC级的改进相结合,可在功率密度为30- 35 W/inch3的条件下提高峰值效率,系统效率达98.5%(图5)。
 
数据中心和通信机房,需要这样的功率器件……
图5. 图腾柱PFC级改进结果(包括EMI滤波器):采用GaN和Si基功率器件的系统效率与功率密度比较
 
无线基础设施的电源要求
 
如今我们正朝向5G无线通信转型,通信基站的配电和整体功耗对运营商建设成本(CAPEX 和OPEX)愈发重要。通信基站的负载特性和输出电压变化范围与数据中心不同,因此,尽管基站电源和数据中心电源的拓扑架构相似,但我们在做设计优化时针对的负载范围侧重点不同(基站电源30~50% vs 数据中心50~70%)。
 
与48V服务器电源一样,设计优化工作也会用到GaN(用于高压开关)与低频超结MOSFET组合,如用于图腾柱PFC的返回路径开关和LLC的次级侧。研究中针对优化而改变的其它参数包括PFC级高频桥臂的数量、LLC的级数和并联数量,变压器的串并联方式以及开关频率的改变:GaN设计的LLC振谐频率的最佳值通常在150kHz左右,而超结 MOSFET设计为100kHz。
 
结果(图6)发现,在常用的30 - 40 W/inch3 功率密度下,GaN解决方案能够实现更高的效率(约0.3%效率增加)。在此功率密度下,若在PFC级中使用GaN器件,则还能通过使用单个高频图腾柱桥臂来降低成本。
 
数据中心和通信机房,需要这样的功率器件……
图6.LLC级的改进结果:采用Si和GaN功率器件的效率与功率密度比较
 
通过上述应用研究,我们发现增强型(e-mode)GaN能够在大功率电源设计中实现更高效率和功率密度,且不会增加系统成本。通过全面考虑系统设计问题,利用宽禁带相比传统材料的参数优势,有助于降低客户的资本支出和运营成本。

本文转载自电子工程专辑。
 
 
推荐阅读:
 
产品结构EMC设计问题分析
无刷直流电机:原理、优势、应用!
什么是光耦,它有哪些特点,都应用于哪些电路?
EMI干扰源之电机原理分析
100条估计信号完整性效应的经验法则(二)
要采购开关么,点这里了解一下价格!
特别推荐
技术文章更多>>
技术白皮书下载更多>>
热门搜索

关闭

?

关闭