【导读】为保证工业总线通讯的稳定性,工程师通常都在设计时考虑防雷、防浪涌和防过电压等电路方案,今天就为大家介绍一些有效的总线防浪涌?;そ饩龇桨浮?/strong>
浪涌对电路的影响
浪涌包括浪涌电流、浪涌电压,它是指电路中瞬间出现超过正常工作电压、电流的现象。在工业通讯现场,雷电过电压、落雷引发出的诱导雷浪涌,还有电源系统(特别是带很重的感性负载)开关切换引起的浪涌,这些浪涌产生的瞬态过压和过流,会导致数据总线通讯网络瘫痪甚至使元器件发出错误的信号,会给用户带来很大的损失。
表1 几种瞬态骚扰的比较

先了解几种典型的瞬态骚扰:从表中可知,浪涌的能量最高,过电流最大,因此危害性也是最大。
浪涌的形成有两个类型:一个是共模,一个差模。雷电或大电流切换时产生的浪涌一般是共模的;差模形式的浪涌往往是由于数据电缆附近有高压线经过,数据线缆和高压线之间因绝缘不良而产生的,会在数据通信网络中较长时间内稳定存在。光耦或磁耦器件标称的耐压是共模,也就是前端到后端之间的耐压。如果超过这个耐压,前端后端都一起烧坏;元器件不会标称差模的耐压,差模耐压能力由电路的设计决定,差模电压超过电路承受范围,前端烧坏,后端不会烧坏。
目前总线浪涌防护方案有两种:采用分立元器件搭建或采用集成模块。
常规浪涌防护方案——分立方案
许多应用要求满足IEC61000-4-2静电放电4级,IEC61000-4-5浪涌抗扰4级要求。一般的收发器ESD、浪涌的防护等级均比较低,如CTM1051M隔离CAN收么器的隔离耐压为2500VDC,裸机情况下,ESD、浪涌等级均较低,所以有必要增加外围电路。
防浪涌电路通常分为:隔离法和规避法。
● 隔离法:采用光耦合器或磁耦合器,将输入和输出信号隔离分开,这类隔离法只能抑制共模形式的浪涌,不能抑制差模形式的浪涌。
● 规避法:主设备的地连在一起形成单点接地,一旦有浪涌出现就可安全转移浪涌能量,此外有必要增加一些抑制浪涌的器件,主要有Tvs管、压敏电阻、气体放电管。
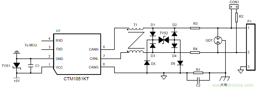
如果将隔离法和规避法相结合,就可以更好地保护系统。规避器件一方面可抑制浪涌保护隔离器件,也可以抑制总线上产生的差模形式浪涌。隔离器件抑制共模形式浪涌,?;ぶ魃璞?。两者相辅相成,能够更好地?;ぷ芟呱璞?。以CAN总线为例,下图是分立元器件形成的外围?;さ缏?。

图1 CAN总线推荐?;さ缏?/div>
其中GDT置于最前端,提供一级防护,当雷击、浪涌产生时,GDT瞬间达到低阻状态,为瞬时大电流提供泄放通道,将CAN_H、CAN_L间电压钳制在二十几伏范围内。实际取值可根据防护等级及器件成本综合考虑进行调整,R3与R4建议选用PTC,D1~D6建议选用快恢复二极管。参数表如下。
表2 参数推荐表

高效浪涌防护方案——??榉桨?/div>
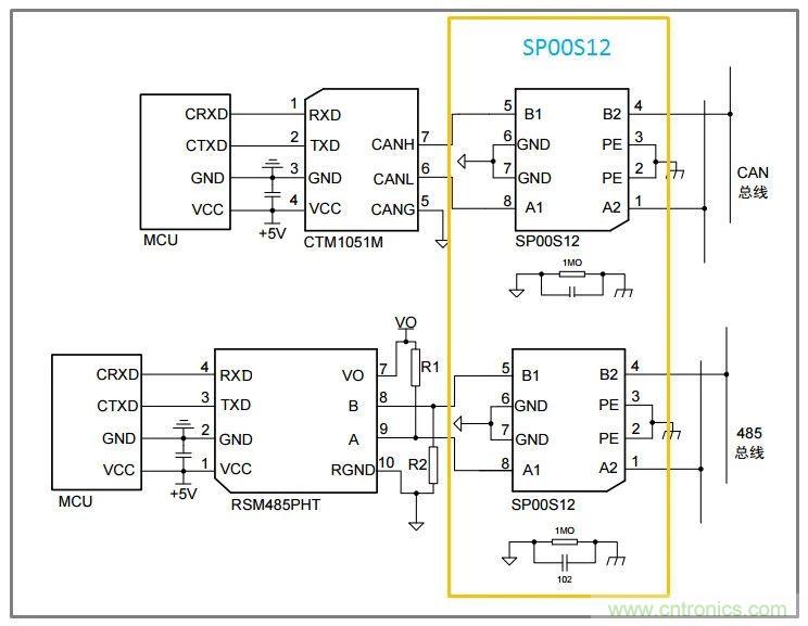
分立元器件方案虽然能够提供有效的防护,但是需要引入较多的电子器件,这也就意味着接口电路将占用更多的PCB空间,若器件参数选择不合适易造成EMC问题。有没有更简洁的防护设计呢?答案是肯定的??裳≡褚胱ㄒ档男藕爬擞恳种破鱏P00S12,可用于各种信号传输系统,抑制雷击、浪涌、过压等有害信号,对设备信号端口进行?;?。搭配ZLG的全隔离CTM或SC系列的隔离CAN收发器,如下图。可极大程度的提升产品的集成度,于此同时极大程度的缩小开发周期。

图2 ??榉桨?/div>
方案对比和浪涌抗扰度测试
前面讲到总线浪涌防护方案有两种,接下来总结一下:
● 分立元器件方案:电子器件多、搭建麻烦、复杂、占用PCB空间、易造成EMC问题;
● 模块方案:使用方便、节省PCB空间、简化电路。
接下来做一下浪涌抗扰度测试,检验一下浪涌抑制器是否满足IEC61000-4-5±4KV防护要求,以共模浪涌测试为例,在SP00S12输入端加载4KV、1.2/50μs浪涌电压,在输出端测试压降已被降低至17.1V,波形图如下。

图3 输入端电压波形4KV

图4 输出端波形电压17.1V
由此可见,在收发器与CAN总线间添加SP00S12,可使CAN信号端口轻松满足 IEC61000-4-5 ±4KV的浪涌等级要求。
采用一体化的高浪涌防护隔离CAN收发器可以完全代替隔离CAN收发器与浪涌抑制器的组合,如下图。此方案将最大限度简化电路设计、节省PCB空间、降低产品成本。它能够防护4KV浪涌、15KV静电的同时还具备极佳的EMC特性。

图5 一体化隔离方案
推荐阅读:
特别推荐
- 强强联手!贸泽电子携手ATI,为自动化产线注入核心部件
- 瞄准精准医疗,Nordic新型芯片让可穿戴医疗设备设计更自由
- 信号切换全能手:Pickering 125系列提供了从直流到射频的完整舌簧继电器解决方案
- 射频供电新突破:Flex发布两款高效DC/DC转换器,专攻微波与通信应用
- 电源架构革新:多通道PMIC并联实现大电流输出的设计秘籍
技术文章更多>>
- 2025智能戒指排名前十选购指南:从健康监测到穿戴的全面解析
- 英飞凌 HYPERRAM?存储芯片通过 AMD 验证
- GHz 频段的射频功率测量方案:BAT62-02W 二极管传感器制作
- 10nm以下DRAM,三星DRAM技术突破存储行业版图
- 瑞典Ionautics新一代HiPIMS设备HiPSTER 25落地瑞士Swiss PVD
技术白皮书下载更多>>
- 车规与基于V2X的车辆协同主动避撞技术展望
- 数字隔离助力新能源汽车安全隔离的新挑战
- 车用连接器的安全创新应用
- Melexis Actuators Business Unit
- Position / Current Sensors - Triaxis Hall
热门搜索
友情链接(QQ:317243736)
我爱方案网 ICGOO元器件商城 创芯在线检测 芯片查询 天天IC网 电子产品世界 无线通信???/a> 控制工程网 电子开发网 电子技术应用 与非网 世纪电源网 21ic电子技术资料下载 电源网 电子发烧友网 中电网 中国工业电器网 连接器 矿山设备网 工博士 智慧农业 工业路由器 天工网 乾坤芯 电子元器件采购网 亚马逊KOL 聚合物锂电池 工业自动化设备 企业查询 工业路由器 元器件商城 连接器 USB中文网 今日招标网 塑料机械网 农业机械 中国IT产经新闻网 高低温试验箱
关闭
?
关闭





