【导读】自1971年至1986年期间, 国外发射的39颗同步卫星因各种原因造成的故障共计1 589 次, 其中与空间辐射有关的故障有1 129次, 占故障总数的71%, 由此可见卫星和航天器的故障主要来源于空间辐射。

1 抗辐照分析
空间辐照环境中的带电粒子会导致星载电子设备工作异常和器件的失效, 严重影响航天器的可靠性和寿命。星载电子设备在工作期间所遇到的辐照问题主要是受到空间高能粒子(重离子和质子)的影响。
1.1 总剂量效应
总剂量效应指在电子器件的特性(电流、电压门限值、转换时间)发生重大变化前, 器件所能承受的总吸收能量级, 超过这个能量级后器件就不能正常工作(出现永久故障)。该剂量用Rad(Si)即存积在1 gSi中的能量来度量。典型轨道预计辐射量见表1。总剂量效应会引起星上电子器件的物理效应和电器效应如产生电子空穴对、影响载流子的流动、对双极型器件会降低其增益, 对CMOS器件会使其阈值电压漂移、降低转换速率等[ 1] 。
另外在对某星载雷达所用CMOS器件进行总剂量实验时发现, 总剂量效应在器件断电后会有一定的退火现象, 但如果再加大辐射剂量, 退火后的器件很快就不能工作。
表1 几种典型轨道预计辐射剂量

所以对长寿命、高可靠的星载电子设备, 必须考虑元器件的在轨期间的总剂量问题。对于总剂量效应的防护可采用如下2种方法。
(1)选择半导体工艺:选择对宇宙射线不敏感的材料, CMOS蓝宝石硅片(SOS)工艺是目前最合适的工艺, 但其成本高于其工艺。
(2)辐射屏蔽:卫星的结构框架以及电子设备的外壳的屏蔽作用可减轻辐射的影响, 一般可减少2 krad~ 3 krad。表2是屏蔽外壳等效铝厚度与累积剂量。因为屏蔽材料本身有2 次辐射, 所以它并不能有效地防护高能粒子(宇宙射线)产生的影响。
表2 等效铝厚度与累积剂量

1.2 单粒子效应
空间辐照环境使星载电子器件产生单粒子现象(SEP)。随着电子器件集成度不断提高, 器件尺寸不断减小, 星载电子设备也变得更加复杂, 电子系统更易受到瞬态干扰, 因此在星载电子系统的设计过程中不仅要考虑辐射总剂量的影响同时也要研究高能粒子引起的单粒子现象。由分析可知单粒子(包括重离子、α粒子和中子等)引起的故障主要有瞬间故障、软故障和永久损坏这3种。

瞬态故障是辐照对内部电子线路短时间的干扰,在一个时钟周期内可自行恢复, 除故障瞬间一般不会造成电路的输出错误。典型的瞬态故障是单粒子翻转(SEU)效应, SEU是由高能单粒子离子化引起的。当辐射离子通过器件时损失的能量通过线性传递给器件材料形成空穴-电子对, 进而改变电路中某一节点的电平造成了双稳态器件状态的暂时改变。有关数据显示SEU的瞬态故障率大约为永久故障率的1 000倍[ 2] , 为降低这一风险通常采取以下2种措施:
(1)对电子器件进行加固防护或选用对电离离子不敏感的器件。从实验可知单个器件对SEU的敏感性变化很大,最耐受SEU的工艺依次为CMOS/SOS、体硅CMOS、NMOS/I2L、TTL[ 3] 。
(2)采用可以允许SEU瞬态故障的方法设计硬件和软件, 即设计具有容错性的系统。
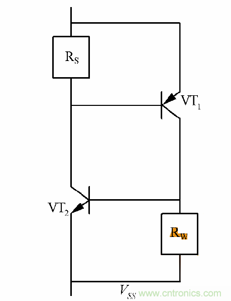
SEU属于软故障, 没有对设备器件造成实质性的损坏, 但单粒子闩锁(SEL)很可能对器件造成不能立即修复的实质性损坏, 即永久损坏。所以在电路设计中必须重视SEL的分析与防护。单粒子闩锁主要发生在CMOS器件中, CMOS器件的主要优点是功耗电流小, 正好适应航天器件的要求, 因此CMOS器件大量应用于星载电子设备中。所谓闩锁就是指CMOS器件中固有的可控硅结构被触发导通, 在电源和地之间形成低电阻大电流的现象[ 4] 。如图1所示, 以可编程门阵列(FPGA)的主要微电子器件CMOS反相器为例, 正常工作时2个寄生三极管均处于零偏, 即截止状态, 对CMOS工作无影响。但在辐照环境下高能粒子作用于电源VDD端, 形成触发电流, 若在寄生电阻RS上产生的压降达到了VT1管的正向导通压降则VT1 导通, 而集电极电流IC1则通过串联电阻RW 流入VSS, 如果在RW 上产生的压降也达到了VT2 的导通电压, VT2 也会导通, 同时由于VT2的导通又加大了流过RS的电流导致VT1 管基极电位下降, 使得VT2 集电极电流进一步增加, 从而形成了正反馈回路即发生了闩锁, 如图2所示。

图1 CMOS反相器寄生PNPN结构

图2 寄生双极晶体管等效电路
闩锁一旦发生, 维持闩锁只需要很低的电压, 断开输入信号也不能恢复正常状态, 从闩锁的形成机理来看, 防止或避免闩锁造成的损坏主要有以下措施[ 5] :
(1)使用带有?;ご胧┑牡缭茨?椤@鏘nterpoint公司生产的电源转换??镸SA2805S可把28 V的电压值转换成电路使用的5 V电压值, 该芯片在瞬时大电流的情况下能在短时间内停止电压转换, 停止对设备供电, 过后可自行恢复。

(2)使用限流?;ば酒?。MIC5201 是航天设备中经常使用的限流?;ぷ榧? 在出现正回馈时该芯片把电流限定在一定范围之内, 可以防止瞬时大电流造成的破坏。
(3)熔丝电阻的使用。不同于一般的熔丝, 当出现大电流时熔丝电阻2端的电阻变的无穷大即相当于开路, 当电路恢复正常时熔丝电阻两端电阻又恢复成原先的阻值。
总之使用CMOS电路时防闩锁的基本方法是确保输入或输出电平不会降到比VDD还低, 或升到比VSS还高。在发生闩锁的情况下最可靠的方法是立即停止对设备供电。
1.3 静电累积-放电效应
空间辐射环境使航天器充电到高电位, 并导致航天器发生故障。静电放电(ESD)是2个具有不同电位(由静电引起)物体之间的电流流动。ESD会引起半导体器件的损伤, 使器件立即失效的几率约10%(短路、开路、无功能、参数发生变化), 而90%的器件则会引入潜在损伤, 损伤后电参数仍符合规定要求但减弱了器件的抗过电应力能力, 影响了器件的可靠性。通常ESD可引起2种失效模式:
(1)突发性完全失效;
(2)潜在性失效。
突发性完全失效是一个或多个电参数突然劣化完全失去规定功能的一种失效。对结型器件损伤往往导致PN结严重漏电和电流增益显著下降;对CMOS电路由于存在寄生的可控硅效应, 静电放电可能触发闩锁, 若供电回路无限流电阻存在, 器件易被过大电流烧毁。如果静电能量较低或ESD回路中有限流电阻存在, 一次ESD脉冲不足以引起器件发射突发性失效, 但是会在器件内部造成轻微的损伤,这种损伤是积累的, 随着ESD脉冲数的增加器件的损伤阈值电压会逐渐下降, 器件的电参数逐步劣化。这类失效称为潜在性失效, 它降低了器件的抗静电能力,降低了器件的可靠性。
一个良好的电子系统设备, 应该在结构设计和电路设计的最初阶段就考虑瞬态?;の侍?。从电子设备的结构设计和电路设计角度来讲静电防护方法主要有以下5种。
(1)屏蔽机箱。利用金属机箱和屏蔽罩可以限制放电电流在机箱的外表面, 阻止静电放电电弧以及相应的电磁场, 并且?;ど璞该馐芗浣臃诺绲挠跋? 目的是将全部静电阻隔在机箱之外。
(2)搭接。搭接的目的在于为静电放电电流提供一个均匀的结构面和低阻抗通路以避免在相互连接的2金属件之间形成电位差。对于金属机箱, 若机箱2部分之间的搭接阻抗较高, 静电放电电流就会在搭接点形成较高的压降, 如果搭接电阻为0.1 Ψ, 放电电流为30 A时, 则会产生3 V的电压。如果电路利用这个机箱作为公共地, 则意味着不同电路的参考电位相差3V, 影响系统工作的稳定性。
(3)信号地机箱单点连接。如果电路与机箱连在一起, 就只应通过一点连接, 可防止放电电流流过电路。否则机箱上的电流会流进电路, 造成干扰。信号地与机箱连接起来的另一个目的是当机箱上发生静电放电时, 机箱的电位升高, 由于线路板与机箱连接在一起, 保证电路板的电位也同时升高, 从而防止了线路板与机箱之间的二次放电。
(4)电缆设计。良好的电缆?;ど杓瓶梢蕴岣呦低晨笶SD干扰的能力, 为减小辐射EMI耦合到电缆,应尽量缩短线长且尽量采用屏蔽电缆。若2个机箱需要电缆互联时, 电缆的屏蔽层要和2个机箱相连, 这样可以使两个机箱等电位, 防止产生电位差。
(5)PCB设计。印制电路板对静电放电电流产生的磁场非常敏感, 所以印制电路板上所有回路的面积都应尽可能小, 可以通过使用多层板及地线网格减小回路面积。其次电路板上的布线也是抗瞬态冲击的重要方面。走线上的寄生电感对于瞬态冲击会产生电压尖峰, 量级可能会超过芯片引脚的极限值。因此, 设计时, 须努力减小被?;ば藕畔呒靶藕呕芈飞系募纳绺?。布线时尽量缩短引线长度、加大线宽等。
关于静电放电对于CMOS电路的危害, 由于主要是引起闩锁效应, 所以其电路的静电防护设计可参考上文中关于闩锁的防护措施。
2 航天电子器件的选用
按照国际通用的分类方法, 电子元器件等级一般可分为宇航级或883B级、军级、工业级、商业级[ 6] 。空间电子产品设计时对元器件的选用有2种途径:
(1)采用抗辐射加固器件。优先选择有抗辐射加固、可靠性高、抗辐射能力强的宇航级器件或采用抗辐射加固后的883B级器件。目前国外FPGA厂商已经可以生产大容量的抗辐照FPGA。如Xilinx公司的QPro-R航天抗辐照系列FPGA, 最大容量达600万门;
Actel公司的RTAX4000 系列航天抗辐照FPGA最大容量达400万门。这些大容量抗辐照FPGA的推出推动了星载电子设备小型化的发展。

(2)采用商用器件。在没有可供选择的宇航级或883B级器件情况下, 或为了满足系统的高性能要求, 可以有控制地使用商用器件。
对商业级器件一般可做如下加固处理:
(1)利用卫星蒙皮、设备机箱、加局部屏蔽的方法提高器件的抗辐射水平。
(2)在设计时采用多机容错、电路冗余设计、冷热备份来提高整机抗辐射水平。
(3)多机容错、电路冗余设计、轮换工作、冷热备份等提高整机抗辐射水平。
(4)商用器件必须经过筛选测试:采取特定的针对商用器件的筛选测试, 剔除具有早期失效危险和固有缺陷的器件, 提高器件的可靠性。
高性能商用器件的空间应用在国际上已经成为一种发展趋势, 近些年来, 国内也逐步开始了商用器件空间应用的探索。中国科学院空间科学与应用研究中心近年来在载人航天工程和双星计划等航天任务中曾采用了几种商用器件, 并取得了在轨飞行的成功经验。
2003年12月31日和2004年7月25日发射的双星探测一号卫星和探测二号卫星中, 有效载荷数据管理系统载荷配电器采用了商用塑封器件高端电流检测芯MAX471EPA, 均获得在轨运行的圆满成功。
3 结束语
抗辐照分析对于星载电子设备的设计至关重要,必须根据设备所处的具体空间辐射环境, 提出系统总体抗辐射加固要求, 并分配给单机、器件, 进行系统级加固设计;然后进行单机抗辐射设计, 并根据抗辐射设计要求设计具有抗辐射性能的电路;最后按照需要选择元器件。空间辐照环境是变化、复杂的, 需进一步掌握空间环境对电子设备的影响, 使其适应空间环境, 长期、可靠的工作。

推荐阅读:





