桃花源qm花论坛(品茶),凤楼阁论坛官网入口网址,一品楼品凤楼论坛最新动态,风楼阁全国信息2024登录入口

你的位置:首页 > 电源管理 > 正文

42 V、6 A(峰值7 A)、超低EMI辐射、高效率降压型稳压器

发布时间:2018-11-05 责任编辑:wenwei

【导读】LT8640S/LT8643S是42 V、6 A连续电流/7 A峰值电流单片式降压型稳压器,采用第二代Silent Switcher® 2架构。Silent Switcher稳压器通过将高频环路一分为二来抑制EMI辐射,分离环路产生的磁场相互抵消。单片式降压型稳压器LT8640S和LT8643S集紧凑布局、高效率和超低EMI于一体,非常适合汽车环境应用。
 
易于布局、超低EMI、高效率的Silent Switcher 2
 
LT8640S/LT8643S是42 V、6 A连续电流/7 A峰值电流单片式降压型稳压器,采用第二代Silent Switcher® 2架构。Silent Switcher稳压器通过将高频环路一分为二来抑制EMI辐射,分离环路产生的磁场相互抵消。第二代Silent Switcher 2在封装内集成了旁路陶瓷电容。这些电容位于快速交流环路(VIN、BST和INTVCC)内,因此需要精密且可重复的PCB布局才能确保EMI性能。集成这些电容大大简化了PCB布局和制造要求。即使是低成本的双层电路板,现在也能具有出色的EMI性能。
 
在汽车应用中,设计人员偏向于使用2 MHz或更高开关频率的电源,以避开AM频段并使解决方案尺寸最小化。遗憾的是,高开关频率通常意味着更低的效率和更高的功耗,迫使设计人员要在小尺寸和低EMI性能与效率之间进行权衡。LT8640S和LT8643S消除了这种权衡:得益于可控且快速的开关边沿,即使在高开关频率下,它们仍能以高效率和低功耗运行。
 
图1显示了一个超低EMI且高效率的LT8640S 12 V至5 V/6 A设计。内部稳压器由5 V输出通过BIAS引脚供电,以降低功耗。该设计的开关频率设置为2 MHz。使能展频模式(SYNC/MODE = INTVCC),使得开关频率在3 kHz三角调制下可以从2 MHz变化到2.4 MHz。
 
42 V、6 A(峰值7 A)、超低EMI辐射、高效率降压型稳压器
图1.展频模式的超低EMI LT8640S 5 V/6 A降压转换器
 
42 V、6 A(峰值7 A)、超低EMI辐射、高效率降压型稳压器
图2.采用图1所示设计,2层和4层板的CISPR 25 EMI辐射比较
 
图2比较了采用图1所示设计的2层和4层板的EMI辐射。两块电路板均符合严苛的汽车级CISPR 25 Class 5辐射EMI要求,仅需在输入侧使用铁氧体磁珠。图3显示了效率。在高达2 MHz的开关频率下,LT8640S 12 V输入的峰值效率达到95%,24 V输入的峰值效率达到92%。
 
多个LT8643S器件可以并联,以支持7 A(峰值)以上的输出电流。LT8643S利用电流模式控制和外部补偿实现平衡均流——这在并联配置中非常重要。将所有误差放大器的输出VC引脚连接在一起,便可自然地实现均流。无需额外的时钟器件,CLKOUT和SYNC/MODE引脚即可实现频率同步。
 
 
42 V、6 A(峰值7 A)、超低EMI辐射、高效率降压型稳压器
图3.采用图1所示设计的LT8640S 5 V/6 A输出效率(fSW = 2 MHz)
 
图4显示了9 V输出的LT8640S设计。图5显示了5 A负载时的热结果。在45 W输出功率和1 MHz开关频率下,由于采用了增强散热技术,LT8640S 4 mm×4 mm LQFN封装的温升低于50°C。
 
42 V、6 A(峰值7 A)、超低EMI辐射、高效率降压型稳压器
图4设计(fSW = 1 MHz,TA = 25°C)
 
42 V、6 A(峰值7 A)、超低EMI辐射、高效率降压型稳压器
图5.LT8640S 24 V至9 V/5 A热图像,采用图4设计(fSW = 1 MHz,TA = 25°C)
 
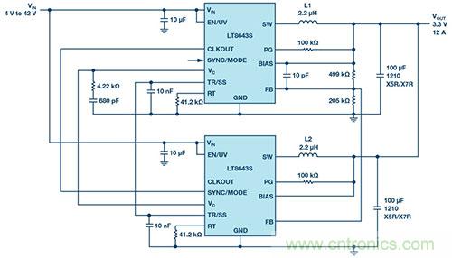
图6显示了12 V至3.3 V/12 A LT8643S并联设计的简洁性。上方LT8643S通过让SYNC/MODE引脚浮空而设置为强制连续模式,其CLKOUT信号驱动下方LT8643S SYNC/MODE引脚以实现同步。图7显示了该设计的效率,而图8显示了8 A阶跃瞬态响应。
 
42 V、6 A(峰值7 A)、超低EMI辐射、高效率降压型稳压器
图6.使用两个LT8643S器件的并联3.3 V/12 A降压转换器
 
42 V、6 A(峰值7 A)、超低EMI辐射、高效率降压型稳压器
图7.LT8643S 12 V至3.3 V、8 A阶跃负载瞬态响应,采用图6所示并联设计(fSW = 1 MHz)
 
42 V、6 A(峰值7 A)、超低EMI辐射、高效率降压型稳压器
图8.LT8643S 12 V至3.3 V/12 A效率,采用图6所示并联设计(fSW = 1 MHz)
 
结论
 
LT8640S和LT8643S是6 A(峰值7 A)、超低EMI单片同步开关稳压器,采用小型4 mm×4 mm LQFN封装。已获专利的Silent Switcher 2架构可确保EMI辐射极低。集成环路电容消除了PCB布局敏感性,有助于节省设计工作量和解决方案成本。同步设计和快速开关边沿可提高重载时的效率,而低静态电流对轻载效率有利。3.4 V至42 V的宽输入范围和低压差使LT8640S和LT8643S能够满足汽车冷启动或负载切断情况下的要求。
 
 
推荐阅读:
 
TI与亚马逊网络服务合作为智能自动化创建端到端云连接
MathWorks 增加对 NVIDIA GPU Cloud (NGC) 和 DGX 系统的支持
加速人工智能创新,赛灵思布展中国国际进口博览会
物联网战略合作高峰论坛圆满落幕,世平集团携手Intel共创基于人工智能的物联网生态体系
智能传感器的优势和应用场景
要采购开关么,点这里了解一下价格!
特别推荐
技术文章更多>>
技术白皮书下载更多>>
热门搜索

关闭

?

关闭