桃花源qm花论坛(品茶),凤楼阁论坛官网入口网址,一品楼品凤楼论坛最新动态,风楼阁全国信息2024登录入口

充电桩中剩余电流?;て鞯难∮?/h2>

发布时间:2018-07-06 责任编辑:wenwei

【导读】剩余电流?;て髯魑恢致┑绫;て?,被广泛应用于低压配电系统中,用于防止电击事故、电气设备漏电损坏和电气火灾。同样在电动汽车充电领域,RCD也作为一种基本电气?;ぷ爸帽还惴河τ?。
 
随着近两年来的新能源汽车数量的爆发式增长, 其配套设施充电桩的建设规模也随之扩大。 2010 年—2017 年七年间,我国充电桩数量已经从千余个增长至 21 万个。
 
新能源汽车市场的增长离不开基础充电设施的建设,如何保证充电过程中的用电安全,尤其是防止泄漏电流对生命财产造成危害,是值得关注的问题。
 
电动汽车充电一共有四种模式,在GB/T 18487.1-2015《电动汽车传导充电系统 第1部分:通用要求》中有明确说明。
 
模式一使用充电连接电缆将电动汽车与交流电网相连,剩余电流保护主要依靠建筑配电箱中的剩余电流?;ぷ爸茫≧CD),由于不能保证所有现存建筑物装置都配有RCD,所以这种方式十分危险,已经被禁止使用;模式二在充电连接电缆上安装了缆上控制保护装置(IC-CPD),IC-CPD内部具有剩余电流检测?;すδ?;模式三使用专用供电设备,将电动汽车与交流电网直接连接,并且在专用供电设备上安装了控制导引装置,专用供电设备即交流充电桩;模式四将电动汽车连接交流电网或直流电网时,使用了带控制导引功能的直流供电设备,即直流充电桩。在这里,我们主要讨论模式三、模式四充电桩内的剩余电流保护器的选用。
 
在GB/T 18487.1-2015中要求,交流供电设备的剩余电流?;て饕瞬捎肁型或B型,符合GB 14084.2-2008,GB 16916.1-2014和GB 22794-2008的相关要求。如图1所示为充电模式3控制导引电路原理图,在供电设备内部安装了剩余电流?;て鳌?/div>
 
充电桩中剩余电流?;て鞯难∮? width=
图 1充电模式3控制导引电路原理图
 
什么是A型或者B型剩余电流?;て鳎课夜氖S嗟缌鞅;ぷ爸茫≧CD)指导性标准GB/Z 6829-2008(IEC/TR 60755:2008,MOD)《剩余电流动作?;て鞯囊话阋蟆反硬返幕窘峁埂⑹S嗟缌骼嘈?、脱扣方式等方面作了划分。
 
根据剩余电流类型可将RCD分为AC型、A型、B型。AC型剩余电流保护器:对突然施加或缓慢上升的剩余正弦交流电流确保脱扣的RCD。A型剩余电流?;て鳎喊珹C型的特性并对脉动直流剩余电流、脉动直流剩余电流叠加6mA平滑剩余电流确保脱扣的RCD。
 
B型剩余电流?;て鳎喊珹型的保护特性,此外,还能对1000Hz及以下的正弦交流剩余电流、交流剩余电流叠加平滑直流剩余电流、脉动直流剩余电流叠加平滑剩余电流、两相或多相整流电路产生的脉动直流剩余电流、平滑直流剩余电流确保脱扣的RCD。
 
 
充电桩中剩余电流?;て鞯难∮? width=
图2 交流充电桩内部结构
 
目前,由于B型RCD价格过于昂贵,国内大部分的交流充电桩内部安装的都是A型剩余电流?;て鳌O峦妓疚涣鞒涞缱诓拷峁雇?,使用了A型剩余电流?;ぷ爸?。
 
那么A型的剩余电流保护器能满足充电桩的漏电?;ひ舐穑课颐抢捶治鲆幌鲁涞绻讨锌赡懿氖S嗟缌骼嘈?。
 
充电桩中剩余电流保护器的选用
图3电动汽车充电设施与电网及电动车间连接示意图
 
如图3所示,在使用交流充电桩充电过程中,交流充电桩和车辆耦合器与公共电网相连,桩内如果由于绝缘破坏,可能产生工频交流漏电流。
 
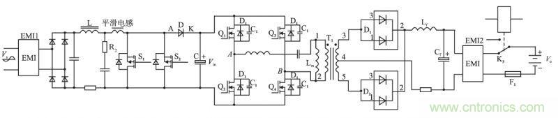
在电动汽车部分,可能产生的漏电流主要来自于车载充电机漏电,充电机一般拓扑主要为AC/DC和DC/DC两部分。如下图所示为一种常见车载充电机的主电路图。
 
充电桩中剩余电流?;て鞯难∮? width=
图4 一种车载充电机主电路原理图
 
AC/DC部分单相输入交流电首先经过EMI滤波,然后在Boost型APFC电路作用下将85~265V的交流电整流成稳定输出的直流400V电压,并为后级提供直流输入。
 
DC/DC部分采用移相全桥LLC主电路将直流电压400V转化成蓄电池可接受的电压。当电路板与设备外壳之间绝缘损坏时,在整流部分可能产生脉动直流剩余电流,在Boost型APFC电路中可能会产生纹波系数很小的直流剩余电流。这里借用Bender的图来详细说明直流剩余电流的产生及危害。
 
充电桩中剩余电流保护器的选用
图5 隔离式充电机直流漏电的产生
 
可以看到,在DC/DC部分推挽全桥变换器当中可能发生直流漏电,我国低压配电系统一般采用TN形式供电,设备金属外壳与工作零线相接,直流漏电会通过车身和PE线反馈到充电线路上,对整个系统电流波形造成影响。通过对等效电路的仿真,发现整个系统的电流波形会改变,如下图所示。
 
充电桩中剩余电流?;て鞯难∮? width=
图6 充电机直流故障系统电流波形
 
可以看到在后端发生直流漏电之后,也会影响到前级电路,整流过后的脉动直流波形发生畸变,产生尖刺,逐级对后端电路产生干扰,影响到充电效果,甚至影响蓄电池寿命...
 
 
推荐阅读:
 
自动驾驶常用传感器概要介绍
PLC与传感器连接方案选型参考
电子信号抗干扰之滤波技术
用于实现更快RF设计的构建??椴呗?/a>
耿氏二极管波导振荡器
要采购电缆么,点这里了解一下价格!

关闭

?

关闭