桃花源qm花论坛(品茶),凤楼阁论坛官网入口网址,一品楼品凤楼论坛最新动态,风楼阁全国信息2024登录入口

如何防止系统受损?从电源排序入手

发布时间:2018-05-24 责任编辑:wenwei

【导读】诸如电信设备、存储模块、光学系统、网络设备、服务器和基站等许多复杂系统都采用了 FPGA 和其他需要多个电压轨的数字 IC,这些电压轨必须以一个特定的顺序进行启动和?;僮?,否则 IC 就会遭到损坏。
 
LTC2924 是一款简单且紧凑的电源排序解决方案,采用16引脚SSOP 封装(见图1和图2)。
 
如何防止系统受损?从电源排序入手
图1: 采用外部 N 沟道 MOSFET 的典型应用
 
如何防止系统受损?从电源排序入手
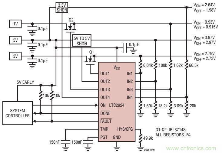
图2: 采用停机引脚的 4 个电源排序器
 
工作原理
 
采用单个 LTC2924 便可轻松完成 4 个电源的排序任务,而且,同样可以很容易地把多个 LTC2924 级联起来,用于对数目不限的电源进行排序。在允许功能度略有下降的情况下,利用单个 LTC2924 就能够对 6 个电源进行排序。
 
LTC2924 通过输出引脚(OUT1 至 OUT4)来控制 4 个电源的启动和?;承蛞约靶逼滤俾?。每个 OUT 引脚采用了一个与内部充电泵相连的 10μA 电流源和一个与 GND 相连的低电阻开关。这种组合使得这些输出拥有足够的灵活性,以将其直接与多个电源?;呕蛲獠?N 沟道MOSFET,开关相连。
LTC2924 通过 4 个输入引脚(IN1 至 IN4)来监视每个被排序电源的输出电压。这些输入采用精准比较器和一个经过修整的带隙电压基准来提供优于 1% 的准确度。4 个通道的上电和断电电压门限均采用阻性分压器来设定。每个通道的上电门限和断电门限可单独地进行选择。
LTC2924 的定时器引脚(TMR)被用来在一个电源的启动操作完成到下一个电源的启动之间提供一个任选延迟。延迟时间通过在 TMR 引脚和地之间布设一个电容器来选择(延迟=200ms/μF),而把 TMR 引脚浮置将去除任何延迟。启动延迟与?;映倏梢圆煌?。图 3 示出了一种停机延迟为启动延迟一半的简单电路。
 
如何防止系统受损?从电源排序入手
图3: 设置不同的 ON/OFF 延迟
 
LTC2924 还包括一个电源良好定时器(PGT)。每当一个电源被使能时,LTC2924 将起动 PGT。如果任一个电源未能在分配的时间间隔之内达到其规定的标称电压,则检测到一个上电故障。
 
结论
 
LTC2924 适合众多的电源排序和监视应用。由于所需的外部元件极少并采用了 16 引脚窄式 SSOP 封装,因此,基于 LTC2924 的电源排序解决方案占用的板级空间极小。
 
电源使能引脚无需设计师进行配置,但仍然具有足够的通用性,能够直接驱动停机引脚或外部 N 沟道 MOSFET??杉虻サ赝ü錾枰桓龅缛萜骼词迪值缭吹娜砥鸲H绻枰?4 个以上的电源进行排序,则可把多个 LTC2924 级联起来,以对几乎无限数量的电源进行排序。使 LTC2924 适合特定的应用无需借助软件,而且,可在系统集成期间简单地通过改变电阻值和电容值来对设计进行精调。由于设计简单易行、元件成本低廉且占板面积小,因而使得 LTC2924 成为电源排序和监视用途的绝佳选择
 
 
推荐阅读:
 
麦肯锡报告:2030汽车行业革命与远景
深度报告|手术机器人的临床、市场及技术发展调研
探秘电子皮肤——触觉传感器
是什么限制了电源小型化?
解剖iPhone X 3D感测元件,DPC陶瓷基板前途无限
要采购电容器么,点这里了解一下价格!
特别推荐
技术文章更多>>
技术白皮书下载更多>>
热门搜索

关闭

?

关闭