【导读】随着越来越多的房主希望改造智能锁(或电子锁)出现在他们的建筑物中,无线电池供电的智能锁在今天的市场里越来越受欢迎。在智能锁定应用中,大电流电机和无线电通常很快耗尽电池,导致电池寿命受到影响。而更换多个电池可能是一个及时而昂贵的问题,因此降低平均电流消耗是一个关键的设计考虑因素
大联大控股宣布,其旗下世平推出基于德州仪器(TI)产品的超低功耗智能门锁解决方案。
随着越来越多的房主希望改造智能锁(或电子锁)出现在他们的建筑物中,无线电池供电的智能锁在今天的市场里越来越受欢迎。在智能锁定应用中,大电流电机和无线电通常很快耗尽电池,导致电池寿命受到影响。而更换多个电池可能是一个及时而昂贵的问题,因此降低平均电流消耗是一个关键的设计考虑因素。
大联大世平代理的TI产品的智能门锁解决方案由超低功耗无线MCU、电机驱动器DRV8833和9通道LED驱动器LP55231,以及超低IQ降压转换器TPS62745等组成。该方案由TI启用轻负载效率的DC/DC转换器,SimpleLink™超低功率无线MCU平台集成电机驱动器和RGB LED驱动器。其可凭借一个轻载高效的电源拓扑结构,再根据低待机电流和长时间的关断状态来延长电池寿命。这个解决方案为系统设计人员提供了一个实现低功耗智能门锁设计,可用于电子锁、门键盘、阅读器、无线自动百叶窗和HVAC阻尼器、执行器等。它选择电池供电,主要的考虑是电池平台的容量和普及,且AA电池比AAA电池有更大的容量。

图示1-大联大世平代理的TI产品的低功耗智能门锁解决方案系统方块图
产品特性:
•4节AA串联电池,具有5年以上的电池寿命;
•每天24次上锁或解锁活动;
•BLE无线电连接周期;
•电机驱动器具有集成型FET和电流感应比较器,可采用最少的分立式组件实现轻松的设计和较小的解决方案尺寸;
•基于电压的电池电量监测计,集成型直流/直流转换器;
•采用第三方BLE iOS和Android应用通过BLE测试;
•最多4秒的可配置广告间隔。
产品叙述:
电源技术:大联大世平代理的TI产品的智能门锁解决方案有三种主要的功率拓扑:低压差(LDO)稳压器,降压转换器(也称为降压)和升压(见下图)。LDO和降压降低电压产生的低电压电源轨来运行MCU,更高的电压组件运行在更高的电池上电压。增强是事件相关的,因为每个锁定和解锁事件都必须提高电压从3V到5V,用于电机和LED的操作。选择降压配置是因为LDO具有接地漏电流,而降压具有零接地漏电流,因此效率更高。选择TPS62745降压转换器是因为它为低功耗提供了额外的好处设计。该TPS设备具有允许用户选择输出电压的选择线,因此无需反馈电阻。由于没有,物料清单的成本可以稍微降低反馈电阻。TPS62745可以动态地启用或禁用电池电压检查使用一个使能引脚和外部电阻分压器。由于电压,能量是守恒的分频器只有在需要电池电压检查时才能使用。其余的时间分配器电路不使用能量,没有连接。TPS62745在极轻的负载下也是有效的,它是在10μA时效率达到85%。

图示2-大联大世平代理的TI产品的智能门锁解决方案三种主要的功率拓扑
MCU带集成蓝牙®低功耗无线电:采用TI的SimpleLink超低功耗无线MCU平台,具有低功耗无线电和MCU组合使传感器终端节点的电池使用寿命延长。而且,CC2650设备是一个多标准设备,针对蓝牙、ZigBee®、6LoWPAN和ZigBeeRF4CE??仄饔τ?。在这个TI设计中,蓝牙是可选择的协议,但是硬件也可以与其他协议一起工作。
电机驱动器:驱动电流、电源电压范围、负载电机类型和安全关闭功能都是选择电机驱动器时的因素。DRV8833可以驱动多种类型的电机和感性负载,峰值电流为2A,电源电压范围为2.7V至10.8V,非常适合使用四节AA电池。标称驱动电压电池的电压是5V。
用户界面:电路板上的用户界面必须简单、低功耗,精确到足以显示所有必要的信息知道设备在做什么。六个RGB LED以圆形排列被选择为允许不同的图案和颜色来向用户传达正在发生的事情。该LP55231是一个9通道LED驱动器,其中两个通道可以实现前面讨论过的6 RGB LED的实现。其还包括高效LED驱动器和一个电荷泵(高达94%),200nA待机电流,自动省电模式,可编程LED模式以及小型封装尺寸(4mm×4mm)。由于这个参考设计实现了两个LED驱动器,选择LP55231是因为它允许简单的同步触发输入。
产品功能:
CC2640:带有超低功耗无线MCU(32位)的2.4GHz低功耗蓝牙ARM®Cortex®-M3处理器。

图示3-大联大世平代理的TI CC2640解决方案
DRV8833:具有电机电流控制和低RDSon 360的双H桥电机驱动器毫欧。

图示4-大联大世平代理的TI DRV8833方框图
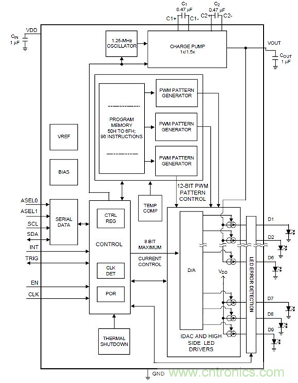
LP55231:九通道LED驱动器,旨在为移动设备提供照明效果设备。
图示5-大联大世平代理的TI LP55231方框图
TPS62745:超低IQ降压转换器,具有16个可选输出电压(1.8V至5.5V)负载电流≥15μA时为3.3V,效率为90%。
图示6-大联大世平代理的TI TPS62745方框图

图示7-大联大世平代理TI低功耗智能门锁参考设计
应用:
•门键盘和阅读器;
•电子智能锁;
•HVAC阀门和制动器控制;
•烟雾和温度探测器;
•电动百叶窗。




