【导读】安森美高性能的次级同步整流驱动控制器NCP4305,能有效地控制和驱动用作次级端整流的MOSFET,用于要求高能效的开关电源(SMPS)设计中如笔记本电脑适配器、USB无线适配器、液晶电视和伺服器电源、高电平脉冲电源适配器等高功率密度AC-DC电源。
同步整流的意义
同步整流旨在通过用低导通电阻的MOSFET代替常规的肖特基二极管进行整流来减小损耗,提升能效。以5 V应用为例,使用肖特基二极管整流将产生0.3 V的导通压降,而同步MOSFET的导通压降低于0.1 V,从而实现更高能效。
NCP4305突破目前同步整流控制器的局限
当前市场上的同步整流控制器存在很多局限性:
功能单一,应用场合有限:只适用于某一拓扑而不涵盖大多数拓扑,如只适用于反激(Flyback) 或LLC而不适用于正激(Forward);只适用于某一工作模式而不涵盖大多数模式,如只适用于非连续导通模式(DCM)、准谐振(QR),而不适用于连续导通模式(CCM);
由于延迟导通和提前关断整流管的时间过长,且导通和关断门限无法编辑,因而无法最大限度提升能效。
安森美半导体的NCP4305突破上述局限,适用于Flyback、LLC、Forward等大多数主流拓扑,以及QR、DCM、CCM等多种工作模式,提供强大的8 A/4 A汲极/源极驱动能力,更短的导通延迟和提前关断,而且导通和关断门限可调,有效提升系统能效。
NCP4305基本特性简介
NCP4305是NCP4303/4的升级版,支持高达1 MHz的工作频率,提供大电流门驱动器及高速逻辑电路,用于为同步整流MOSFET提供时序恰当的驱动信号。由于其新颖的架构,能在任何工作模式下使同步整流系统保持高能效。工作电压高达36 V,外部可调节的最小导通和关断时间帮助解决由印制电路板 (PCB) 布线及其它寄生元件导致的谐振问题,从而提供可靠及无噪声的工作。典型值12 ns的极短关断延迟时间使同步整流MOSFET导电时间延至最长,从而提升SMPS能效。零电流检测(ZCD) 引脚耐压能力高达200 V,允许在Flyback应用中将CS输入直接连至MOSFET漏极。该器件使用开尔文连接法以实现满载时的高能效,采用轻载检测架构以降低轻载时的功耗。NCP4305的其它特性还包括:门极驱动自适应、精密的真正次级 ZCD、超低瞬态电流(50uA) 、低启动电流和低待机电流等等。该器件的显著优势是能工作于深度CCM状态中,且极大地改善轻载能效。
NCP4305可采用SOIC-8、DFN8和WDFN8三种封装。MIN_TOFF 和MIN_TON引脚通过连接电阻到地,调节最小关断和最小导通时间。LLD引脚用于在轻载时调节驱动器钳位电平,或关断驱动器。DRV引脚是同步整流MOSFET的驱动器输出。CS(电流采样检测)引脚用于检测电流是否流过同步整流MOSFET。TRIG/DIS引脚提供超快关断输入,用作在CCM应用中关断同步整流MOSFET以提升能效,当上拉超过100 us时激活禁用模式。

图1. NCP4305引脚配置图(上)和内部电路架构(下)
安森美半导体提供A、B、C、Q四个版本的NCP4305,其中A、C版本可用于氮化镓(GaN)的驱动,Q版本具有设置最大导通时间的功能。
NCP4305工作原理详解
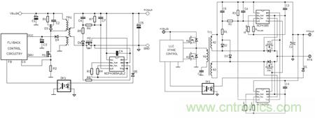
图2为NCP4305的典型应用原理图。在LLC应用中,由于次级端有两个MOSFET,且工作时序不同,所以需要两个NCP4305分别控制。NCP4305主要用于次级端回路(即负端),但也可置于次级输出的正端。当置于正端时,必须额外添加辅助线圈为SR控制器提供电源,并添加一些元件到LLD电路中。
图2. NCP4305 Flyback或QR应用原理图(左)和LLC应用原理图(右)
电流检测
CS_OFF比较器是非常精密的真正的零比较器,通过同步整流将系统能效提升至最高。NCP4305的CS脚和SR MOSFET(M1) 之间的电阻用来调节关断电流。当CS脚电压低于VTH_CS _ON阈值时,M1 导通;当CS脚电压高于VTH_CS _OFF阈值时,M1关断。

图3. 电流检测功能原理图
由于在GND端和CS端之间不仅包括M1的导通电阻,还包括M1 管脚、PCB布线产生的寄生电感,而寄生效应会导致电流信号发生变化,从而导致驱动器在电流降至0前提前关断,能效降低。为减小寄生效应,M1管的封装方式及PCB布线至关重要:GND引脚必须接至M1的源极,CS引脚必须接至M1的漏极,M1管尽量采用SMT封装。

图4. 寄生效应影响电流检测
最小导通和关断时间
NCP4305可设置最小导通和最小关断时间,从而屏蔽由于同步整流管导通和关断瞬间导致的噪声。由于寄生效应,同步MOS管导通瞬间会产生电压噪声。最小的导通时间设置将避免比较器错误地关断同步MOS管。同步MOS管关断瞬间会产生电压噪声,且在DCM的退磁阶段产生振荡。最小关断时间能够屏蔽噪声并防止同步MOS管错误地开通。当CS压降低于CSTH_RESET阈值时,最小关断时间有随时重启的特性。这种特性,适合于应用在DCM工作模式。
自同步整流
NCP4305的TRIG引脚用来控制SR的驱动输出,也可用来与系统同步。只有当TRIG脚电平低于阈值电压且最小关断时间达到以后,SR驱动才会正常工作。在受寄生效应干扰的系统中,该器件启动进行自同步,这自同步特性提供灵活的控制功能。
触发功能在CCM中提升能效
在CCM应用中,当初级端MOS管导通时,通过隔离驱动器强制使次级端MOS管关断;当初级端MOS管关断, TRIG脚功能使次级端MOS管导通。这种交替导通特性大大提高系统能效。如图5所示,无触发功能的初级端和次级端驱动信号交叠的时间为40 ns,远大于带触发功能的12 ns,也就是说,触发功能将缩短延迟时间,从而降低损耗。

图5. 触发功能在CCM中提升能效
Q版本最大导通时间功能使QR控制器工作在CCM模式
QR控制器可代替触发功能。通过添加一些元件增添最大导通时间设置功能,可使QR控制器强制工作在CCM模式。当最大导通时间超过设定值,提前关断SR晶体管(仍有一些电流流过次级端电路)。关断SR晶体管的信息被小信号变压器转移到产生伪ZCD状况的初级端,所以QR控制器可在次级端电流消失前转向初级晶体管,最终进入CCM模式,这使变压器可转换比在DCM模式更多的能量,为QR带来最大峰值功率优势,可大大提升重载时的能效。
自适应驱动器钳位电压
同步整流系统用于SMPS应用时,可大大提升系统在重载或满载时的能效。然而,在轻载或无载条件下,SR MOSFET和SR控制器会产生功耗。NCP4305的自适应驱动器钳位电压特性可使输出电压随负载而变化,从而优化轻载和无载条件下的能效。输出电压可通过LLD引脚从0调至其最大电压。在Flyback应用中,LLD电路用于间接测量输出功率,并据此调节驱动器输出电压或进入禁用模式;在LLC应用中,LLD电路用于测量跳周期模式的占空比,并据此改变驱动器输出电压或进入禁用模式。
结语




