中心议题:
- 三元件串联LLC谐振变流器的工作原理
- 同步整流驱动技术
- 改进的电流型同步整流方案
解决方案:
- 一次侧电流采样方案
- 新型的电流型同步整流驱动方案
本文在归纳总结LLC谐振变流器现有同步整流技术的基础上对各技术的优缺点进行了详细的分析和比较,并提出了新型的一次侧电流采样方案以及一种应用于倍压整流结构的新型电流型同步整流技术。除此之外,本文还从电力电子系统集成的角度提出了新型的单封装结构同步整流技术解决方案。
0 引言
随着消费类电子产品需求的不断扩大,人们对其电源系统的便携性提出了更高的要求。因此,高效率和高功率密度成为电力电子产品的一个重要发展趋势。三元件串联LLC谐振变流器在变换效率和功率密度方面具有突出的优势。
目前,大量的国内外文献都对其相关优化设计进行了深入的研究,但是当应用于低压大电流输出的场合时二次侧整流电路的损耗占据了总损耗较大的比重。为了进一步提高地变换效率和功率密度,同步整流技术在二次侧得到广泛的应用。
1 三元件串联LLC谐振变流器的工作原理
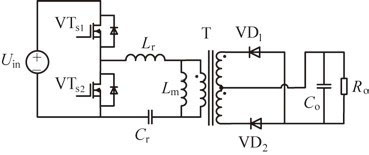
传统LLC谐振变流器的拓扑结构如图1所示。

图1 传统的LLC谐振变流器拓扑结构
谐振网络由谐振电感L r、谐振电容C r、激磁电感L m组成。图2为其主要的理想工作波形,根据工作频率的不同,我们可以把它分为三个模式,即断续模式(fw<fs<fr)、临界模式(fs=fr)和连续模式(fs>fr),其中fw为第一谐振频率,fr为第二谐振频率,fs为开关管工作频率。

图2 LLC谐振变流器的主要工作波形
由图2可知,当变流器工作于断续模式时,一次侧开关驱动信号、变压器绕组上的电压与整流管中的电流不是处于同相位。采用一次侧控制芯片信号外驱动或电压型绕组自驱动等驱动方案都不能及时有效地关断同步管,从而变流器将无法正常地工作于断续模式。电流型驱动技术可以满足各种工作模式的需要,但是驱动电路的设计相对较为复杂。现有智能驱动控制芯片的驱动策略是通过检测整流管漏源两极的压降以产生驱动控制信号,理论上这也能够实现变流器断续模式的正常工作。但是由于同步管的导通压降很小,芯片本身也具有较多限制,检测电路容易受到干扰,其应用范围仍然相当有限。因此对LLC谐振变流器的同步整流方案的研究仍是当前的热点及难点问题。
2 同步整流驱动技术
2.1 外驱动
外驱动一般是指同步整流管的驱动信号独立于主电路,由外部电路产生。传统的外驱动方式是根据一次侧控制芯片的信号,通过隔离变压器等给二次侧的同步整流管(SR)提供驱动信号;另一种则通过比较电路,检测SR的漏源极电压(U DS),产生驱动信号。目前市场上的智能同步整流驱动芯片就是采用这种控制策略。
[page]
2.1.1 传统型外驱动方案
传统型外驱动方案如图3所示。该方案的优点在于同步整流的驱动电路简单,驱动信号可靠;由于采用了隔离变压器作为信号隔离电路,一次侧MOS管VT1的驱动可以省略自举电路。它的缺点在于变流器只能工作于临界或者连续模式,限制了其电压增益范围。

图3 传统型外驱动
2.1.2 检测SR UDS电压型外驱动方案
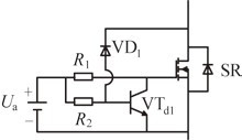
市场上现有的绝大部分智能同步整流驱动芯片都采用了检测U DS电压信号的方法。如图4所示。该驱动方案的优点是驱动电路简单,变流器可以工作于不同的三种模式。但是同步整流驱动芯片对外围电路的参数设计非常敏感,如SR的导通电阻、检测电路中的引线电感及同步管的工作温度等,因此容易受到外界的干扰,而且它也受到芯片本身的条件制约(芯片的工作频率,关断延时等)。因此它对PCB的布板设计和变流器的工作频率等都有比较高的限制要求。图5是一种采用分离元件组成的检测U DS电压型驱动方案。其电路比较简单,但同样也比较容易受到干扰,而且二极管VD1与三极管VTd1的选择比较困难。

图4 同步整流驱动芯片方案

图5 分离元件组成的U DS检测电路
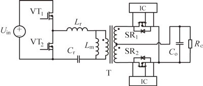
2.2 电压型自驱动
电压型自驱动方案如图6所示。Na1、Na2为变压器辅助绕组,直接为相应的同步整流管提供驱动信号。此驱动方案要求变流器工作于临界模式或者连续模式,而且要求变压器的辅助绕组与相应的S R二次侧绕组之间有比较好的耦合,减小驱动信号的延时。但另一方面,此方案又要求变压器的两个二次侧绕组之间具有一定的漏感,以帮助两个回路之间实现换流。总之,该方案的变压器漏感设计和整机变换效率的优化很难折中考虑,功率变压器的设计困难,不利于实际的生产和应用。

图6 电压型自驱动方案
[page]
2.3 电流型驱动
图7为几种典型的电流型驱动方案。传统的电流型驱动方案如图7(a)所示,整个驱动电路包括一个电流互感器(CT)和一个电压箝位电路。电路通过电流互感器对电流信号进行采样,并给同步管提供相应的驱动信号,多余的驱动能量被箝位电路消耗。该驱动电路比较简单,但是有较大的驱动损耗,限制了变流器效率的提高。因此有文献提出了具有剩余驱动能量回馈功能的电流型驱动方案,如图7(b)所示。该驱动电路中多余的驱动能量能通过辅助绕组回馈到主电路,从而可以较大的减少驱动电路的损耗,并简化电流互感器的设计,但是多绕组的电流互感器大大增加了生产成本。另有文献提出了一种更为简单的电流型驱动方案,如图7(c)所示。该方案的电流互感器只需一个副边绕组,同时也具有剩余驱动能量回馈的功能,更加有利于实际的生产应用。通过三极管VTd1,它可以准确地检测同步整流管应该关断的时刻,从而保证了同步整流电路的可靠性。

图7 几种典型的电流驱动方案
2.4 驱动方式比较
我们将上述驱动方法做了一个比价和总结,如表1所示。从表中可以看出,采用检测U DS电压型外驱动和电流型驱动,变流器可工作于全频率范围,符合宽输入LLC谐振变流器工作于全频率范围的要求。

表1 不同的同步整流管驱动方案比较
[page]
3 改进的电流型同步整流方案
3.1 一次侧电流采样方案
为了简化电流型同步整流方案和二次侧布板走线,进一步提高二次侧效率和功率密度,这里分别先看一次侧电流采样方案,如图8和图9所示。

图8 采用具有相位补偿功能的一次侧电流采样方案

图9 采用辅助变压器的一次侧电流采样方案
由于LLC谐振变流器的励磁电流较大,导致一次侧电流与二次侧电流之间存在相位差,因此,可以采用补偿电感L comp对相位进行补偿,而有文献则采用辅助变压器对一次侧电流进行采样。这两种驱动方案都可以解决相位差问题,而且没有增加大型的磁性元件,有利于提高效率和功率密度。
[page]
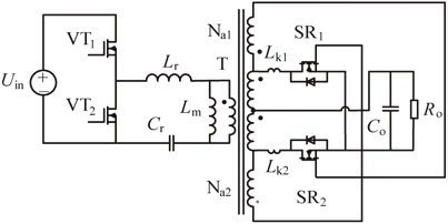
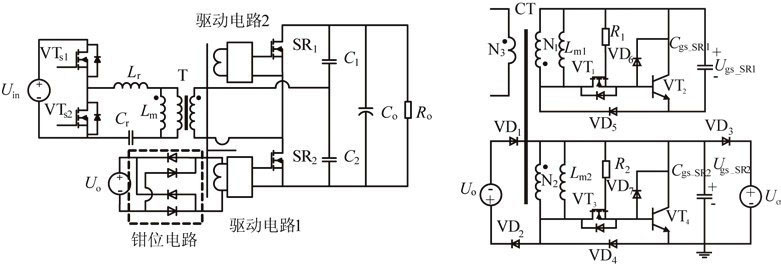
3.2 一种新型的电流型同步整流驱动方案
本文针对倍压整流结构提出的一种新型的电流型同步整流方案,如图10所示。通过一个双绕组电流互感器,既解决了二次侧上管驱动电路采样的能量回馈问题,又减少了电流互感器的数量,有利于降低生产成本,提高变换效率及功率密度。图11为断续模式和临界模式下的主要实验波形。

图10 一种新型的电流型同步整流驱动方案

图11 主要实验波形
4 新型的单封装同步整流解决方案
为进一步地提高功率密度,本文从电力电子系统集成的角度提出了一种新型的能够实现驱动信号检测电路、驱动电路和半导体功率器件高度集成的单封装同步整流结构技术。为了能够与现有肖特基整流二极管的布板结构兼容,本文提出(且不限于)以下几种管脚封装结构,如表2所示。
5 结束语
本文在对现有LLC谐振变流器同步整流方案进行深入分析和比较的基础上,总结了各自的优缺点,并引入了新型的一次侧电流采样方案,提高变流器的变换效率和功率密度。本文针对LLC谐振变流器二次侧倍压整流结构提出了一种新型的电流型同步整流方案,实现较好的变换效率及功率密度表现。为了能够进一步地提高功率密度,本文从电力电子系统集成的角度,提出了具有极高集成度的单封装同步整流结构技术。为在布线上实现与当前肖特基二极管整流的兼容,本文提出了几种新型的单封装同步整流解决方案。




