中心议题:
- D7001/7002的典型应用
- 高性能低成本LED软灯条、护栏管解决方案
解决方案:
- LED软灯条方案D7001/D7002可大幅减少芯片使用数量
下载本演讲PDF版本
立即申请D7001/D7002样品
杨晓鹏:我今天要介绍的是高性能低成本LED软灯条、护栏管解决方案。LED装饰灯的份额逐年扩大,目前已经占据80%的份额。西方的圣诞节会采用大量的装饰灯来装点节日氛围,传统的装饰灯能源消耗很大。而采用LED装饰灯,要比传统照明节能85%,省电性能高,使用寿命长(可达50000小时以上),环保(无汞等有害物质)等优良的特点,确保了LED软灯条在户外,室内装饰照明市场的优异表现。LED装饰灯正成为一种潮流。
D7001、D7002套片是针对LED灯条、护栏管等装饰产品的解决方案,与传统产品相比,该方案具有高性能、高可靠性、设计简洁、低成本等诸多优势,为LED灯条、护栏管等产品升级换代提供了一个更优的解决方案。下面介绍下D7001、D7002的特点:
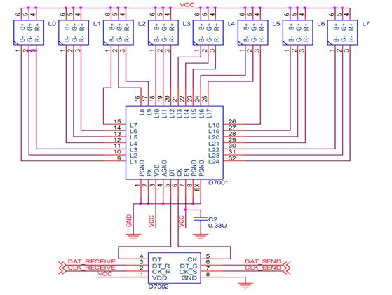
- D7001为具有24路输出的LED驱动芯片,使用32脚5x5mm QFN封装,在软灯条上,这个面积已经很小了;
- D7002为总线驱动芯片,使用8脚SOP封装。
- 应用本方案驱动24路单色LED或者8组RGB全彩LED仅需一颗D7001和一颗D7002。
下图是套片典型应用线路图。D7001可按照恒流及PWM的方式驱动24路。D7002用于接收主控发送的控制数据,并把控制数据传递到下一级D7002,从而实现灯条或护栏管的多级级联。
该方案的特点是有丰富的显示效果:
- D7001/7002应用了全新的控制方式并固化了多种预置显示模式,并且可根据需求定制。
- D7001/7002芯片可以实现并超越任何现有灯条及护栏管产品的显示效果。
- 流水灯、渐变、跳变、正反向移位、淡入、淡出、呼吸、七彩平滑过渡等各种显示效果。
更高的可靠性:
- D7001/7002每组芯片有24路输出,可以驱动8组RGB全彩LED,大幅度降低了芯片的级联级数,提高了系统可靠性。
- D7001/7002总线仅需要两条数据线,而且每级D7002都对总线数据进行了整形和再生和容错处理,总线传输的可靠性就得以大幅度提高。
- D7001/7002最大限度的避免了控制信号中断、显示效果混乱以及长距离传输出错等故障。
[page]
下面是D7001/7002的典型应用电路图。上面是8颗5050 RGB LED,下面是LED驱动IC D7001和总线传输芯片D7002。外围元件只需要两颗电阻,一颗电容,元件非常少。

下面是一个宽度为15mm,长度为25cm的软灯条PCB,一组D7001/7002及8个5050 RGB全彩LED。PCB上外围器件很少,线路非常简单。

下图是一个护栏管PCB,尺寸80x12mm,此??榭梢杂τ迷谡姘硕位蛘媪位ね饪乩腹苌?,电源电压可以是12V或24V。

因为D7001/7002软灯条、护栏管方案大幅减少芯片使用数量,下面是驱动8颗RGB LED方案的成本对比。得倍方案的芯片使用两颗,一颗是LED恒流驱动芯片,一颗是总线控制芯片,外围使用2颗电阻,1颗电容,LED灯的焊接点是46个。从对比可看出,得倍方案大幅度的减少了行业同类产品所使用的芯片数量,并简化了电路设计、物料数量及生产工艺,从而节省成本。
【现场问答】
Q:D7002的级联能够联多少?D7001能串联几颗LED?
杨晓鹏:软灯条没有串联很多LED,级联时有一个供电电压的问题,线太长的话,压降会很低,一般软灯条的级联在10米左右。如果是用在护栏管上,级联几百颗D7002肯定是没有问题的。这款方案工作电压是24V,可以串联6颗LED灯。
Q:D7001/D7002方案可以联多少颗LED灯?
杨晓鹏:D7001/D7002可以级联几百颗,这里说的是芯片的级联,而不是LED灯的级联,每组可驱动8组RGB LED灯,这样算下来,LED灯的数量可以达到几千颗。
Q:D7002时钟速度最高能达到多少?
杨晓鹏:5-10M。市面上有些方案级联时要刷数据,所以时钟速率很高,我们的方案设计独特,数据量不是很大,所以时钟速度不需要太高,通常1M左右就很好了。D5026A的时钟速率能到20-25M。
Q:D7001能并联使用吗?
杨晓鹏:我们不推荐D7001太多片并联使用,就算很少的压差,功率也会非常大。


