- 电路隔离的必要性
- 电路隔离器应用
- 光耦合隔离技术
- 电感耦合隔离技术
- 电容耦合隔离技术
随着德州仪器(TI)和其他供应商推出的产品数量不断增加,隔离信号的传输选项也随之增加,从而使设计人员在产品选择上变得更加复杂。本报告阐述了隔离器的重要特性,并说明了各产品之间的差异和相似之处。
在对电路隔离的必要性进行回顾之后,我们对电介质信号传输的三种方法以及模拟对数字隔离器进行了讨论,并对每一类型数字隔离器的实例进行了描述和对比。
电路隔离的必要性
隔离电路的主要原因是?;さ缏凡皇芪O盏缪购偷缌鞯乃鸹怠T谕?的医疗应用实例中,即使是小量的AC电流也有可能造成致命的伤害,因此需要采用一个隔离层来?;げ∪?。隔离还可对敏感电路进行?;ぃ蛊涿庥谑艿焦ひ涤τ弥谐鱿值母哐顾鸹?。图2的工业实例仅为一个高压测量法。将传感器与实际高压相隔离使得对低压电路的测量成为可能。

图1:电源和病人之间可能的电路通路。

?;ぴ硎墙叩缪沟缥?potential)隔离,其可能出现在各系统或电路中,如图3中的线缆应用所示,其中的长距离可以将一个驱动器和接收机隔离。经过如此的长距离,接地可能处在不同电压中。通过隔离,在隔离器而非敏感电路中形成电压差。

图3:设备之间的接地电压差。
如图4所示,通过相对于其他电路组件而言的高阻抗,隔离中断了由电路通路形成的环路。通过中断该环路,噪声电压出现在隔离层上,而非出现在接收机或更为敏感的组件上。噪声电压的高电平可以由外部电流或电压源(例如:电感马达和闪电(lightning))耦合。[page]

电路隔离器
在允许通过电磁或光链路进行模拟或数字信号传输的同时,电路隔离器阻碍了各电路之间的低频电流。数字隔离器传输二进制信号,模拟隔离器则在隔离层上传输连续信号。在模拟和数字隔离器中,工作和峰值额定电压以及共模瞬态抗扰度均为这种隔离层的重要特性。当对数字信号进行隔离时,隔离电路的这些重要特性为输入和输出逻辑电压电平、信号速率、数据运行长度以及自动防护响应。
传统上而言,为满足特殊需求时,变压器、电容器或光电二极管晶体管及分立电路以输入和输出信号为条件。这种方法是有效的,但却不能将其从一种应用转移至另一种应用中。尽管这样可能会保持模拟隔离器的情况,但市场中已经出现了新一代数字隔离器,其使用创新电路在超过100Mbps直流电信号速率的条件下对标准数字信号进行隔离。这些通用数字隔离器均具有其各自的优点和缺点。以下几段内容将对各种不同技术进行介绍,并将具体产品同TI推出的新型ISO72x系列产品进行对比。
1光耦合技术
光耦合技术是在透明绝缘隔离层(例如:空气间隙)上的光传输,以达到隔离目的。图5显示了一款数字隔离器的主要组件。该电流驱动器采用数字输入,并将信号转换为电流来驱动发光二极管(LED)。输出缓冲器将光电探测器的电流输出转换为一个数字输出。

图5:基本光耦合机制。
光耦合技术的主要优点是,光具有对外部电子或磁场内在的抗扰性,而且,光耦合技术允许使用恒定信息传输。光耦合器的不足之处主要体现在速度限制、功耗以及LED老化上。
一个光耦合器的最大信号速率取决于LED能够开启和关闭的速度。从当前可供使用的产品来看,最快的光耦合器是HCPL-0723,其可以达到50Mbps的信号速率。
从输入到输出的电流传输比(CTR)是光耦合器的一个重要特性,LED一般会要求10mA的输入电流,以用于高速数字传输。这种比率对用于驱动LED的电流和由光电晶体管产生的电流进行调节。随着时间的推移,LED变得更为低效,同时要求更多的电流来产生相同等级的亮度以及相同等级的光电晶体管输出电流。在许多数字隔离器中,内部电路控制LED驱动电流,并且用户无法对逐渐下降的CTR进行补偿。LED的优势减弱了,并且随着时间的推移隔离器不再像以前那样有效了。
2电感耦合技术
电感耦合技术使用两个线圈之间的变化磁场在一个隔离层上进行通信。最常见的例子就是变压器,其磁场大小取决于主级和次级绕组的线圈结构(匝数/单位长度)、磁芯的介电常数,以及电流振幅。图6显示了一款具有信号调节电路模块的变压器。

图6:电感隔离。
[page]
电感耦合技术的优点是,可能存在的共模差异和差分传输特性。变压器的精心设计允许噪声和信号频率重叠,但是会呈现出噪声高共模阻抗和信号低差分阻抗。另一个优点是,信号能量传输可以为近100%的效率,从而使低功耗隔离器成为可能。
电感耦合技术的主要缺点是对外部磁场(噪声)的磁化。工业应用通常要求磁场隔离,例如:马达控制。数字变压器传输中另一个缺点是数据运行长度。一个信号转换器在某一频率和振幅范围内传输信号,并且其失真可以接受。需要数据运行长度限制或时钟编码来将该信号保持在可用变压器带宽内。采用电感耦合技术的通用数字隔离器要求信号处理随同传输低频率信号(1或0长字符)的方法共同对数字信号进行传输和重新构建。NVE公司/Avago(安华高)公司推出的Isoloop,以及ADI(美国模拟器件公司)推出的iCoupler均使用了编码功能,并提供了支持从DC到100Mbps运行范围的数字隔离解决方案。
ADuM1100是ADI推出的iCoupler技术的一个例子。ADuM1100使用一个基本的变压器来实现在一个隔离层上传输信息。这种Isoloop技术(例如:HCPL-0900)使用一个如图7所示的电阻器网络来替换次级线圈。该电阻器由GMR(巨磁电阻)材料组成,这样当磁场发挥作用时该电阻会发生变化。电路感应电阻的变化,并满足其条件,以用于输出。这种技术被首次引入市场时就切实地提高了AC性能,超过了现有光耦合器的性能。现在,随着ADI最近推出了更多的数字隔离器以及TIISO72x系列器件的推出,这些Isoloop器件的性能已经被超越。

图7:GMR结构图。
3电容耦合技术
电容耦合技术是在隔离层上采用一个不断变化的电场传输信息。各电容器极板之间的材料是一个电介质隔离器,并形成隔离层。该极板尺寸、极板之间的间隔和电介质材料等都决定着电气性能。

图8:电容耦合。
使用一个电容隔离层的好处是,在尺寸大小和能量传输方面的高效率,以及对磁场的抗扰度。前者使低功耗和低成本集成隔离电路成为可能;而后者使在饱和或高密度磁场环境下运行成为可能。
电容耦合技术的缺点是其没有差分信号和噪声,并且信号共用相同的传输通道,这一点与变压器不同。这就要求信号频率要大大高于噪声预期频率,这样隔离层电容就呈现出信号的低阻抗,以及噪声的高阻抗。使用了电感耦合以后,电容耦合就不能传输稳定状态信号,并需要时钟编码数据。
[page]
1TI推出的ISO721
TI推出的ISO72x系列隔离器采用电容耦合技术。电容耦合解决方案采用业经验证的、低成本生产制造工艺,并对磁场具有内在的抗扰度。
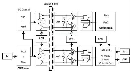
为了提供恒定信息的传输,ISO72x使用一个高信号速率和低信号速率通道来进行通信,如图9所示。高信号速率通道未被编码,并且其在一个单端到差分转换之后的隔离层上传输数据。该低信号速率通道以一种脉宽调制格式对数据进行编码,并在隔离层上差分传输数据,从而确保了恒定状态的精确通信(1和0的长字符)。
单端逻辑信号在隔离层上的差分传输允许使用低电平信号和小耦合电容。这就呈现出对共模噪声的高阻抗,并且,通过接收机的共模噪声抑制,带来了优异的瞬态抗扰度,也即信号电容耦合需要解决的主要问题。

图9:ISO72x与ISO72xM的结构图。
4隔离性能
三个主要标准验证了对于隔离?;さ谋匾?,其分别为UL1577、IEC60747-5-2和CSA。虽然每一种标准都稍有不同,但是均提供了一个对比隔离性能的标准。IEC、UL和CSA的测试证实了输入和输出之间电介质击穿以外的电压。运用这些标准非常简单,因为测试标准和隔离方法无关。图10显示了隔离测试是如何将隔离器看作是两端器件的。尽管每种器件的物理结构存在差异,但隔离测试却是在电介质击穿电压上测定的。

UL1577、IEC60747-5-2、IEC61010-1和CSA测试了ISO72x系列隔离性能。表1显示了说明该三种隔离技术的这五个器件的隔离性能。

所有这三个测试,即UL、CSA和IEC,均对隔离层的质量进行了测试。UL和CSA测试均为应力测试,其使用由厂商设置的规定时间对电介质击穿电压进行测试。在该测试期间,电介质的击穿就是出现的一个故障。IEC测试使用一种被称为局部放电的现象来探测电介质内的无效(void)。一个大电压被应用于该器件中,其是由厂商定义的工作电压的一个函数,然后被降低至另一个电压电平,即Vm。在该低压应用中,对被测试器件进行电介质内的无效局部放电监控。这些无效会导致整个电介质的最终击穿。
5瞬态抗扰度
高转换率(高频率)瞬态可以破坏一个隔离层上的数据传输。该隔离层电容提供了一个如图11所示的通道,使瞬态事件穿过隔离层,并破坏输出波形。一个法拉第屏蔽可以使这种在光耦合器或电感耦合器中的位移电流的一部分远离重要的输出结构。

图11:隔离层电容。
在电容耦合解决方案中,法拉第屏蔽并非是一种可行的解决方案。除了瞬态以外,法拉第屏蔽还会阻塞用于数据传输的电场。为了提供瞬态抗扰度,ISO72x系列电容隔离器只传输fo信号(信号中仅代表最高频率能量的数据信号)。这样就允许有一个噪声频率高阻抗的小耦合电容。其他噪声则来自在隔离层上传输数据的差分技术。图9显示了穿过电容隔离层的四个信号;两个包含低信号速率信息,另外两个包含高信号速率信息。通过使用差分技术,可以在真正的和补偿信号中看到任何穿过隔离层的剩余共模瞬态,而且差分接收机对其进行了抑制。如表2所示,ISO72x系列的瞬态抗扰度和所有具可比性的高达25kV/us的器件一样高。[page]

6自动防护
数据线电路和数字隔离器需要注意的一点就是输入信号损耗的输出状态。输入损耗可能出现在线缆断开或直接从隔离器输入端去除电源。自动防护是指在输入损耗状态下一个决定性的或已知的输出状态。ISO72x系列使用一个周期脉冲来确定输入结构是否有电,并且是否正在工作。如果隔离器的输出端在4us以后没有接收到一个脉冲,那么该输出被设置为一个高状态。ADI推出的ADum1100也在IC的输出部分集成了一个自动防护电路。安华高科技推出的光解决方案(HCPL-0721及-0723)没有提及自动防护,而电感GMR解决方案(HCPL-0900)明确地描述了在电源排序期间输出的不确定性质。
7功耗
除了隔离层上信号传输的效率之外,输入和输出调节电路的设计同功耗的相关性最大。如表3所示,与电感或电容实例相比,光耦合器的功耗会更高。

8可靠性
故障前平均工作时间(MTTF)是半导体设备可靠性的标准测量方法。对于数字隔离器而言,这种测量表示集成电路和隔离机制的可靠性。表4显示了一款光、电感和电容数字隔离器的MTTF。与电感及光解决方案相比,ISO721非??煽?。

ADuM1100可靠性数据表没有明确地说明MTTF,但是其提供了可靠性测试的结果。表5显示了ISO721和ADuM1100可靠性测试的参数。

9外部磁场抗扰度
图12对比了ADuM1100和ISO72x(没有找到HCPL-0900的数据)的磁场抗扰度。相对来说尽管这两个实例均对磁场有一定的抗扰度,但是ISO72x提供了更大的裕度。如前面所述,光耦合隔离层电路对外部磁场具有内在的磁化抗扰度。

图12:对外部磁场的敏感度。
噪声降低和噪声保护使得隔离器在那些隔离器中断接地环路并将接地电压差隔离的电子电路中得到广泛使用。设计人员现在拥有许多用来进行数字信号隔离的选择,包括TI推出的ISO72x系列,其在信号速率、电介质击穿电压、瞬态抗扰度、功耗、磁场抗扰度以及可靠性等重要特性方面均表现不俗。表6对本报告中所讨论实例的这些特性进行了总结。




