中心议题:
- 新型双极性晶体管具备低VCEsat
- 双极性晶体管在温度稳定性、ESD强度和反向阻断方面具备优势
近年来,中功率双极晶体管在饱和电阻和功率范围上的重大突破,极大地拓宽了此类器件的应用领域。恩智浦最新推出的SMD封装中功率晶体管(BISS 4)再次显现出双极晶体管的技术优势,在为开关应用带来了开关损耗更小,效率更高的同时,也赢得了更多的市场空间。
简介
近年来双极晶体管复苏势头强劲。一直由MOSFET器件控制的大功率开关领域也出现了变化,在消费电子和通信便携式设备中,越来越多的充电电路和负载开关开始采用双极晶体管。其中的主要原因是:通过提高半导体芯片中的电流均衡分配,双极晶体管在降低饱和电阻方面取得了巨大成功,新器件可以获得更为稳定的大电流增益。双极晶体管电流驱动的先天不足被显著弥补,而在温度稳定性、ESD强度和反向阻断方面的优势再次得到肯定。
通过推出BISS(突破性小信号)晶体管系列,恩智浦半导体取得了市场领导地位。第四代BISS晶体管(BISS 4,表1)的全新架构是SMD中功率双极晶体管技术发展的里程碑,有力拓宽了双极晶体管的应用领域。
Single transistors Type Package Polarity VCEO IC ICM RCEsat typ (mΩ) @ IC; PBSS4021NT SOT23 NPN 20 4.3 8 36 PBSS4021NX SOT89 7 15 19 PBSS4021NZ SOT223 8 20 14 PBSS SOT23 PNP 3.5 8 55 PBSS4021PX SOT89 6.2 15 23 PBSS4021PZ SOT223 6.6 20 22 PBSS4041NT SOT23 NPN 60 3.8 8 46 PBSS4041NX SOT89 6.2 15 25 PBSS4041NZ SOT223 7 15 17.5 PBSS SOT23 PNP 2.7 8 80 PBSS4041PX SOT89 5 15 40 PBSS4041PZ SOT223 5.7 15 29 Double transistors(负载开关应用优化) Type Package Polarity VCEO IC ICM RCEsat typ (mΩ) @ IC; PBSS4021SN SOT96 (SO8) NPN/NPN 20 7.5 15 25 PBSS4021SPN NPN/PNP 7.5/6.3 15 25/36 PBSS4021SP PNP/PNP 6.3 15 36 PBSS4041SN NPN/NPN 60 6.7 15 32 PBSS4041SPN NPN/PNP 6.7/5.9 15/10 32/47 PBSS4041SP PNP/PNP 5.9 10 47
相关型号纵览:应用于负载开关的超低VCEsat、优化产品
[page]
(V)
(A)
(A)
IC/IB = 10
(SC-62)
(SC-73)
(SC-62)
(SC-73)
(SC-62)
(SC-73)
(SC-62)
(SC-73)
(V)
(A)
(A)
IC/IB = 10
相关型号纵览:应用于高速切换的低VCEsat、优化产品 Single transistors Type Package Polarity VCEO IC ICM RCEsat typ (mΩ) @ IC; PBSS4032NT SOT23 NPN 30 2.6 5 76 PBSS4032ND SOT457 3.5 6 50 PBSS4032NX SOT89 4.7 10 45 PBSS4032NZ SOT223 4.9 10 45 PBSS SOT23 PNP 2.4 5 110 PBSS4032PD SOT457 2.7 5 88 PBSS4032PX SOT89 4.2 10 58 PBSS4032PZ SOT223 4.4 10 58 Double transistors Type Package Polarity VCEO IC ICM RCEsat typ (mΩ) @ IC; PBSS4032SN SOT96 (SO8) NPN/NPN 30 5.7 10 45 PBSS4032SP PNP/PNP 4.8 10 65 PBSS4032SPN NPN/PNP 5.7/4.8 10 45/65
(V)
(A)
(A)
IC/IB = 10
(SC-74)
(SC-62)
(SC-73)
(SC-74)
(SC-62)
(SC-73)
(V)
(A)
(A)
IC/IB = 10
两种产品类型——系列产品的架构和技术规格
由于双极晶体管电阻受多重因素影响,开发新型中功率双极晶体管需要认真评估完整的晶体管架构(选材、芯片设计、芯片金属化、芯片/封装连接和封装架构)。第四代BISS双极晶体管系列共分两类。
第一类是超低VCEsat双极晶体管——旨在最大程度降低饱和电阻RCEsat。这也是此类产品架构设计时遵循的唯一理念(芯片设计、半导体衬底电阻、芯片金属化、芯片/封装连接),其目的就是在SMD封装结构中获得14 mΩ的低饱和电阻。
第二类是高速开关类双极晶体管,除降低饱和电阻RCEsat外,此类器件还需要在快速开关和存储时间ts(大约140 ns)方面进行改进,以满足高频应用需求。此类器件需要在规定的电阻和开关时间之间获取平衡,满足相关设计特性的要求。
这两类晶体管都非常重视产品封装,标准SMD封装形式包括:SOT23、SOT457/SC-74、SOT223、SOT89和SOT96/SO-8。这一理念不仅能够满足客户多样化的标准应用需求,同时也为量产提供了保证。
恩智浦此次针对通信和汽车电子领域推出了20 - 60 V产品,今后还有望开发出20 - 100 V的双极晶体管。
产品设计
这两类晶体管产品(符合汽车应用的AECQ-101标准)采用不同的架构和设计方法以满足不同的设计考量和技术规范要求。我们需要了解的是产品中哪些元件会对电阻和饱和电压造成影响,影响的程度有多大,以及哪些措施会影响开关时间特性。
影响饱和电压的主要因素是电阻电压降以及复合和注入元件。由于复合和注入电压总和相对轻微,因此重点需要注意电阻元件,主要包括半导体衬底电阻、芯片设计以及封装和互连技术的电阻。
降低饱和电压:低电阻半导体衬底、芯片金属化结构和芯片设计
通过选择不同的低电阻衬底,比如:图1所示的掺磷/掺砷衬底,可以有效降低半导体中的电压降比例。另一个重要的影响因素是电流分配,应在整个芯片范围内尽可能保持均衡,将芯片前端金属化扩展电阻降至最低。对于BISS晶体管,芯片中的均衡电流分配通过一种称为网格技术的手段来实现——将晶体管分成不同的格栅结构。第四代BISS晶体管采用受专利?;さ乃憬鹗艋季郑芄蛔畲蟪潭忍嵘⑸浼呗方鹗艉穸?,降低饱和电阻(参见图2)。

图1

图2
[page]
缩短开关时间:集成钳位元件,降低扩散电容
要在降低饱和电压的基础上缩短开关时间,关键是最大程度降低开关操作中晶体管的扩展电容。这主要通过集成寄生的钳位结构(图3)来实现,该设计可以避免过驱动处于饱和状态的晶体管,能够有效降低晶体管的存储时间ts。

图3
典型应用
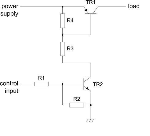
低VCEsat晶体管兼具双极晶体管的优势和低RCEsat值,主要满足常规开关应用(与典型的RDSon MOSFET器件有所不同),包括驱动电压较小的电池驱动设备用负载开关(图4)。由于实际应用中反向电流阻断和高能效具有决定性意义,因此双极晶体管比MOSFET更有优势。低VCEsat晶体管常常作为充电晶体管使用,比如:手机的电源管理单元。

图4
另外,笔记本电脑中使用低VCEsat晶体管,可以降低风扇或接口电源负载开关的损失,延长电池使用时间。
除了具有低VCEsat特点外,针对开关时间优化的双极晶体管完全满足高频开关应用(50 - 200 kHz)要求,典型应用包括PWM和开关式电源。其中,使用冷阴极荧光灯(CCFL)的背光显示器就属于开关式电源应用。不同的电源规格需要有相应的功率等级与之匹配,恩智浦各种类型的SMD封装器件为用户提供了最好的选择。
市场前景
低VCEsat晶体管的问世为双极晶体管开拓了应用更加广泛的市场空间,特别是为便携式设备的负载开关应用带来了高效解决方案。为满足该行业中高端设备需求,未来有望推出无引线封装产品,进一步降低器件高度,缩小板载空间占用。低VCEsat双极晶体管的未来发展非常值得期待。




