中心论题:
- 聚合物片式叠层铝电解电容器的特点。
- PA-Cap的应用。
- 吸收噪声性能测试电路介绍。
- 尺寸小适合小型化的电子产品。
- 无须降压使用绿色环保。
- 低的ESR允许大的纹波电流。
- 温度系数低的导电高分子作为电解质在宽温区域内具有良好的温度特性。
引言
近年来,随着电子设备电源电路的高频化,轻薄短小化及表面贴装技术发展的需求,铝电解电容器逐步向着小型化、大容量、低ESR和高可靠性发展,尤其需要具备优异的高频特性,为了适应高频波段低阻抗的需要,许多公司开发了以导电高分子作为电容器的固体电解质。 PA-Cap○R是“聚合物片式叠层铝电解电容器”的英文缩写 ,也是福建国光电子科技股份公司自主研发的新一代铝电解电容器的注册商标。PA-Cap采用铝箔作为阳极,三氧化二铝作为电介质,固态的高分子导电聚合物作为阴极,叠片而成。
PA-Cap的特点
由于采用固态的高分子导电聚合物作为电解质,使得PA-Cap具有如下特点:
1. 尺寸小,最大为E壳,很适合小型化的电子产品。
2. 额定电压范围2~16V,容量范围3.3~330μF,容量与标称容量允许偏差为±20%(M级),损耗角正切 ≦ 0.06 (120Hz),漏电流 ≦ 0.04CV。
3. 等效串联电阻(ESR)低 ,最低的ESR可达8mΩ(100KHz)。
4. 温度特性稳定,如图1所示在-55~+105℃工作温度范围内,容量、ESR变化幅度小。
5. 频率特性优良,如图2所描述,在中频段(10KHz~20MHz),其ESR比钽电解电容和液体铝电解电容还要低,特别是在100 KHz~1MHz之间,相差非常明显。
6. 长寿命、高可靠性,+105℃下寿命为1000h,相当于在+55℃下可工作36年。
7. 无须降压使用;采用无铅封装,符合RoHS标准,绿色环保.
8. 出现失效时不会爆炸、燃烧,比一般钽电解电容器安全.
图1. PA-Cap温度特性曲线
图2. PA-Cap、聚合物钽电容、普通钽电容的容量随频率变化
PA-Cap的应用
PA-Cap的应用范围很广,本文重点介绍在DC/DC转换器或开关电源输出电容、噪声吸收和高速?;し矫娴挠τ?,并与其他电解电容器进行对比。
a DC/DC转换器或开关电源输出电容
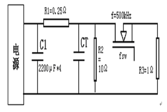
由于电子产品的工作电压不断地降低,而其功耗却在增大, 这就要求DC/DC转换器具有输出电压低和输出电流高等特点。作为DC/DC转换器或开关电源输出电容,要求在开关管的工作频率附近具有较低的纹波电压。为了观察PA-Cap在开关管一般工作频率下的纹波电压效果,进行了如图3所示的测试,其中的参数示于表1中。
图3. 开关电源滤波测试电路

表1. 开关电源测试电路参数
现分别用1只2V/220μF PA-Cap或2V/220μF松下公司聚合物固体叠层铝电解电容器(SP-Cap)接在输出电容Cout位置,测试其滤波效果。输出波形如图4和图5所示:
图4. 300KHz时PA-Cap 滤波效果
图5. 300KHz时SP-Cap滤波效果
如上面的滤波效果显示,当开关电源频率在300KHz左右时,同种规格的PA-Cap的输出均方根与SP-Cap的很接近,所以PA-Cap滤波效果基本接近于SP-Cap。由于具有低的ESR、允许的纹波电流大,所以PA-Cap也是DC/DC转换器或开关电源输出电容的优选电容之一。
b 噪声吸收
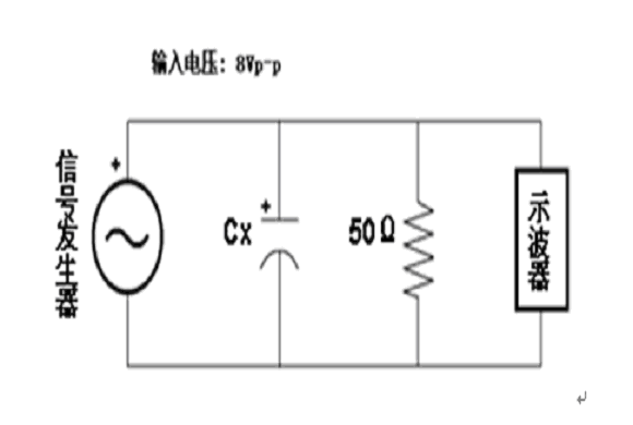
对于高质量声音影像的仪器设备来说,需要温度稳定性和消除高频噪声的能力。用于降低噪声的电容高频低阻,即具备低ESR和低ESL。但是,ESR过低,使得电容成为一个LC滤波器,产生谐振引起共振。电容的依存性很大程度上取决于它的电解质。PA-Cap采用温度系数低的导电高分子作为电解质,在宽温区域内具有良好的温度特性。
吸收噪声性能的测试电路示意图如图6所示,不同温度下测试2V/220μF结果如图7、8所示:
图6. 噪声吸收测试电路示意图
图7. 室温下均方根随频率变化
图8. 55度时均方根随频率变化
如上述图7、8曲线所示: 频率在100 KHz~500 KHz内,输入峰-峰电压为8V,负载为50Ω时,接上PA-Cap的输出均方根不超过2mV,吸收了近99%的噪声。所以,100 KHz~500 KHz为 PA-Cap理想工作频率范围。而且,不管在室温还是在55度下,10 KHz~1 MHz频率范围内, PA-Cap噪声吸收性能基本接近于SP-Cap。PA-Cap的温度稳定性和消除高频噪声能力也是相当优秀的。
c 高速保护
在全球节能的浪潮中,电子产品使用的IC,特别是MPU(微处理器)正超着高速度、低工作电压方向发展。低工作电压化带来了MPU的负载电流呈增加的趋势。MPU从休眠状态向高速突变时,MPU的负载变化剧烈,负载电流急剧变化,引起了电源线路的电压变动导致MPU的误操作。为了防止这种情况的出现,在MPU电源瞬态响应设计时,考虑在陶瓷电容附近提供一个电荷备用库。这个电荷备用库是通过低ESR、低ESL、大容量的电解电容来实现。过去一般应用钽电容作为电荷备用库,顾虑到现火灾隐患,现避免使用选用该类元件。
图9为高速保护测试电路,CT为测试电容——16 V/220μF普通钽电容、4V/82μF PA-Cap。
图9. 高速?;げ馐缘缏?br />
图10. 16 V/220μF普通钽电容的测试波形
图11 . 4V/82μF PA-Cap的测试波形
当MPU的负载电流急剧增大时,由于PA-Cap的ESR比普通钽电容小很多,所以接上PA-Cap的电源电压下降只有66mV比普通钽电容小好几倍(如图10、11所示),达到良好的去耦效果。PA-Cap不仅去耦效果好,而且不燃烧不爆炸,是MPU等数字电路作为高速?;け赣玫绾煽獾挠叛〉缛葜?。
结束语
新型电容器——PA-Cap聚合物片式叠层铝电解电容器,技术指标达到或接近国际先进水平,具有超越现有液体铝电解电容器和固体钽电解电容器的卓越电性能;稳定的频率特性和温度特性,宽温长寿命高可靠性。广泛应用于笔记本电脑、平板显示器、移动DVD、通讯电源、汽车电子、仪器仪表等高端数字化电子中。
参考文献
[1] PA-Cap○R聚合物固体片式铝电解电容器2006年产品手册
[2] PA-Cap○R聚合物固体片式铝电解电容器2007年企业标准
[3] 日本三洋公司产品资料
[4] 日本松下公司产品资料
[5] Yining Zhang等 Multilayer Polymer Aluminium Electrolytic Capacitors with Polypyrrole as Cathode Material [A]. CARTS USA 2008,pp433-437
作者简介:
张易宁,男,博士,福建国光新型电子元件与材料研究院院长,福建国光电子科技股份有限公司副总经理,研究方向为新型材料与元器件。
陈由雄,男,分析应用工程师,研究方向为电子元件器。




