【导读】光电编码器是一种通过光电转换将输出轴上的机械几何位移量转换成脉冲或数字量的传感器,本文主要介绍光电编码器在实际中的应用,光电编码器的结构原理和实际应用中的电路设计和电路实现。
光电编码器原理
图1:光电编码器原理图
根据检测原理,编码器可分为光学式、磁式、感应式和电容式。根据其刻度方法及信号输出形式,可分为增量式、绝对式以及混合式三种。
增量式编码器
增量式编码器是直接利用光电转换原理输出三组方波脉冲A、B和Z相;A、B两组脉冲相位差90海佣煞奖愕嘏卸铣鲂较颍鳽相为每转一个脉冲,用于基准点定位。它的优点是原理构造简单,机械平均寿命可在几万小时以上,抗干扰能力强,可靠性高,适合于长距离传输。其缺点是无法输出轴转动的绝对位置信息。1.2绝对式编码器
绝对编码器是直接输出数字量的传感器,在它的圆形码盘上沿径向有若干同心码道,每条道上由透光和不透光的扇形区相间组成,相邻码道的扇区数目是双倍关系,码盘上的码道数就是它的二进制数码的位数,在码盘的一侧是光源,另一侧对应每一码道有一光敏元件;当码盘处于不同位置时,各光敏元件根据受光照与否转换出相应的电平信号,形成二进制数。这种编码器的特点是不要计数器,在转轴的任意位置都可读出一个固定的与位置相对应的数字码。显然,码道越多,分辨率就越高,对于一个具有 N位二进制分辨率的编码器,其码盘必须有N条码道。目前国内已有16位的绝对编码器产品。
绝对式编码器是利用自然二进制或循环二进制(葛莱码)方式进行光电转换的。绝对式编码器与增量式编码器不同之处在于圆盘上透光、不透光的线条图形,绝对编码器可有若干编码,根据读出码盘上的编码,检测绝对位置。编码的设计可采用二进制码、循环码、二进制补码等。它的特点是:
可以直接读出角度坐标的绝对值;
没有累积误差;
电源切除后位置信息不会丢失。但是分辨率是由二进制的位数来决定的,也就是说精度取决于位数,目前有10位、14位等多种。
混合式绝对值编码器
混合式绝对值编码器,它输出两组信息:一组信息用于检测磁极位置,带有绝对信息功能;
另一组则完全同增量式编码器的输出信息。
光电编码器是一种角度(角速度)检测装置,它将输入给轴的角度量,利用光电转换原理转换成相应的电脉冲或数字量,具有体积小,精度高,工作可靠,接口数字化等优点。它广泛应用于数控机床、回转台、伺服传动、机器人、雷达、军事目标测定等需要检测角度的装置和设备中。
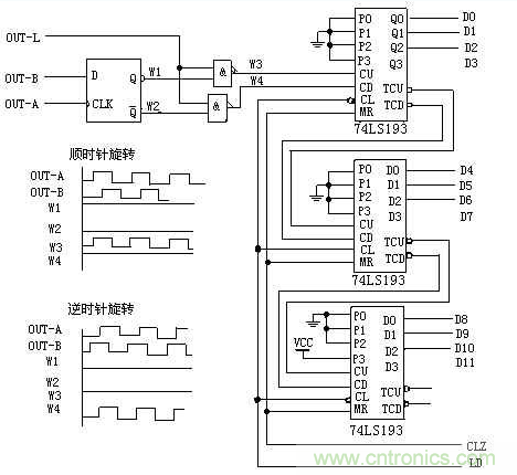
图2:光电编码器鉴相计数电路
光电编码器的应用电路
EPC-755A光电编码器的应用
EPC-755A光电编码器具备良好的使用性能,在角度测量、位移测量时抗干扰能力很强,并具有稳定可靠的输出脉冲信号,且该脉冲信号经计数后可得到被测量的数字信号。因此,我们在研制汽车驾驶模拟器时,对方向盘旋转角度的测量选用EPC-755A光电编码器作为传感器,其输出电路选用集电极开路型,输出分辨率选用360个脉冲/圈,考虑到汽车方向盘转动是双向的,既可顺时针旋转,也可逆时针旋转,需要对编码器的输出信号鉴相后才能计数。图2给出了光电编码器实际使用的鉴相与双向计数电路,鉴相电路用1个D触发器和2个与非门组成,计数电路用3片74LS193组成。
当光电编码器顺时针旋转时,通道A输出波形超前通道B输出波形90°,D触发器输出Q(波形W1)为高电平,Q(波形W2)为低电平,上面与非门打开,计数脉冲通过(波形W3),送至双向计数器74LS193的加脉冲输入端CU,进行加法计数;此时,下面与非门关闭,其输出为高电平(波形W4)。当光电编码器逆时针旋转时,通道A输出波形比通道B输出波形延迟90°,D触发器输出Q(波形W1)为低电平,Q(波形W2)为高电平,上面与非门关闭,其输出为高电平(波形W3);此时,下面与非门打开,计数脉冲通过(波形W4),送至双向计数器74LS193的减脉冲输入端CD,进行减法计数。
[page]
汽车方向盘顺时针和逆时针旋转时,其最大旋转角度均为两圈半,选用分辨率为360个脉冲/圈的编码器,其最大输出脉冲数为900个;实际使用的计数电路用3片74LS193组成,在系统上电初始化时,先对其进行复位(CLR信号),再将其初值设为800H,即2048(LD信号);如此,当方向盘顺时针旋转时,计数电路的输出范围为2048~2948,当方向盘逆时针旋转时,计数电路的输出范围为2048~1148;计数电路的数据输出D0~D11送至数据处理电路。
实际使用时,方向盘频繁地进行顺时针和逆时针转动,由于存在量化误差,工作较长一段时间后,方向盘回中时计数电路输出可能不是2048,而是有几个字的偏差;为解决这一问题,我们增加了一个方向盘回中检测电路,系统工作后,数据处理电路在模拟器处于非操作状态时,系统检测回中检测电路,若方向盘处于回中状态,而计数电路的数据输出不是2048,可对计数电路进行复位,并重新设置初值。
光电编码器在重力测量仪中的应用
采用旋转式光电编码器,把它的转轴与重力测量仪中补偿旋钮轴相连。重力测量仪中补偿旋钮的角位移量转化为某种电信号量;旋转式光电编码器分两种,绝对编码器和增量编码器。
增量编码器是以脉冲形式输出的传感器,码盘比绝对编码器码盘要简单得多且分辨率更高。一般只需要三条码道,这里的码道实际上已不具有绝对编码器码道的意义,而是产生计数脉冲。它的码盘的外道和中间道有数目相同均匀分布的透光和不透光的扇形区(光栅),但是两道扇区相互错开半个区。当码盘转动时,它的输出信号是相位差为90°的A相和B相脉冲信号以及只有一条透光狭缝的第三码道所产生的脉冲信号(它作为码盘的基准位置,给计数系统提供一个初始的零位信号)。从A,B两个输出信号的相位关系(超前或滞后)可判断旋转的方向。由图3(a)可见,当码盘正转时,A道脉冲波形比B道超前π/2,而反转时,A道脉冲比B道滞后π/2。图3(b)是一实际电路,用A道整形波的下沿触发单稳态产生的正脉冲与B道整形波相‘与’,当码盘正转时只有正向口脉冲输出,反之,只有逆向口脉冲输出。增量编码器是根据输出脉冲源和脉冲计数来确定码盘的转动方向和相对角位移量。通常,若编码器有N个(码道)输出信号,其相位差为π/ N,可计数脉冲为2N倍光栅数,现在N=2。图3电路的缺点是有时会产生误记脉冲造成误差,这种情况出现在当某一道信号处于‘高’或‘低’电平状态,另一道信号正处于‘高’和 ‘低’之间的往返变化状态,此时码盘虽然未产生位移,但是会产生单方向的输出脉冲。例如,码盘发生抖动或手动对准位置时(下面可以看到,在重力仪测量时就会有这种情况)。
图3:增量光电编码器基本波形和电路
图4:四倍计数方式的波形和电路
图4是一个既能防止误脉冲又能提高分辨率的四倍频细分电路。在这里,采用了有记忆功能的D型触发器和时钟发生电路。由图4可见,每一道有两个D触发器串接,这样,在时钟脉冲的间隔中,两个Q端(如对应B道的74LS175的第2、7引脚)保持前两个时钟期的输入状态,若两者相同,则表示时钟间隔中无变化;否则,可以根据两者关系判断出它的变化方向,从而产生‘正向’或‘反向’输出脉冲。当某道由于振动在‘高’、‘低’间往复变化时,将交替产生‘正向’和‘反向’脉冲,这在对两个计数器取代数和时就可消除它们的影响(下面仪器的读数也将涉及这点)。由此可见,时钟发生器的频率应大于振动频率的可能最大值。由图4还可看出,在原一个脉冲信号的周期内,得到了四个计数脉冲。例如,原每圈脉冲数为1000的编码器可产生4倍频的脉冲数是4000个,其分辨率为0.09°。实际上,目前这类传感器产品都将光敏元件输出信号的放大整形等电路与传感检测元件封装在一起,所以只要加上细分与计数电路就可以组成一个角位移测量系统(74159是4-16译码器)。




