桃花源qm花论坛(品茶),凤楼阁论坛官网入口网址,一品楼品凤楼论坛最新动态,风楼阁全国信息2024登录入口

你的位置:首页 > 电源管理 > 正文

使用高效率、高频率、低EMI DC/DC转换器降低对陶瓷电容的电源要求

发布时间:2020-07-01 来源:Zhongming Ye 责任编辑:wenwei

【导读】多层陶瓷电容器(MLCC)的价格在过去几年急剧上涨,究其原因,与汽车、工业、数据中心和电信行业使用的电源数量增加有关。陶瓷电容被用在电源输出端,用于降低输出纹波,以及控制因为高压摆率加载瞬变而导致的输出电压过冲和欠冲。输入端则要求陶瓷电容进行解耦和过滤EMI,这是因为在高频率下,它具备低ESR和低ESL。
 
为了提高工业和汽车系统的性能,需要将数据处理速度提高几个等级,并且在微处理器、CPU、片上系统(SoC)、ASIC和FPGA上集成更多耗电器件。这些复杂的器件类型需要多条稳压电轨:一般是内核0.8 V,DDR3和LPDDR4分别1.2 V和1.1 V,外设和辅助组件分别为5 V、3.3 V和1.8 V。降压(降压型)转换器被广泛用于调节电池或直流总线提供的电源。
 
例如,汽车中的高级驾驶员辅助系统(ADAS)产品组合大幅提升了陶瓷电容的使用率。随着电信行业开始采用5G技术,也需要用到高性能电源,这也会显著增加陶瓷电容的使用率。内核的电源电流从几安培增加到几十安培,且严格管控电源纹波、负载瞬变过冲/欠冲和电磁干扰(EMI),这些都需要额外的电容。
 
例如,汽车中的高级驾驶员辅助系统(ADAS)产品组合大幅提升了陶瓷电容的使用率。随着电信行业开始采用5G技术,也需要用到高性能电源,这也会显著增加陶瓷电容的使用率。内核的电源电流从几安培增加到几十安培,且严格管控电源纹波、负载瞬变过冲/欠冲和电磁干扰(EMI),这些都需要额外的电容。
 
更高的电源工作(开关)频率可以降低瞬变对输出电压造成的影响,降低电容需求和整体解决方案的尺寸,但是更高的开关频率往往会导致开关损耗增加,降低整体效率。能否在先进的微处理器、CPU、SoC、ASIC和FPGA需要极高的电流时,避免这种取舍并满足瞬变要求?
 
ADI公司的Linear™ 单芯片 Silent Switcher® 2 降压稳压器系列帮助实现紧凑的解决方案尺寸、高电流能力和高效率,更重要的是,还具备出色的EMI性能。LTC7151S单芯片降压稳压器使用Silent Switcher 2架构来简化EMI滤波器设计。谷电流模式可以降低输出电容需求。我们来看看适合SoC的20 V输入至1 V、15 A输出解决方案。
 
面向SoC的20 V输入、15 A解决方案
 
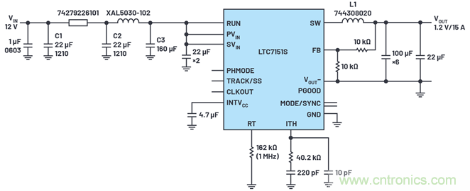
图1所示为适合SoC和CPU功率应用的1 MHz、1.0 V、15 A解决方案,其中输入一般为12 V或5 V,可能在3.1 V至20 V之间波动。只需要输入和输出电容、电感、几个小型电阻和电容即会组成完整的电源。此电路易于修改,以生成其他输出电压,例如1.8 V、1.1 V和0.85 V,一直到0.6 V。输出电轨的负回流(至 V–引脚)使得其能够对负载附近的输出电压实施远程反馈检测,最大限度降低板路径的压降导致的反馈误差。
 
图1所示的解决方案使用LTC7151S Silent Switcher 2稳压器,该稳压器采用高性能集成式MOSFET,以及28引脚散热增强型4 mm × 5 mm × 0.74 mm LQFN封装。通过谷电流模式实施控制。内置保护功能,以最大限度减少外部保护组件的数量。
 
顶部开关的最短导通时间仅为20 ns(典型值),可以在极高频率下直接降压至内核电压。热管理功能支持可靠、持续地提供高达15 A的电流、20 V的输入电压,无散热或气流,因此非常适合电信、工业、交通运输和汽车应用领域的SOC、FPGA、DSP、GPU和微处理器使用。
 
LTC7151S具备广泛的输入范围,可以用作一级中间转换器,支持多个下游负载点或LDO稳压器在5 V或3.3 V时达到最高15 A。
 
使用高效率、高频率、低EMI DC/DC转换器降低对陶瓷电容的电源要求
图1.适用于SoC和CPU的1 MHz、15 A降压稳压器的原理图和效率。
 
使用最小的输出电容,满足严格的瞬变规格
 
一般来说,会扩大输出电容,以满足回路稳定性和负载瞬态响应要求。对于为处理器提供内核电压的电源,这些要求尤其严格,必须出色地控制负载瞬变过冲和欠冲。例如,在负载阶跃期间,输出电容必须介入,立即提供电流来支持负载,直到反馈回路将开关电流增高到足以接管。一般来说,可以通过在输出端安装大量多层陶瓷电容来抑制过冲和欠冲,在快速负载瞬变期间满足电荷存储要求。
 
另外,提高开关频率也可以改善快速回路响应,但这会增大开关损耗。
 
还有第三种选项:支持谷电流模式控制的稳压器可以动态改变稳压器的开关 TON和TOFF时间,以满足负载瞬变需求。如此,可以大幅降低输出电容,以满足快速瞬变时间。图2所示为LTC7151S Silent Switcher稳压器立时响应4 A至12 A负载阶跃和8 A/µs压摆率之后的结果。LTC7151S采用受控导通时间(COT)谷电流模式架构,支持开关节点在4 A至12 A负载阶跃瞬变期间压缩脉冲。在上升沿启动约1 µs之后,输出电压开始恢复,过冲和欠冲则限制在46 mV峰峰值。图2a中所示的3个100 µF陶瓷电容足以满足典型的瞬变规格要求,如图2b所示。图2c显示负载阶跃期间的典型开关波形。
 
使用高效率、高频率、低EMI DC/DC转换器降低对陶瓷电容的电源要求
图2.(a) 这种5 V输入至1 V输出的应用在2 MHz下运行,需要最小的输出电容达到快速地响应(b)负载阶跃,以及负载阶跃期间的(c)开关波形。
 
3 MHz高效降压型稳压器可用于狭小空间
 
LTC7151S采用4 mm × 5 mm × 0.74 mm封装,其中集成了MOSFET、驱动器和热回路电容。让这些组件彼此靠近可以降低寄生效应,以便快速开关这些开关,且保持很短的死区时间??氐姆床⒘艿牡纪ㄋ鸷囊泊蟠蠼档?。集成式热回路解耦电容和内置补偿电路也可以帮助降低设计复杂性,最大限度减小解决方案的总体尺寸。
 
如前所述,顶部开关的20 ns(典型)最短间隔允许在高频率下实现极低的占空比转换,使得设计人员能够利用极高频率操作(例如3 MHz)来降低电感、输入电容和输出电容的大小和值。极为紧凑的解决方案适用于空间有限的应用,例如汽车和医疗应用领域的便携式设备或仪器仪表。使用LTC7151S时,可以不使用大体积散热组件(例如风扇和散热器),这是因为LTC7151S支持高性能功率转换,即使在极高频率下也是如此。
 
图3显示在3 MHz开关频率下运行的5 V至1 V解决方案。伊顿提供的小尺寸100 nH电感和3个100 µF/1210陶瓷电容一起,提供适用于FPGA和微处理器应用的纤薄紧凑型解决方案。效率曲线如图3b所示。在室温下,全负载范围内温度上升约15°C。
 
使用高效率、高频率、低EMI DC/DC转换器降低对陶瓷电容的电源要求
图3.5 V输入至1 V/15 A,fSW = 3 MHz下的稳压器原理图和效率。
 
Silent Switcher 2技术帮助实现出色的EMI性能
 
使用15 A应用满足已经发布的EMI规范(例如CISPR 22/CISPR 32传导和辐射EMI峰值限值),可能意味着多个迭代板旋转,涉及在解决方案尺寸、总效率、可靠性和复杂性之间取舍。传统方法通过减慢开关边沿和/或降低开关频率来控制EMI。这两种方法都会产生不良的影响,例如效率下降,最短接通和关断时间增加,以及增大解决方案尺寸。复杂、大尺寸的EMI滤波器或金属屏蔽等强力EMI消除方案在所需的电路板空间、组件和装配方面增加了大量成本,并使热管理和测试复杂化。
 
使用15 A应用满足已经发布的EMI规范(例如CISPR 22/CISPR 32传导和辐射EMI峰值限值),可能意味着多个迭代板旋转,涉及在解决方案尺寸、总效率、可靠性和复杂性之间取舍。传统方法通过减慢开关边沿和/或降低开关频率来控制EMI。这两种方法都会产生不良的影响,例如效率下降,最短接通和关断时间增加,以及增大解决方案尺寸。复杂、大尺寸的EMI滤波器或金属屏蔽等强力EMI消除方案在所需的电路板空间、组件和装配方面增加了大量成本,并使热管理和测试复杂化。
 
LTC7151S前端采用简单的EMI滤波器,在EMI测试室中接受测试,通过了CISPR 22/ CISPR 32导通和辐射EMI峰值限值认证。图4显示1 MHz、1.2 V/15 A电路的原理图,图5显示吉赫兹横电磁波(GTEM)电池的辐射EMI CISPR 22的测试结果。
 
使用高效率、高频率、低EMI DC/DC转换器降低对陶瓷电容的电源要求
图4.开关频率为1 MHz的1.2 V稳压器的原理图。
 
使用高效率、高频率、低EMI DC/DC转换器降低对陶瓷电容的电源要求
图5.GTEM中的辐射EMI通过CISPR 22 Class B限值测试。
 
结论
 
智能电子、自动化和传感器在工业和汽车环境中的普及,提高了对电源数量和性能的要求。特别是低EMI,已成为更加重要的关键电源参数考量因素,除此以外,还包括小解决方案尺寸、高效率、热性能、稳健性和易用性等常规要求。
 
LTC7151S使用ADI公司Power by Linear部的Silent Switcher 2技术,尺寸紧凑,可以满足严格的EMI需求。LTC7151S支持谷电流模式控制和高频率操作,可以动态变更TON和TOFF时间,几乎立即主动支持负载瞬变,因此可以使用更小的输出电容和快速响应。具备集成MOSFET和热管理性能,可以稳定可靠地从高达20 V的输入范围持续提供高达15 A电流。
 
 
推荐阅读:
 
轻松快速设计开关模式电源EMI滤波器
适用于微型电机驱动应用的快速反应、光学编码器反馈系统
充分利用数字信号处理器上的片内FIR和IIR硬件加速器
创建高性价比的多功能锂离子电池测试解决方案
直流电机驱动器能量回收
要采购开关么,点这里了解一下价格!
特别推荐
技术文章更多>>
技术白皮书下载更多>>
热门搜索
电池 电池管理系统 电磁蜂鸣器 电磁兼容 电磁炉危害 电动车 电动工具 电动汽车 电感 电工电路 电机控制 电解电容 电缆连接器 电力电子 电力继电器 电力线通信 电流保险丝 电流表 电流传感器 电流互感器 电路?;?/a> 电路图 电路图符号 电路图知识 电脑OA 电脑电源 电脑自动断电 电能表接线 电容触控屏 电容器
?

关闭

?

关闭