【导读】EMC描述的是产品两个方面的性能,即电磁发射/干扰EME和电磁抗扰EMS。EME中又包含传导和辐射;而EMS中又包含静电、脉冲群、浪涌等。本文将从EMS中的浪涌抗扰度的角度出发,分析设计电源的前级电路。
抗浪涌的电路分析
如图1所示为小功率电源模块中常用的EMC前级原理图,FUSE为保险丝,MOV为压敏电阻,Cx为X电容,LDM为差模电感,Lcm为共模电感,Cy1和Cy2为Y电容,NTC为热敏电阻。其中Y电容、共模电感等的主要作用虽然不是为了改善电路的浪涌抗扰度,但它们却间接地影响了抗浪涌电路的设计。

图1:常用EMC前级电路
对ACL与ACN之间施加的浪涌电压称为差模浪涌电压,差模路径如图中红线所示;对ACL(或ACN)与PE之间施加的电压称为共模浪涌电压,共模路径如图中蓝线所示。
在设计抗浪涌电路前必须先确定相应的“电磁兼容标准”,如IEC/EN 61000-4-5(对应GB/T 17626.5)中规定了浪涌抗扰度要求、试验方法、试验等级等。下面我们将以该标准的规定为基础来讨论抗浪涌电路的设计。
浪涌发生电路在输出开路时,产生1.2/50μs的浪涌电压,而在短路时将产生8/20μs的浪涌电流。
发生器的有效输出阻抗为2Ω,故当开路电压峰值为XKV时,短路峰值电流为(X/2)KA。
当对ACL(或ACN)和PE之间进行抗浪涌测试时,在耦合电路上又串入了10Ω的电阻,忽略掉串联耦合电容的影响,则短路峰值电流变为约(X/12)KA。
相关器件介绍
1、压敏电阻
压敏电阻的选型最重要的几个参数为:最大允许电压、最大钳位电压、能承受的浪涌电流。
首先应保证压敏电阻最大允许电压大于电源输出电压的最大值;其次应保证最大钳位电压不会超过后级电路所允许的最大浪涌电压;最后应保证流过压敏电阻的浪涌电流不会超过其能承受的浪涌电流。
其他参数如额定功率、能承受的最大能量脉冲等,通过简单验算或实验即可确定。
2、Y电容
在进行共模浪涌测试时,若考虑成本等因素,在共模路径中未加入压敏电阻或其他用于钳位电压的器件时,应保证Y电容耐压高于测试电压。
3、输入整流二极管
假设浪涌电压经压敏电阻钳位后,最大钳位电压大于输入整流二极管能承受的最大反向电压,则二极管可能会被损坏。因此应选择反向耐压大于压敏电阻最大钳位电压的二极管作为输入整流二极管。
4、共模电感
理论上共模电感仅在共模路径中起作用,但是因为共模电感两个绕组并非完全耦合,未耦合部分将在差模路径中作为差模电感,影响EMC特性。
实例分析
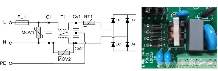
背景:以某型号的电源??槲?,该??槭荶LG致远电子为某客户定制的电源???,输入85VAC~350VAC,且EMC前级电路电路嵌入到??橹小?估擞恳蟛钅5缪?KV,共模电压6KV。更换更大的保险丝后可承受6KV差模电压。其前级原理图及对应实物图如图2所示。

图2:实例原理图与实物图
1、差模浪涌测试
压敏电阻选型时,首先应使最大允许电压略大于350V,此电压等级压敏电阻最大钳位电压为1000V左右(50A测试电流下)。其次在差模路径上,等效于一个内阻为2Ω、脉冲电压为6KV的电压源与压敏电阻串联,则峰值电流约为(6KV-1KV)/2Ω=2500A。最终选择了681KD14作为压敏电阻。其峰值电流为4500A,最大允许工作电压385VAC,最大钳位电压1120V。
不必担心,因为共模电感中未耦合的部分,在差模路径中作为差模电感,将分得部分电压,事实上,在共模电感后级,电路已得到?;?,经试验验证,整流二极管选择常用的1N4007即可。
2、共模浪涌测试
当对ACL-PE或ACN-PE测试6KV浪涌时,即共模浪涌试验,共模路径等效为一个内阻约为12Ω,脉冲电压为6KV的电压源与共模电感、Y电容串联。因为Y电容选择Y1等级电容,其耐压较高,6KV共模浪涌的能量不足以使其损坏,因此仅需保证PE布线与其他布线保持一定间接,即可很容易地通过共模浪涌测试。
但是,因为浪涌测试时共模电感两端将产生高压,出现飞弧。若与周围器件间距较近,可能使周围器件损坏。因此可在其上并联一个放电管或压敏电阻限制其电压,从而起到灭弧的作用。如图中MOV2所示。
另一种办法是在PCB设计时,在共模电感两端加入放电齿,使得电感通过两放电尖端放电,避免通过其他路径放电,从而使得对周围和后级器件的影响减到最小。如图3是ZLG致远电子型号为PA1HBxOD-10W的电力电源模块PCB在共模电感处加入的放电齿的实物图。

图3:放电齿实物图
总结
EMC试验通常实践性很强,但如果我们掌握一些基本原理,在设计EMC前级电路时,将更有方向进行试验,从而缩短项目开发的时间。本文章结合了一个简单的实例,从浪涌试验的角度介绍了前级电路器件选型和典型电路,在以后的文章中我们将继续更深入的探讨抗浪涌电路相关内容,并从其他EMC性能指标的角度来设计EMC前级电路。
完善的浪涌防护电路搭配性能稳定的电源??榻嶙畲蟪潭鹊谋Vは低彻┑绲奈榷煽?。ZLG致远电子自主研发、生产的隔离电源模块,具有宽输入电压范围,隔离1000VDC、1500VDC、3000VDC及6000VDC等多个系列,封装形式多样,兼容国际标准的SIP、DIP等封装。
同时ZLG致远电子为保证电源产品性能建设了行业内一流的测试实验室,配备最先进、齐全的测试设备,全系列隔离DC-DC电源通过完整的EMC测试,静电抗扰度高达4KV、浪涌抗扰度高达2KV,可应用于绝大部分复杂恶劣的工业现场,为用户提供稳定、可靠的电源隔离解决方案。

来源:ZLG致远电子






