桃花源qm花论坛(品茶),凤楼阁论坛官网入口网址,一品楼品凤楼论坛最新动态,风楼阁全国信息2024登录入口

你的位置:首页 > 电源管理 > 正文

第二讲:有刷直流电机控制设计的注意事项

发布时间:2013-02-21 责任编辑:abbywang

【导读】虽然无刷直流电机的应用范围不断扩大,但是直流电机凭借成本低这一优势仍然被继续沿用,本期大讲台将重点介绍有刷直流电机控制设计时的注意事项,以及低压直流电机设计时的注意事项。


刷式直流电机使用刷子进行换向。电枢或转子具有绕线,可端接至换向器。刷子通过形成或断开接触为电枢提供电源。定子可能具有两个或更多永久磁性;相反的定子磁性极性和激磁绕线异极相吸,导致转子旋转。当转子与定子位置对齐时,刷子将跨越换向器并驱动下一个绕线。刷式直流电机需要维护并具有线性扭矩/电流曲线。这些电机易于控制,其速度和扭矩与电流和电压成正比。

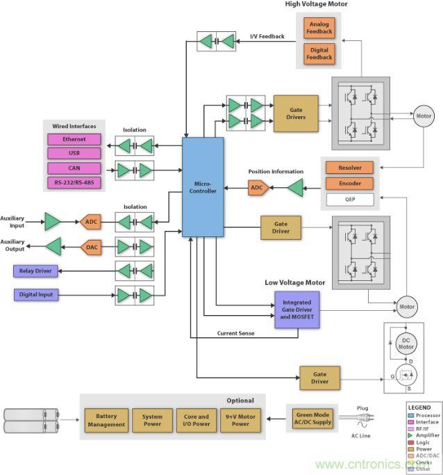
图1:刷式直流电机系统的方框图 (SBD),它具有微处理器、闸极驱动器、隔离器件、工业接口和电源管理。
图1:刷式直流电机系统的方框图 (SBD),它具有微处理器、闸极驱动器、隔离器件、工业接口和电源管理。

刷式直流电机控制设计注意事项

微处理器

具有 4 个脉宽调制器 (PWM) 信号的任何 MCU 系列均可以用于驱动连接到刷式直流电机的 H 桥 DC/DC 转换器。根据控制算法的复杂性,反馈控制可能使用霍尔传感器或编码器。

鉴于其在工作模式和休眠模式中的超低功耗操作功能,TI 的 MSP430 可以成为控制低端、电池供电的刷式直流电机系统的理想选择。C2000 和 Stellaris MCU 具有 QEI 输入,可接受编码器输入。Hercules MCU 可通过灵活的 HET 协处理器接收编码器输入。如果需要高性能和实时操作,C2000 MCU 系列就是最佳选择。C2000 或 Stellaris MCU 可满足中端系统要求。Hercules MCU 是系统需要基于 IEC61508 等安全标准认证时的首选并可支持各种性能需求。

隔离

TI 数字隔离器具有逻辑输入和输出缓冲器,这些缓冲器由 TI 的二氧化硅 (SiO2) 隔离势垒进行隔离,可提供 4kV 隔离。当与隔离电源配合使用时,这些器件可阻止高电压、隔离接地以及防止噪声电流进入本地接地并干扰或损害敏感电路。

接口/连接

传统模拟 RS-232/RS-485 接口一直是电机控制应用的常见选择。展望未来,设计人员将在其产品中集成主流接口,如以太网、USB 和 CAN。TI 致力于同时为传统和新兴工业接口提供解决方案。例如,TI 最近推出了全世界首款隔离式 CAN 收发器 ISO1050。

电源管理

德州仪器 (TI) 提供从标准 IC 到高性能插件、变压器、数字电源 MOSFET 和集成电源??榈牡缭垂芾?IC 解决方案。从 AC/DC 和 DC/DC 电源、线性稳压器和非隔离式开关 DC/DC 稳压器到 PMIC 和电源及显示解决方案,德州仪器 (TI) 的电源管理 IC 解决方案都能帮助您完成项目开发。

[page]
小型电动机械驱动包括螺线管驱动、单向 DC、双向 DC 或无刷 DC 系统,通常按照帧大小和功率(以瓦计)来划分大小。

图2:低电压电机控制方框图
图2:低电压电机控制方框图

低电压电机控制设计注意事项

内核子系统包括:

控制器

TI 可提供用于控制处理器的各种解决方案;从超低功耗 MSP430 微处理器到 ARM 基于 Hercules 的Cortex-R4F 安全 MCU 和 C2000 数字信号控制器 (DSC).合适的控制器可以优化电机驱动效率、提高可靠性和降低系统总成本。C2000 控制器的 32 位 DSP 级性能和电机控制优化的片上外设使用户可以轻松实施高级算法,例如三相电机的无传感器矢量控制。C2000 系列提供软件兼容的控制器,范围从低成本 F28016 到业界首款 TMS320F28335 浮点 DSC。

电机/螺线管驱动器电路

PWM 驱动器(例如 1.2A DRV104)可以与用于驱动螺线管或阀门(由 +8V 至 +32V 单电源供电)的电阻性负载或电感负载兼容。低压 DC 电机的设计人员可能会选择具有 0V 至 16V、50mA PWM 闸极驱动输出的 TPIC2101 前置 FET 驱动器。TPIC2101 驱动外部、低侧 NMOS 功率晶体管的闸极,从而为电机或其它负载提供 PWM 控制的电源。它包含软启动、过压/欠压?;ず?100% 占空比功能。可以使用 TPIC2101 控制永久磁性 DC 电机的转子速度或控制流经螺线管、加热器或白炽灯泡的电源。要获得更高的驱动电流,可能需要一个具有 0 至 5A 电流限制的高电压、大电流运算放大器 (OPA548)(它通过电阻/分压器实现外部控制)或电流输出 DAC(例如 DAC7811 或 DAC8811)。另外,MOSFET 驱动器(如 UCC37321 或 UCC37323)被认为可以直接驱动更小的电机或驱动电源设备,例如 MOSFET 或 IGBT。

隔离

TI 数字隔离器具有逻辑输入和输出缓冲器,它由可提供 4kV 隔离的 TI 二氧化硅 (SiO2) 隔离势垒进行隔离。当与隔离电源配合使用时,这些器件可以阻止高电压、隔离接地以及防止噪声电流进入本地接地和干扰或损害敏感的电路。

控制器接口

RS-232 或 RS-422 适用于许多系统。RS-485 信令可以与 Profibus、Interbus、Modbus 或 BACnet 等协议一起使用,这些协议都是针对最终用户的特定要求定制的。有时,控制器局域网 (CAN) 或 EtherNet/IP(工业协议)更注重网络需求。M-LVDS 可提供更低功耗以供选择。

使用外部电路的运动反馈

隔离式 Δ-Σ 调制器 (AMC1203/AMC1210) 是并联测量平面假信号的理想选择,并且可以提高电流反馈分辨率。这些调制器易于使用,并且可以为编码器提供过采样和滤波。为了测量控制器输入和系统反馈,INA159 差动放大器可以为使用 5V 或 3.3V 电源的模数转换器 (ADC) 提供 ?10V (20Vpp) 信号。ADC(如 ADS7861/ADS7864 或 ADS8361/ADS8364)可提供 4 通道或 6 通道同步电流采样。INA19x(x=3 至 8)和 INA20x(x=1 至 9)可以提供宽泛的共模电压,并且能够进行低端和高端电流并联监视。
 

要采购编码器么,点这里了解一下价格!
特别推荐
技术文章更多>>
技术白皮书下载更多>>
热门搜索
?

关闭

?

关闭