桃花源qm花论坛(品茶),凤楼阁论坛官网入口网址,一品楼品凤楼论坛最新动态,风楼阁全国信息2024登录入口

你的位置:首页 > 电源管理 > 正文

安森美用于白家电的无刷直流(BLDC)电机驱动及控制方案

发布时间:2012-10-18 责任编辑:rexliu

[导读]安森美半导体在电机驱动器设计、生产及应用方面拥有丰富经验,提供宽广范围的电机驱动及控制方案,本文将介绍电机驱动器/控制器在白家电产品中的典型应用,以及安森美半导体高能效、高可靠性BLDC电机驱动器/控制器方案。

电机又称马达,是一种依据电磁感应定律实现电能转换或传递的装置,主要作用是产生驱动转矩,作为电器或各种机械的动力源。 按工作电源来分,电机包括交流(AC)电机和直流(DC)电机。其中直流电机又包括采用机械式换向的有刷直流电机和采用电子换向的无刷直流(BLDC)电 机。BLDC电机又分旋转电机和步进电机,具有显著的节能、低噪声和优异变速性能等特性,特别适合于电冰箱、空调及洗衣机等白家电应用。随着国家各项节能 政策的出台,家电行业已经开始广泛导入BLDC电机。要使这些BLDC电机可靠、高效地工作,设计人员需要选择恰当的电机驱动或控制方案。


图:BLDC电机

安森美半导体在电机驱动器设计、生产及应用方面拥有丰富经验,提供宽广范围的电机驱动及控制方案。本文将介绍电机驱动器/控制器在白家电产品中的典型应用,以及安森美半导体高能效、高可靠性BLDC电机驱动器/控制器方案。

电机驱动器/控制器在白家电中的应用

据统计,电冰箱中使用的电机数量最多,达到约5个;空调和烘干及洗衣机也都要用到2个电机。电冰箱的直流风扇电机、自动制冰机及阻尼器,烘干及洗衣机的节 气阀和排水/供水泵等应用通常会使用到单芯片的集成电机驱动器,而空调的直流风扇室外机/室内机、烘干及洗衣机的直流风扇电机会使用到电机控制器。这些电 机驱动器/控制器适合的电压及电流范围也各不相同,如图1所示。

 电机驱动器/控制器在白家电中的应用

下文将探讨这三类重点白家电产品不同细分应用的要求,以及安森美半导体相应的解决方案。
[page]
电冰箱用BLDC电机驱动器

1) 直流风扇电机

对于电冰箱而言,通过风机通风来排热是重要功能。安森美半导体提供应用于电冰箱通风用BLDC电机驱动的单相及3相电机驱动器,包括单相带传感器脉宽调制 (PWM)软开关电机驱动器LV8861VH、三相无传感器脉冲幅度调制(PAM)电机驱动器LB11685AV,以及三相无传感器PWM软开关电机驱动 器LV8804FV和LV8805SV等。这些器件提供静音驱动、高能效、变速控制及锁定保护等关键特性。

其中,LV8861VH是最大能耗仅1.3 W的单相风扇电机驱动器。这器件的VCC为7至18 V,输出电流可达1.2 A。LV8861VH藉安静的PWM驱动器提供单相全波工作,实现静音驱动,并提供高能效。这器件可由PWM输入来控制速度,帮助简化设计;其它特性包括 产生的热量低、包含快速启动电路、锁定保护及自动恢复电路、可调节限流器、过热关闭等。

  LV8861VH框图及应用示意图
LB11685AV采用无传感器设计,简化制造;软启动有利于提升启动时的稳定性;软开关则有助于提供静音驱动;锁定?;ぬ匦砸部煞乐故艿剿鸹?。

LV8804FV和LV8805SV均是三相BLDC电机无传感器驱动IC。三相驱动器支持低能耗及低振动工作。无霍尔传感器驱动器支持减小电机系统的尺寸。这两颗IC非常适合于像电冰箱风扇及服务器风扇这样的要求高可靠性及长使用寿命的应用。

  LV8804FV框图

2) 自动制冰机


除了通风,自动制冰机也是BLDC电机在电冰箱中的重要应用领域。安森美半导体提供用于自动制冰机BLDC电机驱动的器件包括LB1948M和 LV8548M等,这些器件提供高击穿电压、高能效和零待机电流等关键特性。LB1948M是2通道、12 V低饱和电压驱动、正向/反向电机驱动器,采用强固的击穿设计,在待机模式下的电流消耗为零,在输出电流IO为400 mA条件下的饱和电压VO(sat)典型值仅为0.5 V。LV8548M是单通道步进电机驱动器,也可用于2通道H桥直流电机驱动。LV8548M的励磁模式包括满步及半步等,提供不同的步幅调节;这器件的 导通阻抗仅为1 Ω,帮助提升能效;待机模式下的电流消耗同样为零,提供低能耗工作。

 LV8548M框图(左图:驱动2个直流电机;右图:驱动1个步进电机)

3) 阻尼器


阻尼器主要用于起缓冲作用,当作用点运动很慢时,几乎没有阻力,而在作用点运动较快时阻力就明显增大,广泛用于电冰箱和洗衣机等应用。安森美半导体用于电 冰箱阻尼器的电机驱动器除了上述LB1948M和LV8548M,还包括LB1909M和LV8549M。这些器件提供高击穿电压、高能效及低待机电流等 关键特性。

LB1909M框图。 

其中,LB1909M采用简化设计的三端口接口,是一款双通道低饱和电压步进电机驱动器,工作电源电压为2.5 V至16 V,待机状态下的电流消耗为零,内置过热关闭电路。而LV8549M是一款单通道低饱和电压步进电机驱动器,导通阻抗仅为1 Ω,帮助提升能效;待机模式下的电流消耗同样为零,提供低能耗工作。LV8549M的最大电源电压为20 V,最大输出电流可达1 A。

[page]
烘干及洗衣机用电机驱动器

烘干及洗衣机阻尼器的关键要求跟电冰箱阻尼器相同,可采用的单芯片电机驱动器有如LB1948M、LV8548M、LB1909M和LV8549M等。

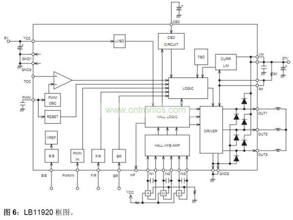
除了阻尼器,烘干及洗衣机的排水/供水泵也会用到直流电机。安森美半导体用于烘干及洗衣机的电机驱动器包括LB11920和LB1975等,具有高 能效和变速控制等关键特性。其中,LB11920是一款三相BLDC电机驱动器,采用直接的PWM驱动,易于控制,PWM占空比可由IC的输入控制。 LB11920支持9.5 V至30 V的宽供电电压范围。这器件内置高边及低边反冲吸收二极管,提供反冲?;?。其它特性包括短路制动、限流、低压?;?、电机锁定?;ぜ肮缺;さ?。

 LB11920框图。

LB1975也是一款三相BLDC电机驱动器,能够承受46 V电压和2.5 A输出电流,除了可用于烘干及洗衣机的排水/供水泵电机驱动,还可用于其直流风扇风机驱动。
空调室内机/室外机用直流风扇电机控制器

常见的房间空调包括室内机及室外机等不同组成部分,均会使用到直流风扇。安森美半导体为空调室内机/室外机直流风扇提供的电机控制器结合了保护电路和混合 集成电路(HIC),具有高能效及静音驱动等关键特性。这些器件包括LC08000M、LV8139JA和LV8136V等。

其中,LC08000M是安森美半导体正在开发的一款三相BLDC风扇电机控制信号处理器。这器件采用磁场定向控制(FOC)技术,具有超高能效。 这器件采用带霍尔传感器的FOC工作,能够以FOC进行闭环速度控制,具有静音驱动、宽工作条件下高能效驱动、FOC无须软件开发、易于调配等关键特性, 还集成了多种?;すδ?,如过流?;?、锁定?;ぜ白远指础⒎醋;?、霍尔传感器故障检测、外部故障信号输入、低压?;?、温度异常检测及异常状态输出等。

 LC08000M应用示意图

LV8136V是一款三相BLDC电机用PWM系统预驱动IC。这器件使用高能效、安静的PWM驱动(150°驱动系统),能够降低驱动噪声。这器 件可与安森美半导体STK611或STK5C4系列的HIC结合使用,并提供了与这系列HIC互补的?;さ缏罚芄患跎僭骷考疤峁└呖煽啃?。这器件 还提供省电模式,可将待机模式下的能耗降至零。LV8139JA则提供180°PWM静音驱动。
要采购电机驱动器么,点这里了解一下价格!
特别推荐
技术白皮书下载更多>>
热门搜索
?

关闭

?

关闭