- 高频MOS驱动电路仿真波形实验波分析
- 保证导通期间GS电压稳定C值需取大些
- 变压器选用较高磁导如5K、7K等高频环形磁芯
1 引言
开关电源由于体积小、重量轻、效率高等优点,应用已越来越普及。MOSFET由于开关速度快、易并联、所需驱动功率低等优点已成为开关电源最常用的功率开关器件之一。而驱动电路的好坏直接影响开关电源工作的可靠性及性能指标。一个好的MOSFET驱动电路的要求是:

(2)开关管导通期间驱动电路能保证MOSFET栅源极间电压保持稳定使可靠导通;
(3)关断瞬间驱动电路能提供一个尽可能低阻抗的通路供MOSFET栅源极间电容电压的快速泄放,保证开关管能快速关断;
(4)关断期间驱动电路最好能提供一定的负电压避免受到干扰产生误导通;
(5)另外要求驱动电路结构简单可靠,损耗小,最好有隔离。
本文介绍并讨论分析一下作者在研制开关电源中使用的几种结构简单可行的MOSFET管驱动电路。
2 几种MOSFET驱动电路介绍及分析
2.1 不隔离的互补驱动电路

图1(a)为常用的小功率驱动电路,简单可靠成本低。适用于不要求隔离的小功率开关设备。图1(b)所示驱动电路开关速度很快,驱动能力强,为防止俩个MOSFET管直通,通常串接一个0.5~1Ω小电阻用于限流,该电路适用于不要求隔离的中功率开关设备。这两种电路结构特简单。
功率MOSFET属于电压型控制器件,只要栅极和源极之间施加的电压超过其阈值电压就会导通。由于MOSFET存在结电容,关断时其漏源两端电压的突然上升将会通过结电容在栅源两端产生干扰电压。常用的互补驱动电路的关断回路阻抗小,关断速度较快,但它不能提供负压,故其抗干扰性较差。为了提高电路的抗干扰性,可在此种驱动电路的基础上增加一级由V1、V2、R组成的电路,产生一个负压,电路原理图如图2(a)所示。
[page]
当V1导通时,V2关断,两个MOSFET中的上管的栅、源极放电,下管的栅、源极充电,即上管关断、下管导通,则被驱动的功率管关断;反之V1关断时,V2导通,上管导通,下管关断,使驱动的管子导通。因为上下两个管子的栅、源极通过不同的回路弃、放电,包含有V2的回路由于V2会不断退出饱和直至关断,所以对于S1而言导通比关断要慢,对于S2而言导通比关断要快,所以两管发热程度也不完全一样,S1比S2发热要严重。该驱动电路的缺点是需要双电源,且由于R的取值不能过大,否则会使V1深度饱和,影响关断速度,所以R上会有一定的损耗。

还有一种与其相类似的电路如图2(b)所示,改进之处在于它只需要单电源。其产生的负压由5.2V的稳压管提供。同时PNP管换成NPN管。在该电路中的两个MOSFET中,上管的发热情况要比下管较轻,其工作原理同上面分析的驱动电路,故不再赘述。
2.2 隔离的驱动电路
(1)正激式驱动电路

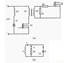
电路原理图如图3(a)所示,N3为去磁绕组,S2为所驱动的功率管。R2为防止功率管栅极、源极端电压振荡的一个阻尼电阻。因变压器漏感较小,且从速度方面考虑,一般R2较小,故在分析中忽略不计。其工作波形分为两种情况,一种为去磁绕组导通的情况,见图4(a);一种为去磁绕组不导通的情况,见图4(b)。
等值电路图如图3(b)所示,脉冲变压器的副边并联—电阻R1,它做为正激式变换器的假负载,用于消除关断期间输出电压发生振荡而误导通,见图5。同时它还可作为功率MOSFET关断时的能量泄放回路。该驱动电路的导通速度主要与被驱动的S2栅、源极等效输入电容的大小、S1的驱动信号的速度以及S1所能提供的电流大小有关。由仿真及分析可知,占空比D越小、R1越大、L越大,磁化电流越小,U1值越小,关断速度越慢。
该电路具有以下优点:①电路结构简单可靠,实现了隔离驱动。②只需单电源即可提供导通时正、关断时负压。③占空比固定时,通过合理的参数设计,此驱动电路也具有较快的开关速度。该电路存在的缺点:一是由于隔离变压器副边需要一个假负载防震荡,故该电路损耗较大;二是当占空比变化时关断速度变化加大。脉宽较窄时,由于是贮存的能量减少导致MOSFET栅极的关断速度变慢。表1为不同占空比时关断时间toff(驱动电压从10伏下降到0伏的时间)内变化情况。


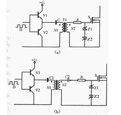
(2)有隔离变压器的互补驱动电路
如图6(a)所示,V1、V2为互补工作,电容C起隔离直流的作用,T1为高频、高磁率的磁环或磁罐。导通时隔离变压器上的电压为(1-D)Ui、关断时为DUi,若主功率管S可靠导通电压为12V,则隔离变压器原副边匝比N1/N2为12/(1-D)/Ui。为保证导通期间GS电压稳定C值可稍取大些。实验波形见图7(a)。该电路具有以下优点:
①电路结构较简单可靠,具有电气隔离作用。当脉宽变化时,驱动的关断能力不会随着变化。
②该电路只需一个电源,即为单电源工作。隔直电容C的作用可以在关断所驱动的管子时提供一个负压,从而加速了功率管的关断,且有较高的抗干扰能力。
但该电路所存在的一个较大缺点是输出电压的幅值会随着占空比的变化而变化。当D较小时,负向电压小,该电路的抗干扰性变差,且正向电压较高,应该注意使其幅值不超过MOSFET栅极的允许电压。当D大于0.5时驱动电压正向电压小于其负向电压,此时应该注意使其负电压值不超过MOSFET栅极的允许电压。所以该电路比较适用于占空比固定或占空比变化范围不大以及占空比小于0.5的场合。
6(b)为占空比大于0.5时适用的驱动电路,其中Z2为稳压二极管,此时副边绕组负电压值较大,Z2的稳压值为所需的负向电压值,超过部分电压降在电容C2上,其实验波形见图7(b)。
[page]
(3)集成芯片UC3724/3725构成的驱动电路
电路构成图如图8所示。
其中UC3724用来产生高频载波信号,载波频率由电容CT和电阻RT决定。一般载波频率小于600kHz,4脚和6脚两端产生高频调制波,经高频小磁环变压器隔离后送到UC3725芯片7、8两脚经UC3725进行解调后得到驱动信号,UC3725内部有一肖特基整流桥同时将7、8脚的高频调制波整流成一直流电压供驱动所需功率。一般来说载波频率越高驱动延时越小,但太高抗干扰性变差;隔离变压器磁化电感越大磁化电流越小,UC3724发热越少,但太大使匝数增多导致寄生参数影响变大,同样会使抗干扰能力降低。
故根据实验研究得出:对于开关频率小于100kHz的信号一般取(400~500)kHz载波频率较好,变压器选用较高磁导如5K、7K等高频环形磁芯,其原边磁化电感大小约1毫亨左右为好。这种驱动电路仅适合于信号频率小于100kHz场合,因信号频率相对载波频率太高的话,相对延时太多,且所需驱动功率增大,UC3724和UC3725芯片发热厉害温升较高,故100kHz以上开关频率仅对较小极电容的MOSFET才可以。对于1kVA左右开关频率小于100kHz场合,它是一种性能良好的驱动电路。该电路具有以下特点:单电源工作,控制信号与驱动实现隔离,结构简单尺寸较小,尤其适用于占空比变化莫测或信号频率也变化的场合。
3 结语
本文介绍的几种MOSFET驱动电路均有以下优点:结构较简单可靠;单电源工作;适用于中小功率开关电源。以上电路均已应用到不同功率的实际开关电源的原理样机中,经过了实验的检验。





