中心议题:
- 智能大功率软启动恒流源的设计
解决方案:
- PID控制算法实现大功率电源的软启动和控制
- 大功率运放 OPA549构成大电流恒流源
为了获得稳定的大电流,本文设计了基于单片机控制的智能软启动大功率恒流源, 电流范围0~8 A,最大峰值可达10 A。采用大功率运放OPA549 构成大电流恒流源,利用PID 控制算法实现了大功率电源的软启动和控制。该方法设计的电源在软启动过程中超调量很小,具有很好的稳定性;在恒流源工作时,稳定性也很好。
电源软启动方式就是控制输出电压和电流, 使负载的电压和电流渐增。对于线性时不变模型的被控对象适当整定PID 参数可获得较满意的控制效果, 可以很好地解决电流过大的问题。PID 控制能很好地解决启动过程中震荡和超调的问题, 可以更好地?;さ缭?, 且启动可靠、稳定性强。采用单片机作为控制器, 编程灵活、性价比较高, 易实现人机界面管理。利用软件调整系统的非线性, 以降低实测值与设定值之间的偏差。电源电压或电流的波动、电路元件的老化、环境温度等因素都将影响电源的稳定性。为了稳定地控制电源功率, 该方案采用基于单片机的高速AD、DA 数据采集系统, 并采用PID算法实现大功率电源的软启动, 系统采用PID 电压采样反馈控制输出电流的恒定不变, 精度较高、响应速度较快、灵活性较好、稳定性较高。
1 大功率精密恒流源的实现
1.1 电源系统设计
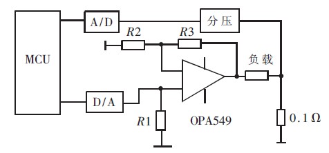
以单片机为核心, 完成以下功能: 处理键盘输入数值, 包括电路预定值和"+" 、"-" 步进; 控制数LCD 显示预定值和实际值; 控制ADC 和DAC; 根据得到的反馈信号通过程序控制算法进行偏差值补偿。由于运放OPA549 一路受D/A 转换器控制, 调整运放OPA549 输入端电压, 一路为比例放大电路。当DAC 输出预定值或步进值后, 电流源的输出在0 ~8 A 范围内变化。输出电压经与负载串联的小电阻采样后, 送入ADC, 采样值与预定值在单片机内部进行计算、比较输出控制信号,对偏差值进行补偿。利用软件调整系统的非线性, 以降低实测值与设定值之间的偏差。
1.2 电源电路设计
(1) 数控部分核心
采用单C8051F , 控制数控直流源的键盘和显示, 与D/A 转换器和A/D 转换器控制输出电流。A/D 转换器的基准电压由专门±9 V 电源供电,D/A 转换器的基准电压由+20 V 电源供电, 由单片机送出数据经DAC 转换输出控制电压。
(2) 运放OPA549 放大电路电流源
OPA549 是BB 公司新推出的一种高电压大电流功率运算放大器。它能够提供极好的低电平信号、输出高电压、大电流, 可驱动各种负载。该器件的主要特点: 输出电流大, 连续输出电流可达8 A, 峰值电流可达10 A; 工作电压范围宽, 单电源为+8 V~+60 V, 双电源为±4 V~±60 V; 输出电压摆动大;有过热关闭功能, 电流极限可调; 有使能及禁止功能; 有过热关闭指示; 转换效率( 压摆率) 最高为9 V/μs ; 工作温度范围为-40℃~+85℃。该器件主要应用于驱动工业设备、测试设备、电源、音频功率放大器等大电流负载。
在该电源系统中, 主要为负载提供大电流, 采用PID 控制算法控制负载的发光强度。输入为单片机经DAC输出的控制电压, 一路为比例放大电路, 如图1 所示增益G=1+R3/R2.电流型DAC 通过R1 转换成电压, 控制OPA549 .输出电流经采样电阻转换为采样电压, 送入A/D 转换器反馈至单片机进行偏差值补偿。

图1 OPA549 构成可调大电流恒流源
(3) 散热及抗干扰
OPA549 大功率管工作时产生恒定的大电流, 功耗较大, 产生的热量较多, 散热成为该电源急需处理的问题。一般的轴流风扇内部电机置有脉冲驱动电路, 驱动时, 脉冲成分很容易直接顺电机电源线" 外溢" , 干扰其他电器设备。视频设备上干扰表现为横通斜线, 音响设备上产生噪音。为此, 安装大面积的铜散热片, 同时用风扇对设备中的电子元器件强制散热。安装风扇时, 需要在风扇电机电源线上串绕一只高频磁环以抗干扰。串绕磁环有效滤除这些干扰成分, 一般只需绕上1~3 匝即可。
[page]
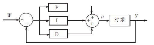
2 PID 控制算法
系统软启动的控制功能通过比例积分微分控制器实现。通过比较给定信号与反馈信号的偏差, 并进行比例、积分、微分等运算进行控制, 是技术较成熟、应用、广泛的一种控制方式。其结构简单、灵活性强、系统参数调整方便, 不需要求出模型。
PID 控制原理如图2 所示。PID 控制是一种线性调节器, 它把设定值W 与实际输出值相减, 得到控制偏差e .偏差值e 经比例、积分、微分后通过线性组合构成控制量U, 对对象进行控制。其中比例调节器起到基础调节作用, 主要对控制系统的灵敏度和控制速度有影响。积分调节器可以自动调节控制量, 消除稳态误差,使系统趋于稳定。微分调节器可以减小超调, 克服振荡, 同时加快系统的稳定速度, 缩短调整时间, 从而改善系统的动态性能。

图2 PID 控制原理图
PID 控制器的输出与输入之间的关系可表达为:

式中: Ti为积分时间常数; Td为微分时间常数; Kp为比例系数; Ki为积分常数, Ki=Kp/Ti ; Kd为微分常数,Kd=Kp/Td.
系统启动时间较短, 启动电压、电流较大, 负载所承受的冲击也较大, 致使启动阶段负载的动负荷峰值远远大于正常运行时的负荷, 容易造成负载的损坏。为解决此问题, 设计了一种新型的PID 控制软启动电源系统, 主要由电源、大电流恒流源、输出大电流端采样和控制系统组成, 并完成了实验室内的试验。当电源启动时, 首先由单片机系统给定设定电压、电流或功率。PID软启动是按负载线性上升的规律控制输出。在负载电压线性增加的过程中, 如果电流超出了所限定的范围, 则马上投入电压闭环, 使电流值限定在所设定的范围内后, 再线性逐渐增加电压至额定值, 系统的光强也由零逐渐增大, 完成启动过程。
PID 控制系统软启动效果图如图3 所示。通过串行通信端口com1 通信, 电压单位mV、电流单位mA, 功率单位mW, 时间单位s.

从图3 的软启动效果图可以看出, 在恒定电压、电流、功率的模式下工作时, 系统开机过程超调量很小, 有效地控制了启动过程, 防止了启动过程产生过大的扰动电压, 产生过大的功率, 有效地?;ち烁涸亍?br />
[page]
3 实验结果
由于输出电流达到8 A, 对电源的功率要求较高, 易产生噪声, 这种随机噪声也会对输出电流产生一定的影响。为减弱这种噪声, 各个??榉直鸸┑纾?以减少交叉干扰, 同时在电路板上多加装去耦滤波电容, 减小干扰的影响, 同时OPA549 能有效地抑制纹波。影响电源稳定性的因素很多, 如负载的变化、取样电阻的变化、A/D、D/A 的影响等。如图4 所示, 不同负载的情况下, 电源误差不同。10 W 的负载, 由于功率较低, 在电压、电流增加时, 误差变化也较小。35 W 的负载, 由于功率较大, 工作电流的变化范围比较大, 功耗较大, 电源的误差变化相应地也比较大。如图5, 在10 W、20 W 和35 W 的负载时, 工作状态稳定, 能够满足大电流、大功率的需要。


总结
该系统利用PID 算法进行控制, 采用大功率运放OPA549 输出电流在0~8 A 范围内可调, 最大峰值可达到10 A, 能够有效抑制纹波电流, 克服了传统电流源输出电流范围小的缺点??缮柚貌⒛苁凳毕允臼涑龅缪?、电流、功率实测值, 具有"+ " , "- " 步进调整功能, 输出可在LCD12864 显示, 同时通过RS232 与上位机同步通信, 直接显示, 保存实验数据。通过对测试结果的分析,系统在软启动的过程中, 超调量很小, 启动效果很好, 避免了对负载的冲击。由于大功率调整管的电流大范围变化时, 经过软件补偿、放大电路调整等方法解决线性度较差,实测值和设定值存在偏差的问题。该电源适用于大功率的场合,本电源具有很好的实用性。




