- 升压型PFC电路原理及优缺点
- 降压型PFC电路原理及优缺点
- 升降压型PFC电路原理及优缺点
- 正激型PFC电路原理及优缺点
- 反激型PFC原理及优缺点
常用有源功率因数校正电路分为连续电流模式控制型与非连续电流模式控制型两类。其中,连续电流模式控制型主要有升压型(Boost)、降压型(Buck)、升降压型(Buck-Boost)之分;非连续电流模式控制型有正激型(Forward)、反激型(Fly back)之分,下面对这几种电路的工作原理分别加以介绍。
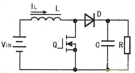
1.升压型PFC电路
升压型PFC主电路如图1所示,其工作过程如下:当开关管Q导通时,电流IL流过电感线圈L,在电感线圈未饱和前,电流线性增加,电能以磁能的形式储存在电感线圈中,此时,电容C放电为负载提供能量;当Q截止时,L两端产生自感电动势VL,以保持电流方向不变。这样,VL与电源VIN串联向电容和负载供电。

图1 升压型PFC主电路
(1)输入电流完全连续,并且在整个输人电压的正弦周期内都可以调制,因此可获得很高的功率因数;
(2)电感电流即为输入电流,容易调节;
(3)开关管栅极驱动信号地与输出共地,驱动简单;
(4)输入电流连续,开关管的电流峰值较小,对输入电压变化适应性强,适用于电网电压变化特别大的场合。
主要缺点是输出电压比较高,且不能利用开关管实现输出短路?;?。
2.降压型PFC电路
降压型PFC电路如图2所示,其工作过程如下:当开关管Q导通时,电流IL流过电感线圈,在电感线圈未饱和前,电流IL线性增加;当开关管Q关断时,L两端产生自感电动势,向电容和负载供电。由于变换器输出电压小于电源电压,故称为降压变换器。

图2 降压型PFC主电路
该电路的主要缺点是:由于只有在输人电压高于输出电压时,该电路才能工作,所以在每个正弦周期中,该电路有一段因输人电压低而不能正常工作,输出电压较低,在相同功率等级时,后级DC/DC变换器电流应力较大;开关管门极驱动信号地与输出地不同,驱动较复杂,加之输人电流断续,功率因数不可能提高很多,因此很少被采用。
[page]
3.升降压型PFC电路
升降压型PFC电路如图3所示,其工作过程如下:当开关管Q导通时,电流IIN流过电感线圈,L储能,此时电容C放电为负载提供能量;当Q断开时,IL有减小趋势,L中产生的自感电动势使二极管D正偏导通,L释放其储存的能量,向电容C和负载供电。

图3升压型PFC主电路
该电路的主要缺点有:开关管所受的电压为输入电压与输出电压之和,因此开关管的电压应力较大;由于在每个开关周期中,只有在开关管导通时才有输入电流,因此峰值电流较大;开关管门极驱动信号地与输出地不同,驱动比较复杂;输出电压极性与输入电压极性相反,后级逆变电路较难设计,因此也采用得较少。
提示:常用连续电流模式类功率因数校正芯片有TDA16888(PFC+PWM)、1PCS01(PFC)、L4981、FA4800(PFC+PWM)、UC3854、UCC3817、UCC3818等。
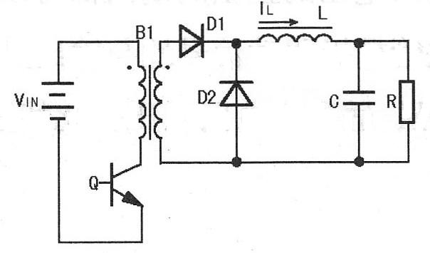
4.正激型PFC电路
正激型PFC电路如图4所示,当开关管Q导通时,二级管D1正偏导通,电网向负载提供能量,输出电感L储能。当Q关断时,L中储存的能量通过续流二极管D2向负载释放。
这种电路的优点是功率级电路简单,缺点是要增加一个磁复位回路来释放正激期间电感中的储能。

图4 正激型PFC主电路
反激型PFC电路如图5所示,当开关管Q导通时,输入电压加到高频变压器B1的原边绕组上,由于B1副边整流二极管D1反接,副边绕组中没有电流流过,此时,电容C放电向负载提供能量。当开关管Q关断时,绕组上的电压极性反向,二极管D1正偏导通,储存在变压器中的能量通过二极管D1向负载释放。
这种电路的优点是功率级电路简单,且具有过载?;すδ堋?

图5 反激型PFC主电路



