中心议题:
- TDC-GP2的特性分析
- IGBT导通延迟时间测量的原理
- IGBT延迟导通时间测量系统设计
解决方案:
- IGBT延迟导通时间测量系统硬件及软件设计
绝缘栅双极型晶体管(IGBT)是GTR和MOSFET的一种新型复合器件,自问世以来就以输入阻抗高,开关速度快,通态压降低,阻断电压高,承受电流大等优点成为当今功率半导体器件中的主流开关器件,并广泛应用于多领域的工程实践当中。目前,IGBT的导通延迟时间可以达到几百纳秒,甚至更低。但在某些对器件时间特性要求较高的工程应用中,需要更精确地确定IGBT的导通延迟时间。因而高精度的测量时间间隔是测量领域一直关注的问题。本文从精简结构,同时兼顾精度的角度出发,提出一种基于时间测量芯片TDC-GP2来精确测量IGBT导通延迟时间系统,用于测量IGBT的导通延迟时间,实现简单且成本低的一种较为理想的测量方案。
1 TDC-GP2的特性分析
TDC-GP2是德国ACAM公司继TDC-GP1之后新推出的一款高精度时间间隔测量芯片。与前代芯片相比,具有更高的精度、更小的封装和更低的价格,更适合于低成本工业应用领域。TDC-GP2内部结构,如图1所示。

该系统主要由脉冲产生器、数据处理单元、时间数字转换器、温度测量单元、时钟控制单元、配置寄存器以及与单片机相接的SPI接口组成。在实际应用中,由于TDC-GP2的功耗很低,使得TDC-GP2的输入/输出电压(工作电压)为1.8~5.5 V,核心电压为1.8~3.6 V,所以可以采用电池供电,使用方便。同时单片机由4线的SPI接口相连,可以把TDC-GP2作为单片机的一个外围设备来操作。通过内部ALU单元计算出时间间隔,并将结果送入结果寄存器保存起来。通过对TDC-GP2内部寄存器的设置,可以多次采样并将结果保存。TDC-GP2是基于内部的模拟电路测量“传输延时”来进行的,是以信号通过内部门电路的传播延迟来进行高精度时间间隔测量的。TDC-GP2时间间隔测量原理如图2所示。
[page]
START信号与STOP信号之间的时间间隔由非门的个数决定,而非门的传输时间可以由集成电路工艺精确的确定。同时,由于门电路的传输时间受温度和电源电压的影响比较大,因而该芯片内部设计了锁相电路和标定电路。
在时间测量芯片TDC-GP2的测量范围1中,两个STOP通道共用一个START通道。每个通道的典型分辨率为50 ps,每个STOP通道都可以进行4次采样。具有15 ns间隔脉冲对的分辨能力,测量范围为2.0~1.8μs,每个通道都可以选择上升沿或下降沿触发。ENABLE引脚提供强大的停止信号产生的功能,可测量任意两个信号之间的时间间隔。
2 IGBT导通延迟时间测量的原理
IGBT导通延迟时间的精确测量,是通过测量IG-BT的控制信号、驱动信号和导通电流信号间的时间间隔得到的,流程图见图3。通过信号处理隔离电路将控制信号、驱动信号和导通电流信号输入时间测量芯片TDC-GP2。其中,IGBT的控制信号作为时间测量芯片TDC-GP2的START端口输入,驱动信号和IGBT的导通电流信号作为STOP1和STOP2端的两个脉冲输入。由此可得START与STOP1端口的时间间隔为控制信号与驱动信号的延迟时间;START与STOP2端口的时间间隔为控制信号与IGBT导通信号的延迟时间,两者的时间差即为IGBT相对于驱动信号的导通延迟时间。

3 IGBT延迟导通时间测量系统设计
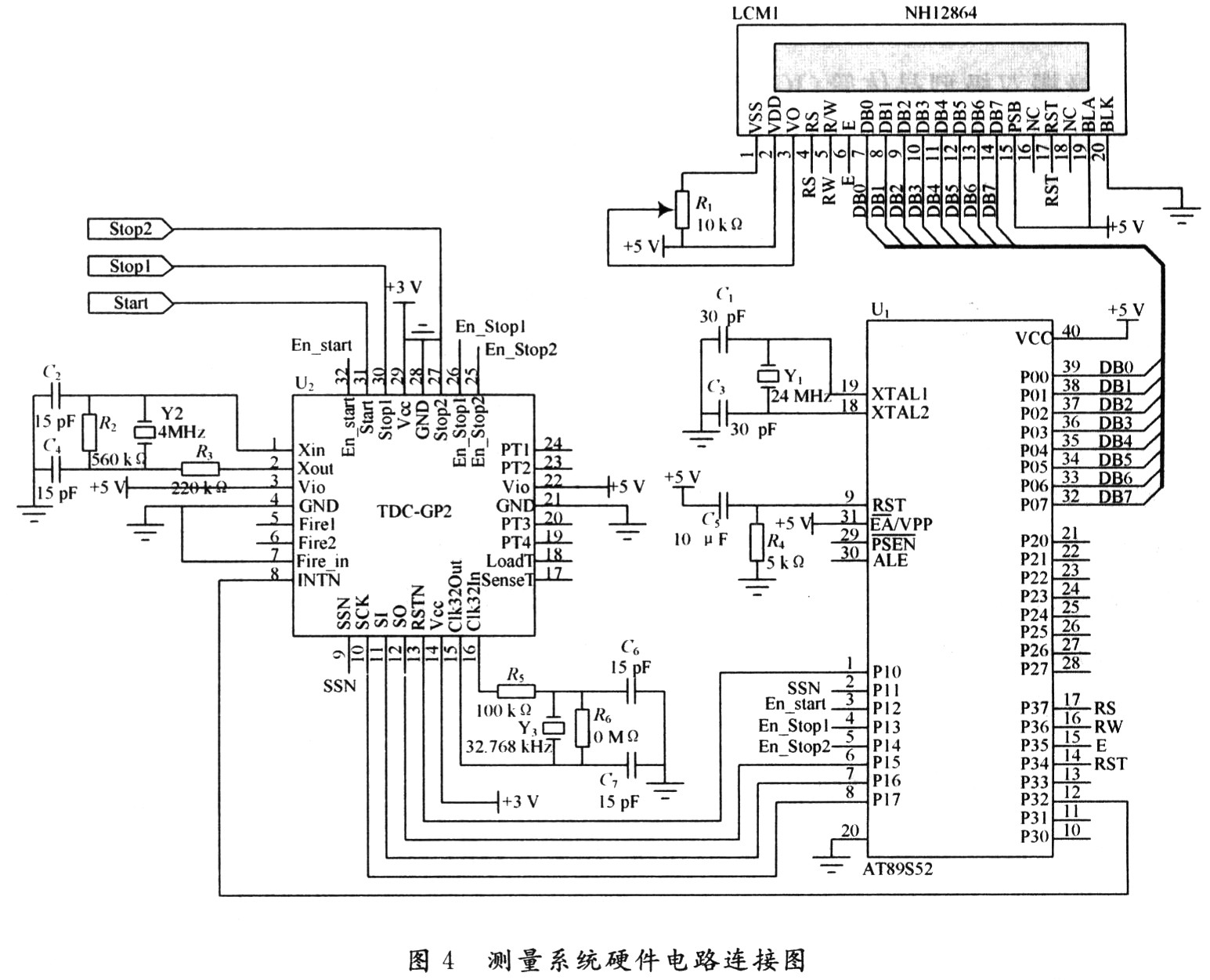
3.1 测量系统硬件设计
系统主要由脉冲信号取样器、脉冲输入信号整形电路、TDC-GP2测量电路、AT89S52单片机、液晶显示电路、电源电路、时钟电路组成。TDC-GP2的每个测量通道都提供一个使能引脚,可独立地设置这两个引脚进行通道选择。TDC-GP2需要一个2~8 MHz的高速时钟进行校准用。TDC-GP2只是在进行时间测量时才必须用振荡器,且能够自动控制振荡器的开启时间。整个系统的硬件电路连接如图4所示。

整个系统分为单片机系统模块、TDC-GP2测量??楹拖允灸?槿糠帧DC-GP2作为系统测量核心单元,可直接对信号时间间隔进行测量,并通过单片机处理后将时间间隔数值在液晶显示器上显示。与常用的测量方法相比,该方法所需外围器件少,电路结构简单,功耗低。
[page]
3.2 测量系统软件设计
测量单元由START信号触发,接收到STOP信号后停止。由环形振荡器的位置和粗值计数器的计数值可以计算出START信号和STOP信号之间的时间间隔,测量范围可达20位。在3.3 V和25℃时,GP2的最小分辨率是65 ps,RMS噪音约是50 ps(0.7 LSB)。温度和电压对门电路的传播延迟时间有很大的影响,通常通过校准来补偿由温度和电压变化引起的误差。在校准过程中,TDC测量一个和两个校准时钟周期的时序如图5所示,其测量范围受计数器大小的限制:
tyy=BIN×26 224△1.8μs。

初始化之后,TDC-GP2高速测量单元接收到START脉冲后开始工作,达到设置的采样数或者遇到测量溢出后才停止工作。软件设计的重点在于根据需要设置TDC-GP2的工作模式和读取其内部的测量数据。在测量结尾,ALU开始依照HIT1和HIT2的设置处理数据并把结果送入输出寄存器。如果不进行校准,ALU传输16位原始数据到输出寄存器;如果进行校准,则ALU传输32位的固定浮点数到输出寄存器。然后通过单片机AT89S52处理后,在液晶显示器读取时间间隔数据,其测量流程如图6所示。

4 结 语
该系统充分利用TDC-GP2的优良特性,通过其高精度时间间隔测量功能实现了。IGBT导通延迟时间间隔的测量。该系统测量范围为2.0 ns~1.8 μs,其主要性能指标能满足测量IGBT导通延迟时间的要求,具有一定的实用价值。由于IGBT导通的电流信号是纳秒量级的高频信号,因此在后续电路设计中,将进一步提高系统的抗干扰能力,以满足测量导通延时时间间隔的需要。另外,单片机的工作频率较低,为了进一步提高该系统的工作速度,甚至增加更多的附加功能,可以考虑用工作频率更高的控制芯片作为系统的控制核心;同时也可以通过使用更高精度的时间间隔测量芯片来提高测量精度。





