- 探究同步整流以及电荷保持驱动技术
- 采用同步整流电路拓扑
- 采用栅极电荷保持驱动技术
1、为什么我们使用同步整流技术:
目前,越来越多的IC芯片都需要低电压供电。随着功率变换器输出电压的降低,整流损耗成为变换器的主要损耗。为使变换器达到很高的效率,必须降低整流损耗。原有整流电路使用肖特基二极管作为整流二极管,但是由于导通压降在低压输出时候相对较大,引起的损耗也是我们不能接受的。于是我们采用低导通电阻的MOSFET 进行整流,这是提高变换器效率的一种有效途径。实现这一功能的电路就叫做同步整流电路。实现同步整流功能的MOSFET 称作同步整流管。
2、同步整流电路拓扑简单介绍:


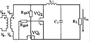
在采用了自驱动同步整流中。当变压器次级同名端电压为正的时候,VQ2的栅极电压为底VQ2关断。VQ1的栅极电压为高,Vgd>0 则VQ1导通。电流通过L1负载VQ1流通。
当变压器次级同名端电压为负,VQ1关断,VQ2开通。负载电流通过VQ2续流。这就是同步整流的基本原理。
当变换器输出电压在5V 左右时,可以直接利用变压器次级电压驱动同步整流管;当变换器输出电压明显高于5V 或很低( 2. 2V以下) 时,一般附加一个绕组,利用附加绕组电压驱动同步整流管。
[page]
3、拓扑结构及其缺点:
正激式变换器是最多使用在同步整流中的拓扑,其优点主要在于结构简单、次级纹波电流明显衰减,纹波电压低、功率开关管峰值电流较低、并联工作容易、可以自动平衡、属降压型变换器。它也是最早应用于低压大电流的变换器。但其在采用同步整流时候存在以下缺点: 第一:同步整流中的死区过大使得其效率减小; 第二:整流管的体二极管不仅在导通的过程中增加了电路的损耗,而且在关断过程中,由于其反向恢复特征,也会引起能量损耗。
由于死区产生的体二极管导通损耗分析如下:

4、栅极电荷保持驱动技术:

当主开关管VS 关断时,励磁电流流经磁复位电路。变压器次级电压反向,VS1 和VS3 关断。VS2 的栅2源极寄生电容由流经VD 的电流充电。输出电流由VS2 续流。在t2 时刻,磁复位结束,变压器次级电压为零。因为VD1 承受反压截止,VS3 关断,VS2 的栅极驱动电压不变,因此即使变压器次级电压为零,VS2 保持导通续流。VS2 栅极驱动电压一直保持到下一个开关周期开始,且VS3 导通之时。这就解决了死区时间内体二极管导通的问题。





