- 双管正激电路的工作原理及优点
- 应用于双管正激电路的MAX5051的功能
- MAX5051电源控制器应用于双管正激电路
引言
高功率密度、高效率以及小外型尺寸已成为当前??榈缭醇际醴⒄沟墓丶?。双管正激电路是实现这些要求的实用电路之一,被广泛应用在中、高功率电源设计中。本文简要介绍了双管正激电路的工作原理及优点,同时详细介绍了应用于双管正激电路的PWM控制器MAX5051的功能和具体的实验结果。
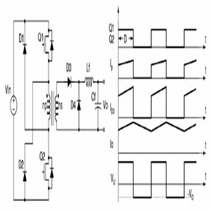
双管正激变换器的原理图与波形如图1所示。双管正激变换器的工作可以分为三个过程:能量转移阶段、变压器磁复位阶段和死区阶段。在能量转移阶段,原边的两个开关都导通,能量从输入端向输出端转移。在变压器磁复位阶段,原边的两个二极管都导通,使变压器绕组承受反相输入电压,从而实现变压器磁复位。当变压器完全复位后,变换器工作在死区阶段,即原边无电流、副边续流。在复位过程中,双管正激开关MOSFET被箝位在输入电压。MOSFET上的电压应力小于单管正激,至少低一倍。这样我们可选取具有低导通电阻Rdson的低电压MOSFET,以获得低损耗。

图1 双管正激变换器原理图与波形
双管正激电路运行非常稳定,受到设计人员的广泛关注,并给予了较高评价。由于原边的两个开关不是使用图腾柱结构,它们同时导通,这就解决了击穿问题。对于半桥和全桥变换器来说,原边开关使用图腾柱结构,一旦由于电磁噪音或电磁辐射引起两个开关同时导通,电路将受到破坏性的中断。这个问题对于受高能量辐射影响的电源来说至关重要,而双管正激电路可以避免这个问题。
基于MAX5051的参考设计
MAX5051是一款钳位式、双开关电源控制器IC。这款控制芯片可应用于正激或反激结构,输入电压范围是11V至76V。它针对各种可能的故障提供全面的?;せ?实现高度可靠的电源。当与副边同步整流器配合工作时,电源效率很容易达到92% (+3.3V输出电源,工作于48V总线);集成的高侧和低侧栅极驱动器可为两个外部N沟道MOSFET提供峰值在2A以上的栅极驱动电流;低启动电流降低了启动电阻上的功率损耗;带有前馈控制的电压模式控制方案可提供优异的线路抑制,同时又避免了传统的电流模式控制方案的缺陷。
MAX5051电源控制器可以在主侧或副侧并联工作,必要时可用来设计冗余电源系统。当主侧并联工作时,通过专用引脚可同时唤醒或关断所有并联单元,以防止在启动或故障情况下发生电流失衡。MAX5051通过产生一路超前信号用于驱动副边同步MOSFET,以避免副边同步整流管和续流管的同时导通。利用特有的主侧同步输入/输出引脚,可使两个主侧电路相差180°工作,增加输出功率并降低输入纹波电流。
Maxim电源部制作了一款基于MAX5051的隔离电源???图2是详细的电气原理图。我们将该电源模块与市场上流行的电流模式同步整流推挽电源??椋ㄕ饫镂颐浅破湮嵌ㄖ颇?椋┙辛吮冉?从所测试的效率曲线(图3)可以看出,基于MAX5051的??樾拭飨蕴岣摺G嵩厥?比如1A输出负载,MAX5051??榈缭吹男蚀笥?2%,而非定制模块的效率则小于58%。在输出功率为半载时(7.5A),MAX5051??樾饰?2%,非定制模块效率是88%。满功率负载时,MAX5051??榈缭吹男嗜员确嵌ㄖ颇?樾矢叱?%。从效率曲线对比,可以得出双管正激电路能够更好的满足??榈缭锤咝实囊?。

图2 电气原理图

图3 正常输出电压下效率与负载电流的关系曲线(包括最小、正常和最大输入电压情况,25°C)
另外,MAX5051控制器采用了带有输入前馈的电压控制模式,可以在一个周期内克服输入电源的扰动,工作原理与电流模式控制电路相同。带有前馈的电压模式提供了一些电流模式所不具有的显著优点:
- 无最小负载要求
- 干净的调整斜率和更高的幅值提高了稳定性
- 光耦稳定的工作电流使环路带宽最大
- 可预测的环路动态简化了控制环路的设计。
从动态响应的图形对比中可以看到,无论是输出过冲,还是恢复时间,MAX5051??槎季哂忻飨缘挠攀?。

图4 动态响应对比图
结语
从电路拓扑分析和具体的实验中可以看到,采用MAX5051的双管正激电路可满足现代??榈缭锤吖β拭芏?、高效率以及小外型尺寸的要求,并且通过采用带有前馈的电压模式控制,避免了传统的电流模式控制方案的缺陷,提供了优异的线路抑制。




