- 系统构成及主回路设计
- 关键技术设计
- 设计试验结果
- 功率因数校正技术和无源无耗缓冲电路
- IGBT/MOSFET并联组合开关技术
- 半桥电路平衡控制技术
机载高频开关电源产品专门用于输入交流400Hz的场合,这是特意为了满足军用雷达、航空航天、舰船、机车以及导弹发射等专门用途所设计的。应用户要求,研制出机载高频开关电源产品对电子武器装备系统的国产化,打破国际封锁,提高我军装备的机动性,高性能都有重要的意义。
机上可供选择的供电电源有两种输入方式:115V/400Hz中频交流电源和28V直流电源。两种输入方式各有优缺点,115V/400Hz电源波动小,需要器件的耐压相对较高;而28V直流电源却相反,一般不能直接提供给设备部件使用,必须将供电电源进行隔离并稳压成为需要的直流电源才能使用?;氐缭吹氖褂没肪潮冉隙窳?,必须适应宽范围温度正常工作,并能经受冲击、震动、潮湿等应力筛选试验,因此设计机载电源的可靠性给我们提出了更高的要求。下面主要介绍115V/400Hz中频交流输入方式所研制的开关电源,它的输出电压270~380Vdc可以调节,输出功率不小于3000W,环境温度可宽至-40℃~+55℃,完全适应军品级电源的需要。
系统构成及主回路设计
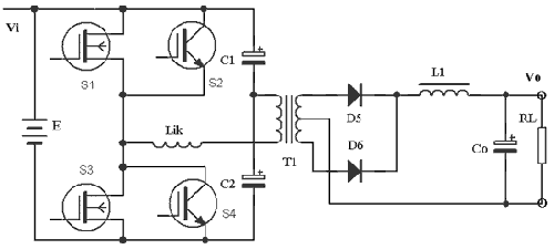
图1所示为整机电路原理框图。它的设计主要通过升压功率因数校正电路及DC/DC变换电路两部分完成。115Vac/400Hz中频交流电源经输入滤波,通过升压功率因数校正(PFC)电路完成功率因数校正及升压预稳、能量存储,再通过DC/DC半桥变换、高频整流滤波器、输出滤波电路以及反馈控制回路实现270~380Vdc可调节输出稳压的性能要求。

图1整机电路原理框图
升压功率因数校正电路主要使输入功率因数满足指标要求,同时实现升压预稳功能。本部分设计兼顾功率因数电路达到0.92的要求,又使DC/DC输入电压适当,不致使功率因数校正电路工作负担过重,因此设定在330~350Vdc。
隔离式DC/DC变换器电路拓扑结构形式主要有以下几种:正激、反激、全桥、半桥和推挽。反激和正激拓扑主要应用在中小功率电源中,不适合本电源的3000W输出功率要求。全桥拓扑虽然能输出较大的功率,但结构相对较为复杂。推挽电路结构中的开关管电压应力很高,并且在推挽和全桥拓扑中都可能出现单向偏磁饱和,使开关管损坏。而半桥电路因为具有自动抗不平衡能力,而且相对较为简单,开关管数量较少且电压电流应力都比较适中,故不失为一种合理的选择。
DC/DC变换电路主要为功率变压器设计,采用IGBT/MOSFET并联组合开关技术和半桥电路平衡控制技术。经过分析计算,采用双E65磁芯,初级线圈12匝,次级绕组圈15匝。
[page]
关键技术设计
1功率因数校正技术和无源无耗缓冲电路
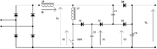
具有正弦波输入电流的单相输入个功率因数校正电路在开关电源中的使用越来越广泛,图2所示为升压功率因数校正和无源无耗缓冲电路。

图2功率因数校正和新型的无源无耗缓冲电路
采用无源无耗缓冲电路,元件全部采用L、C、D等无源器件,既有零电流导通特性,又有零电压关断特性,比传统的有损耗的缓冲电路元件少30%。缓冲电路元件包括L1、C1、C2、D1、D2和D3。
可用UC2854A控制主开关SWB,其缓冲电路是不需控制的,并且具有电路简单的特点。其原理是将二极管DB反向恢复的能量和SWB关断时储存在C2中的能量在SWB导通时转移到C1中。在SWB关断时,L1中的储能向C2充电,并通过D1、D2、D3转移到CB中,同时也向CB放电,用这种电路实现了零电压关断和零电流导通,有效地减少损耗,提高了电路的效率和可靠性。
该电路的主要特点是:
开关SWB上最大电压为输出电压VL。
Boost二极管DB上最大反向电压为VL+VE,VE值由IR、L1、C1及C2的相关值决定。
开关SWB上最大电流上升率由L1和V1决定,并且导通损耗和应力很小。
开关SWB上最大电压率由C2决定,并且关断功耗和应力很小。
在开关周期中,为获得电流和电压上升率的控制而储存在L1和C2中的能量最终又回到输出电源中,这样确保电路真正的无损耗工作。
2 IGBT/MOSFET并联组合开关技术
图3所示为IGBT/MOSFET并联组合开关电路及工作波形图。与MOSFET相比,IGBT通态电压很低,电流在关断时很快下降到初始值的5%,但减少到零的时间较长,约1~1.5μs,在硬开关模式下会导致很大的开关损耗。在组合开关中,并联MOSFET在IGBT关断1.5μs后,拖尾电流已减少到接近零时才关断。

图3IGBT/MOSFET并联组合开关电路及工作波形图
这种技术因通态损耗很低而使得DC/DC变换器的效率很高。但需工作频率相对较低,一般选取20~40kHz。由于半桥组合开关只需两个开关,总的开关器件的数目少,使可靠性显著提高。
[page]
3半桥电路平衡控制技术
通过控制和调整IGBT/MOSFET栅驱动的延迟时间可使半桥平衡,避免变压器偏磁饱和过流,烧毁开关管。这在脉冲较宽大时,很容易实现。但当轻载或无载时,脉宽很窄(例如小于0.3μs),此时的IGBT/MOSFET延迟已取消。因此在窄脉宽时,为保持其平衡,我们采用了一个低频振荡器。当脉宽小于0.3μs时,振荡器起振使PWM发生器间歇工作,保持脉宽不小于0.3μs,以维持半桥平衡,使其在无载时能正常工作。
由于工作频率较低,组合开关的开关损耗很小,通态损耗也很小。

图4半桥电路平衡控制电路
4多重环路控制电路
平均电流模式控制系统采用PI调节器,需要确定比例系数和零点两个参数。调节器比例系数KP的计算原则是保证电流调节器输出信号的上升阶段斜率比锯齿波斜率小,这样电流环才会稳定。零点选择在较低的频率范围内,在开关频率所对应的角频率的1/10~1/20处,以获得在开环截止频率处较充足的相位裕量。
另外,在PI调节器中增加一个位于开关频率附近的极点,用来消除开关过程中产生的噪声对控制电路的干扰,这样的PI调节器的结构如图5所示。

图5具有滤波功能的PI调节器
控制电路的核心是电压、电流反馈控制信号的设计。为了保证在系统稳定性的前提下提高反应速度,设计了以电压环为主的多重环路控制技术。电流环响应负载电流变化,并且有限流功能。设计电路增加了对输出电感电流采样后的差分放大,隔直后加入到反馈环中参与控制,调节器增益可通过后级带电位器的放大环节进行调节。这样电源工作在高精度恒压状态下,输出动态响应,使电源在负载突变的情况下,没有大的输出电压过冲。
5提高散热效果,降低热阻
为了减小整机体积,达到合理的功率密度,采用了强迫风冷方式。对于风冷散热器来说,风速的大小直接关系到散热效果的优劣。由于要求前后通风,在设计时应考虑:
保证风速达到一定的要求(V=6m/s),并考虑风压的影响。当风压低于散热器压头损失时,冷却风根本就吹不过去或风速很低,达不到提高散热率的目的。
由于散热器及翼片间隙同风道与散热器间隙有很大差别,当风压过低时,可以在进风口散热器与风道的间隙间加挡流栅板或喇叭型的进口,强迫风从散热器的翼片间流过。
升压电感、主变压器、输出滤波电感成一排固定在散热器上半部,主板固定在散热器下半部;主板上的功率器件如功率开关管、输出整流管通过钢板压条固定在散热器上,主板上半部放质低元器件、下半部放置高元器件,风扇放置在散热器前中上位置并固定在前面板上,采用前进风后出风方式。
军用高频开关电源产品不但要考虑电源本身参数设计,还要考虑电气设计、电磁兼容设计、热设计、结构设计、安全性设计和三防设计等方面。因为任何方面哪怕是最微小的疏忽,都可能导致整个电源的崩溃,所以我们应充分认识到军用高频开关电源产品可靠性设计的重要性。
[page]
试验结果
对设计参数进行试验,试验结果如图6~8所示。

图6DC/DC初级电压波形(满载)

图7DC/DC次级电压波形(满载)

从表1可以看出,测试结果符合协议的规定,其中功率因数、效率、电源调整率、负载调整率、输出噪声等参数优于协议要求。





