【导读】交流感应电动机是最受欢迎的汽车用于消费和工业应用,并代表了工业革命背后的“肌肉”。这个“无火花”的概念汽车首次构想尼古拉特斯拉在19世纪晚期两个定子阶段组成的多相结构的正交关系。它已经被修改为更常见的三相结构,导致电机的电压和电流平衡操作。电机没有电刷/像刷直流电机换向器结构,消除了所有与引发相关的问题,如电噪音、刷磨损、高摩擦,可靠性差。没有磁铁转子和定子结构进一步增强了可靠性,也很经济的生产。在高功率应用程序(如500马力和更高版本),交流感应电动机是汽车存在之一,97%或更高的效率评级。然而,在轻载条件下,正交磁化电流所需的转子磁通代表着一个庞大的部分定子电流,导致降低效率和功率因数运行。
执行时最好与正弦电压和电流驱动。其优点之一是令人难以置信的顺利操作,他们可以提供低转矩波动的结果。为了实现这一点,由开槽定子结构的绕组放置在槽正弦绕组分布,导致正弦流量分布的空隙。这个通量也链接转子电路,它由铜或铝棒两端短路,并安装在一个多层复合结构由软铁、或其他黑色金属材料。在大多数情况下,电动机的效率可以增加通过减少转子电阻。通量穿过这些导体,d-flux / dt整个转子电压的印象酒吧,导致转子电流?;痪浠八?从定子转子电路的电流感应电路;一样,二次电流诱导标准变压器的初级线圈。这个转子电流产生的磁通,这与定子mmF产生转矩。然而,为了实现这一目标d-flux / dt影响转子,转子不能以同样的速度旋转,旋转的定子。因此,感应电动机分为异步电机。定子磁通矢量之间的不同转速和转子叫做滑动。随着越来越多的电机轴的扭矩要求,滑动频率增加。总之,电机的速度是一个函数的数量定子波兰人,电机转矩(因此感应电动机转差率),和交流输入电压的频率。
三相拓扑表示一个变速应用程序的理想选择。三相逆变器常用图表所示,在电机转速可以通过控制不同的电压和频率应用波形(开环V /赫兹或标量控制)。此外,速度可以控制的包装速度环在转矩环将磁场定向控制(FOC)。前者可以很容易地实现经济的设备如MSP430,但事实更适合一个强大的32位处理器如TI的C2000处理器。

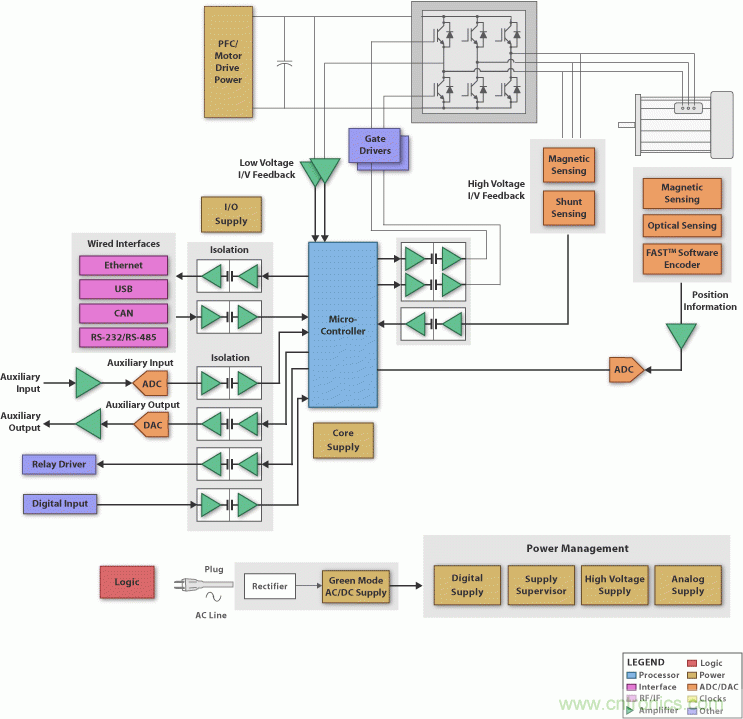
图解:系统框图
微控制器
C2000单片机设计理想的实时操作和高分辨率的脉宽调节器(pwm)精确地控制门的司机。12位,双取样保持的高速模数转换器(adc)可以样品任何传感器输入精度高。高性能pwm和adc的结合保证了低转矩脉动和高效的电机控制。强大的C2000单片机核心架构支持数学算法的快速执行控制和矢量控制电机。
Stellaris单片机是基于广泛使用的手臂皮质M3核心和所有motor-control-related外围设备集成。Stellaris单片机有10位ADC和motor-control-specific PWM提供电机的高效控制。车载通信设备如USB、以太网使单片机作为网络控制器能够进行运动控制。
TMS570大力神安全单片机是基于广泛使用的手臂皮质R4F构建核心和缓解的开发和认证安全关键系统。及和TMS570大力神安全单片机2 x 12位ADC。灵活的HET协同处理器提供motor-control-specific PWM提供电机的高效控制。车载通信设备如USB、以太网,可以使单片机作为网络安全控制器进行运动控制。
隔离
TI数字光电隔离器逻辑输入和输出缓冲区由TI的二氧化硅(二氧化硅)隔离屏障,提供4 kV的隔离。与隔离电源一起使用,这些设备块高电压隔离,并防止噪声电流进入当地的地面和干扰或破坏敏感电路。
接口/连接
传统的模拟rs - 232 / rs - 485接口保持电机控制应用程序的流行选择。展望未来,设计师正在整合主流,如以太网接口,USB接口,可以为他们的产品。TI致力于提供解决方案为传统和新兴工业接口。例如,TI最近介绍了ISO1050,世界上第一个孤立可以收发器。
电源管理
德州仪器提供电源管理IC解决方案从标准ICs高性能、插件,电源块,数字功率场效应管和集成功率??椤4覣C / DC和DC / DC电源、线性监管者和non-isolated开关直流/直流监管者PMICs和权力并显示解决方案,德州仪器电源管理IC解决方案可以帮助您完成您的项目。
相关阅读:
国内现行轨道交通安全门系统驱动电机控制方案
电机控制——考官磁阻电机与有刷直流电机
能够为交流电机控制提供简单转化的电机控制器
相关阅读:
国内现行轨道交通安全门系统驱动电机控制方案
电机控制——考官磁阻电机与有刷直流电机
能够为交流电机控制提供简单转化的电机控制器



