中心议题:
- 工程师如何解决控制IC驱动电流不足的问题
- 利用几个部件就可以构建一款独立驱动器
- 具有同步整流器的电源可使用变压器的绕组电压来驱动栅极
解决方案:
- 简单的缓冲器可驱动2Amps以上的电流
- FMMT618的更高电流驱动器可增强驱动能力
在电源设计中,工程师通?;崦媪倏刂艻C驱动电流不足的问题,或者面临由于栅极驱动损耗导致控制IC功耗过大的问题。为缓解这一问题,工程师通?;岵捎猛獠壳?。半导体厂商(包括TI在内)拥有现成的MOSFET集成电路驱动器解决方案,但这通常不是成本最低的解决方案。通常会选择价值几美分的分立器件。

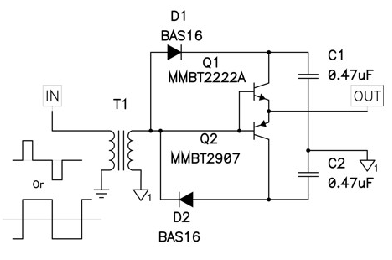
图1 简单的缓冲器可驱动2Amps以上的电流。
图1中的示意图显示了一个NPN/PNP发射跟随器对,其可用于缓冲控制IC的输出。这可能会增加控制器的驱动能力并将驱动损耗转移至外部组件。许多人都认为该特殊电路无法提供足够的驱动电流。
如图2 hfe曲线所示,通常厂商都不会为这些低电流器件提供高于0.5A的电流。但是,该电路可提供大大高于0.5A的电流驱动,如图1中的波形所示。就该波形而言,缓冲器由一个50Ω源驱动,负载为一个与1Ω电阻串联的0.01 uF电容。该线迹显示了1Ω电阻两端的电压,因此每段接线柱上的电流为2A.该数字还显示MMBT2222A可以提供大约3A的电流,MMBT3906吸收2A的电流。
事实上,晶体管将与其组件进行配对(MMBT3904用于3906,MMBT2907用于2222)。这两个不同的配对仅用于比较。这些器件还具有更高的电流和更高的hfe, 如FMMT618/718对,其在6A电流时具有100 的hfe(请参见图2)。与集成驱动器不同,分立器件是更低成本的解决方案,且有更高的散热和电流性能。

图2 诸如FMMT618的更高电流驱动器可增强驱动能力(最高:MMBT3904/最低:FMMT618)。
[page]
图3显示了一款可使您跨越隔离边界的简单缓冲器变量情况。一个信号电平变压器由一个对称双极驱动信号来驱动。变压器次级绕组用于生成缓冲器电力并为缓冲器提供输入信号。二极管D1和D2对来自变压器的电压进行调整,而晶体管Q1和Q2则用于缓冲变压器输出阻抗以提供大电流脉冲,从而对连接输出端的FET进行充电和放电。该电路效率极高且具有50%的占空比输入(请参见图3中较低的驱动信号),因为其将驱动FET栅极为负并可提供快速开关,从而最小化开关损耗。这非常适用于相移全桥接转换器?! ?br />
如果您打算使用一个小于50%的上方驱动波形(请参见图3),那么就要使用缓冲变压器。这样做有助于避免由于转换振铃引起的任意开启EFT.一次低电平到零的转换可能会引起漏电感和次级电容,从而引发振铃并在变压器外部产生一个正电压。

图3 利用几个部件您就可以构建一款独立驱动器
总之,分立器件可以帮助您节约成本。价值大约0.04美元的分立器件可以将驱动器IC成本降低10倍。分立驱动器可提供超过2A的电流并且可以使您从控制IC中获得电力。此外,该器件还可去除控制IC中的高开关电流,从而提高稳压和噪声性能。
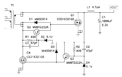
我们来了解一下自驱动同整流器并探讨何时需要分立驱动器来?;ね秸髌髡ぜ馐芄叩缪勾吹乃鸹?。理想情况下,您可以利用电源变压器直接驱动同步整流器,但是由于宽泛的输入电压变量,变压器电压会变得很高以至于可能会损坏同步整流器?! ?br />
图 4 显示的是用于控制同步反向拓扑中 Q2 传导的分立器件。该电路可以让您控制开启栅极电流并保护整流器栅极免受高反向电压的损坏。该电路可以用变压器输出端的负电压进行驱动。12V 输入与 5V 输出相比负电压值很大,从而引起 Q1 传导并短路电源 FET Q2 上的栅-源电压,迅速将其关闭。由于基极电流流经 R2,因此在加速电容 C1 上就有了一个负电压。在此期间,一次侧 FET 将会发生传导并在变压器磁化电感中存储能量。一次侧 FET 关闭时,变压器输出电压在正电压范围摆动。Q2 栅-源通过 D1 和 R1 被迅速前向偏置。C1 放电时,D2 对 Q1 基极-发射极连接进行?;?。在一次侧 FET 再次开启之前,该电路会一直保持这种状态。正如同步降压转换器那样,输出电流会真正地对输出电容进行放电??粢淮尾?FET 会衰减变压器二次侧上的电压并去除 Q2 的正驱动。这种转换会导致明显的贯通叠加一次侧 FET 和 Q2 传导次数。为了最小化该次数,当一次侧和二次侧 FET 均开启时,Q1 将会尽快地短路同步整流器上的栅-源。

图 4 Q1 快速关闭同步反向 FET Q2
图 5 显示的是用于控制同步正向转换器中 Q1 和 Q4 传导的分立驱动器。在此特殊的设计中,输入电压很宽泛。这就是说两个 FET 的栅极可能会有超过其额定电压的情况,因此就需要一个钳位电路。当变压器输出电压为负数,该电路就会开启 Q4.二极管 D2 和 D4 将正驱动电压限制在 4.5V 左右。D1 和D3 将 FET 关闭, 该 FET 由变压器和电感中的电流进行驱动。Q1 和 Q4 将反向栅极电压钳位到接地。在此设计中,FET 具有相当小栅极电感,因此转换非常迅速。较大的 FET 可能需要实施一个 PNP 晶体管对变压器绕组进行栅极电容去耦并提升开关速度。为栅极驱动转换器 Q2 和 Q3 选择合适的封装至关重要,因为这些封装会消耗转换器中大量的电能(这是因为在 FET 栅极电容放电期间这些封装会起到线性稳压器的作用)。此外,由于更高的输出电压,R1 和 R2 中的功耗可能也会很高。[page]

图 5 D2 和 D4 限制了该同步正向驱动器中正栅极电压
总之,许多具有同步整流器的电源都可以使用变压器的绕组电压来驱动同步整流器的栅极??矸段淙牖蚋呤涑龅缪剐枰鹘诘缏防幢;ふぜ?。在图 4 所示的同步反向结构中,我们向您介绍了如何在保持快速的开关转换的同时控制同步整流器栅极上的反向电压。与之相类似在图 2 的同步正向结构中,我们向您介绍了如何限制同步整流器栅极上的正驱动电压。




