- 高温温度计研究
- 采集的数据经A/D转换后传给单片机
- 设计采用ADS7816,A/D电路
在现实生活中,测温装置形式多样,但大多数存在测温范围小的缺点,使其应用范围受到限制。例如:汽车发动机、空调压缩机、轮船等温度往往较高,使用一般的温度计难以测量,使用大型的测温设备不但测量成本高,而且也不易携带。文中设计了一种便于携带,且实用又能适应高温环境的高温温度计。
高温温度计的原理框图如图1所示。

1 系统主要硬件设计
1.1 电源电路
系统用3节5号干电池串联,电压接近4.5 V,刚好满足设计的电源电压要求。电源处理芯片的选择方面考虑的重点是效率高、工作电压低、体积小,经过仔细对比后,选择了以下电源处理芯片。
TL431是一个有良好的热稳定性能的三端可调分流基准源。它的输出电压用两个电阻就可以任意的设置到从Verf 2.5~36 V范围内的任何值。在本文中用作桥式测温电路的参考电压,还具有多种应用,例如:分流校准器、串联校准器、开关校准器、电压参考等。
在T1431与电源引脚间加上一个100 Ω电阻用于限流,地引脚端直接接地,电压输出2.5 V接到桥式测温电路作为基准电压,注意基准电压必须稳定,不然会影响测温准确性。
LM1117是具有稳定的电压输出的校准器,可以输出稳定的1.2 V,1.5 V,1.8 V,2.5 V,2.85 V,3.3 V,5 V等电压。设计中用LM1117稳压至3.3 V为A/D模数转换器、放大器提供稳定的电压保证。在电源和地引脚之间加上电容C4和C5用于去耦滤波。
Intersil公司生产的ICL7660是提供双电压的COMS集成芯片,它在提供正负电压方面有独特的优势。ICL7660可以提供+1.5~+10 V和-1.5~-10 V的正负电压。ICL7660正输出电压Vout+和负输出电压分别接入INA126电源的正负极。电源模块的电路原理如图2所示。

图2中VCC5是电源电压,经过LM1117芯片输出为3.3 V,为INA126(仪表放大器)、ADS7816和ICL7660供电。经过TL431输出2.490 V的电压,为桥式放大电路和ADS7816提供稳定的基准电压。ICL7660把+3.3 V转换为-3.3 V,为仪表放大器提供负电压。因为单片机和液晶显示器的工作电压范围广,所以VCC直接和总电源相连。
1.2 A/D模数转换???/strong>
因为Pt100是模拟温度传感器,且温度测量范围广,所以设计采用ADS7816,A/D电路图如图3所示。管脚VREF接桥式测温电路的基准电压,管脚+IN信号数据输入口接INA126运放的输出端,-IN、GND管脚分别接地。管脚CS片选端接单片机的P1.6口,低电平有效,当P1.6口置低电平时A/D选通,开始工作。管脚Dout信号数据输出口接单片机的P1.5口,用于读取A/D转换后的数据。管脚LOCK时钟信号口接单片机的P1.4口,单片机P1.4口提供A/D连续时钟脉冲,保证A/D数据转换和读取的正常。管脚VCC接经LM1117稳定后的输出电压3.3 V。设计采用STC公司的89C52单片机作为核心,在系统中用89C52单片机来读取A/D转换数据并处理,然后控制液晶显示,是设计中所有器件的核心???。
单片机与A/D连接电路图如图3所示。

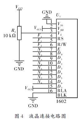
1.3 显示???/strong>
基于液晶1602显示内容丰富,功耗低等优点,选用液晶1602作为显示模块。液晶的第1管脚是接地管脚,管脚VCC接电源,液晶的管脚VL外接电源串联一个10 kΩ的电位器后接地,用来调节液晶的亮度对比度,使其显示清楚、准确。管脚RS接单片机的P1.0口。管脚RW接单片机P1.1。管脚EN接单片机P1.2口,是液晶的使能管脚。液晶的数据口(7~14管脚)接单片机的P0.0~P0.7口,液晶的数据口采用8位并口方式进行数据传送。第15,16管脚是液晶背光灯的正负极,分别接VCC和GND即可。液晶连接电路图如图4所示。







