- 设计MOSFET和IGBT的驱动电路需考虑的因素
- 适用于不同功率情况下的驱动电路
- 在中、小功率场合采用驱动芯片直接驱动
- 大功率场合采用集成驱动器
1 引言
随着电力电子技术和电力半导体器件的飞速发展,近几年来MOSFET和IGBT在变频调速装置、开关电源、不间断电源等各种高性能、低损耗和低噪声的场合得到了广泛的应用。这些功率器件的运行状态直接决定了设备性能的优劣,而性能良好的驱动电路又是开关器件安全可靠运行的重要保障。在设计MOSFET和IGBT的驱动电路时,应考虑以下几个因素:
(1)要有一定的驱动功率。也就是说,驱动电路能提供足够的电流,在所要求的开通时间和关断时间内对MOSFET和IGBT的输入电容Ciss充电和放电。输入电容Ciss包括栅——源之间的电容CGS和栅——漏之间的电容CGD。 MOSFET和 IGBT的开通和关断实质上是对其输入电容的充放电过程,栅极电压VGS的上升时间tr和下降时间tf决定输入回路的时间常数,即:tr(或tf)=2.2RCiss ,式中R是输入回路电阻,其中包括驱动电源的内阻Ri。从上式中可以知道驱动电源的内阻越小,驱动速度越快。
(2)驱动电路延迟时间要小??仄德试礁?,延迟时间要越小。
(3)大功率IGBT在关断时,有时须加反向电压,以防止受到干扰时误开通。
(4)驱动信号有时要求电气隔离。
以PWM DC-DC全桥变换器为例,其同一桥臂的两只开关管的驱动信号S上和S下相差1800,是刚好相反的,即一只开关管开通,另一只开关管要关断,或者同时关断。其中,两只上臂的开关管之间和下臂的开关管必须隔离。对于中小功率的驱动电路,用脉冲变压器的方法实现隔离最为简单,而在大功率的应用场合,则要使用集成驱动器驱动。
2 适用于中、小功率情况下的驱动电路
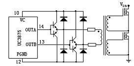
在驱动小功率的MOSFET和IGBT时,如果控制芯片的驱动信号是图腾柱输出方式,且可提供一定的驱动电流,那么可以直接由控制芯片来驱动变压器,如图1所示:
图1 用芯片直接驱动电路示意图
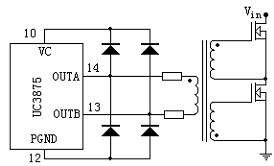
图中,UC3875提供了四个输出电流峰值为2A的图腾柱输出极,由于它们直接驱动的是变压器,必须给每个输出端与电源和地线之间接一个肖特基二极管,以防止损坏输出端。变压器次级经过一个电阻后直接接到开关管的触发极,电阻的作用是抑制脉冲变压器的漏感和开关管的栅极电容引起的的震荡。但是要驱动功率较大的MOSFET和IGBT,上述控制芯片的驱动能力就显得不够了,此时可以将控制芯片的驱动信号加以推拉式功率放大,如图2所示:

图2 芯片后接功放的驱动电路示意图
适当选择三极管,就可以可靠地驱动功率开关管。
3 适用于大功率场合驱动电路方案
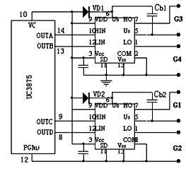
在大功率应用场合,由于上述驱动电路受驱动能力的限制,无法可靠地驱动大型MOSFET、IGBT。而集成驱动器的出现则很好地解决了这一问题。国内外已推出了多种具有?;すδ艿闹悄芮鳎缛毡静腅XB841、EXB850,国产的M57959和CWK等。它们具有许多优点,如电路参数一致性好、运行稳定可靠、具有多种?;すδ艿?。但它们最大的不足是需要单独的浮地电源,给系统带来了不便。最近IR公司推出了IR2110集成驱动器,它针对上述驱动器电源系统的不足,设置了自举浮动电源,只需一路电源即可实现隔离驱动。对半桥、全桥式电路特别适用。IR2110的功能框图如图3所示。

图3 IR2110功能框图
控制脉冲由Hin、Lin输入,与两路输出H0、L0同相对应分别用于驱动上端和下端的开关管。SD可用作?;ざ耍盨D为高电平时,两路输出同时截止。驱动器设有欠压?;?,如图3中VCC低于欠压给定值时,欠压检测电路产生一关断信号,以关闭两路输出。逻辑输入端设置了施密特触发电路,提供高的抗干扰能力和接受缓慢上升时间的输入信号。具有高抗干扰能力的VDD/VCC电平转换电路将逻辑信号转换成输出驱动。同时,在电源地(COM)和逻辑地(VSS)之间设有±5V的额定偏移量,这样使逻辑电路不会受到输出驱动开关感应噪声的影响。驱动器两通道均采用低跨导图腾柱输出,输出峰值电流达2A以上。用IR2110构成的全桥驱动电路如图4所示:

图4 IR2110应用于全桥电路图
图中充电二极管VD1、VD2的耐压值必须高于总线峰值电压,应采用功耗较小的快恢复整流二极管。自举电容Cb1、Cb2的选取取决于开关频率、负载周期及开关管栅极充电需要,应考虑如下几点:(1)PWM开关频率高,电容值应选小。
(2)对占空比调节较大的场合,特别是在高占空比时,电容要选小。否则,在有限的时间内无法达到自举电压。
(3)尽量使自举上电回路不经大阻抗负载,否则电容得不到可靠的充电。
4 结语
针对不同的应用场合,合理选取驱动电路形式、正确选择工作参数是MOSFET与IGBT安全工作的关键,同时也是保证整机运行的一个重要环节。实践证明,在中、小功率场合采用驱动芯片直接驱动、大功率场合采用集成驱动器的方案切实可行,能够满足设备的一般驱动要求。
参考文献:
[1]黄俊,王兆安. 电力电子变流技术[M]. 北京:机械工业出版社,1993
[2]侯振义,王义明.高速MOSFET驱动电路设计考虑[L]. 全国电源技术年会论文集,1997
[3]Bill Reycak “Phase shifted zero-voltage transition design considerations and the UC3875 PWM controller” Unitrode application note




