【导读】PLC的输出电路形式一般分为:继电器输出,晶体管输出和晶闸管输出三种。弄清这三种输出形式的区别,对于PLC的硬件设计工作非常有必要。下面以三菱PLC为例,简要介绍一下这三种输出电路形式的区别和注意事项,其它公司的PLC输出电路形式也大同小异。
1、晶体管输出电路
晶体管输出电路形式相比于继电器输出响应快(一般在0.2ms以下),适用于要求快速响应的场合;由于晶体管是无机械触点,因此比继电器输出电路形式的寿命长。
晶体管输出型电路的外接电源只能是直接电源,这是其应用局限的一方面。另外,晶体管输出驱动能力要小于继电器输出,允许负载电压一般为DC5V~30V,允许负载电流为0.2A~0.5A。这两点的使用晶体管输出电路形式时要注意。
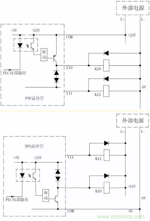
晶体管输出电路的形式主要有两种:NPN和PNP型集电极开路输出。如下图所示:

由以上两图可看出这两种晶体管输出电路形式的区别:NPN型集电极开路输出形式的公共端COM只能接外接电源的负极,而PNP型的COM端只能接外接电源的正极。
和继电器输出形式电路一样,在驱动感性负载时也要在负载两端反向并联二极管(二极管的阴极接电源的正极)防止过电压,?;LC的输出电路。
2、继电器输出电路
这是PLC输出电路常见的一种形式,其电路形式如下图所示。该种输出电路形式外接电源既可以是直流,也可以是交流。

图1继电器输出
PLC继电器输出电路形式允许负载一般是AC250V/50V以下,负载电流可达2A,容量可达80~100VA(电压×电流),因此,PLC的输出一般不宜直接驱动大电流负载(一般通过一个小负载来驱动大负载,如PLC的输出可以接一个电流比较小的中间继电器,再由中间继电器触点驱动大负载,如接触器线圈等)。
PLC继电器输出电路的形式继电器触点的使用寿命也有限制(一般数十万次左右,根据负载而定,如连接感性负载时的寿命要小于阻性负载)。此外,继电器输出的响应时间也比较慢(10ms)左右,因此,在要求快速响应的场合不适合使用此种类型的电路输出形式(可以根据场合使用下面介绍的两种输出形式)。
当连接感性负载时,为了延长继电器触点的使用寿命,对于外接直流电源时的情况,通常应在负载两端加过电压抑制二极管(如上图中并在外接继电器线圈上的二极管);对于交流负载,应在负载两端加RC抑制器。
3、双向
晶闸管输出电路双向晶闸管输出电路只能驱动交流负载,响应速度也比继电器输出电路形式要快,寿命要长。其电路形式如下图所示:

图4 双向晶闸管输出
双向晶闸管输出的驱动能力要比继电器输出的要小,允许负载电压一般为AC85~242V;单点输出电流为0.2A~0.5A,当多点共用公共端时,每点的输出电流应减?。ㄈ绲サ闱芰ξ?.3A的双向晶闸管输出,在4点共用公共端时,最大允许输出为0.8A/4点)。
注意
为了?;ぞд⒐?,通常在PLC内部电路晶闸管的两端并接RC阻容吸收元件(一般为0.015uF/22Ω左右)和压敏电阻,因此在晶闸管关断时,PLC的输出仍然有1~2mA的开路漏电流,这就可能导致一些小型继电器在PLC输出OFF时无法关断的情况。




