【导读】模拟带宽的重要性高于其他一切在越来越多的应用中得到体现。随着GSPS或RF ADC的出现,奈奎斯特域在短短几年内增长了10倍,达到多GHz范围。这帮助上述应用进一步拓宽了视野,但为了达到X波段(12 GHz频率),仍然需要更多带宽。
在信号链中运用采样保持放大器 (THA),可以从根本上扩展带宽,使其远远超出ADC采样带宽,满足苛刻高带宽的应用的需求。本文将证明,针对RF市场开发的最新转换器前增加一个THA,便可实现超过10 GHz带宽。
简介
GSPS转换器是当下热门,其优势在于既能缩短RF信号链,又能在FPGA中创建更多资源结构以供使用,例如:减少前端的下变频以及后级的数字下变频器 (DDC)。但相当多的应用仍然需要高频率的原始模拟带宽 (BW),其远远超出了RF转换器所能实现的水平。在此类应用中,特别是在国防与仪器仪表行业(无线基础设施也一样),仍然有将带宽完全扩展到10 GHz或以上的需求,覆盖范围超出C波段,越来越多的应用需要覆盖到X波段。随着高速ADC技术的进步,人们对GHz区域内高速精确地分辨超高中频 (IF) 的需求也在提高,基带奈奎斯特域已超过1 GHz并迅速攀升。这一说法到本文发表的时候可能即已过时,因为这方面的发展非常迅猛。
这带来了两大挑战:一个是转换器设计本身,另一个是将信号耦合到转换器的前端设计,例如放大器、巴伦和PCB设计。转换器性能越出色,就对前端信号质量要求更高。越来越多的应用要求使用分辨率在8到14位的高速GSPS转换器,然而前端的信号质量成为了瓶颈—系统的短板决定了整个项目的指标。
本文定义的宽带是指使用大于数百MHz的信号带宽,其频率范围为DC附近至5 GHz-10 GHz区域。本文将讨论宽带THA或有源采样网络的使用,目的是实现直至无穷大的带宽(抱歉,现在还没有玩具总动员表情符号可用),并着重介绍其背景理论,该理论支持扩展RF ADC的带宽,而RF ADC单凭自身可能没有此能力。最后,本文将说明一些考虑因素和优化技术,以帮助设计人员实现超宽带应用切实可行的宽带解决方案。
打好基础
对于雷达、仪器仪表和通信应用,高GSPS转换器应用得非常广泛,因为它能提供更宽的频谱以扩展系统频率范围。然而,更宽的频谱对ADC本身的内部采样保持器提出了更多挑战,因为它通常未针对超宽带操作进行优化,而且ADC一般带宽有限,在这些更高模拟带宽区域中其高频线性度/SFDR会下降。
因此,在ADC前面使用单独的THA来拓展模拟带宽成为了一个理想的解决方案,如此便可在某一精确时刻对频率非常高的模拟/RF输入信号进行采样。该过程通过一个低抖动采样器实现信号采样,并在更宽带宽范围内降低了ADC的动态线性度要求,因为采样率RF模数转换过程中保持不变。
这种方案带来的好处显而易见:模拟输入带宽从根本上得以扩展,高频线性度显著改善,并且与单独的RF ADC性能相比,THA-ADC组件的高频SNR得到改进。
THA特性及概述
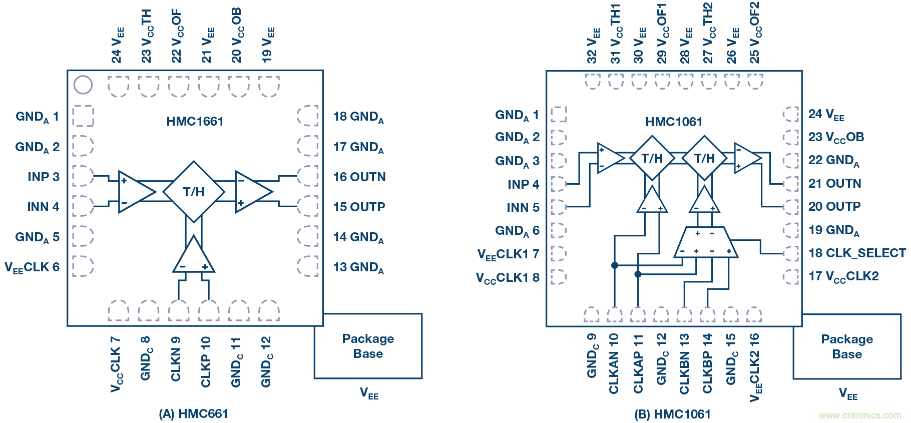
ADI的THA系列产品可以在18 GHz带宽范围内提供精密信号采样,在DC至超过10 GHz的输入频率范围内具有9到10位线性度、1.05 mV噪声和< 70 fs的随机孔径抖动性能。该器件可以4 GSPS工作,动态范围损失极小,具体型号包括HMC661 和 HMC1061。这些跟踪保持 放大器可用于扩展高速模数转换和信号采集系统的带宽和/或高频线性度。
以单级THA HMC661为例,产生的输出由两段组成。在输出波形(正差分时钟电压)的采样模式间隔中,器件成为一个单位增益放大器,在输入带宽和输出放大器带宽的约束下,它将输入信号复制到输出级。在正时钟到负时钟跃迁时,器件以非常窄的采样时间孔径对输入信号采样,并且在负时钟间隔内,将输出保持在一个相对恒定的代表采样时刻信号的值。配合ADC进行前端采样时,常常优先使用单级器件(ADI 同时法布里了两级THA 的型号HMC1061),原因是多数高速ADC已经在内部集成一个THA,其带宽通常要小得多。因此,在ADC之前增加一个THA便构成一个复合双级组件(或一个三级组件,如果使用的是双级HMC1061),THA在转换器前面。采用同等技术和设计时,单级器件的线性度和噪声性能通常优于双级器件,原因是单级器件的级数更少。所以,单级器件常常是配合高速ADC进行前端采样的最佳选择。

图1. 采样保持拓扑结构:(1a) 单列,(1b) 双列。
延迟映射THA和ADC
开发采样保持器和ADC信号链的最困难任务之一,是在THA捕获采样事件的时刻与应将其移到ADC上以对该事件重新采样的时刻之 间设置适当的时序延迟。设置两个高效采样系统之间的理想时间差的过程被称为延迟映射。
在电路板上完成该过程可能冗长乏味,因为纸面分析可能不会考虑PCB板上时钟走线传播间隔造成的相应延迟,内部器件组延迟,ADC孔径延迟,以及将时钟分为两个不同段所涉及到的相关电路(一条时钟走线用于THA,另一条时钟走线用于ADC)。设置THA和ADC之间延迟的一种方法是使用可变延迟线。这些器件可以是有源或无源的,目的是正确对准THA采样过程的时间并将其交给ADC进行采样。这保证了ADC对THA输出波形的稳定保持模式部分进行采样,从而准确表示输入信号。
如图2所示, HMC856 可用来启动该延迟。它是一款5位QFN封装,90 ps的固有延迟,步进为3 ps或25ps ,32位的高速延时器。它的缺点是要设定/遍历每个延迟设置。要使能新的延迟设置,HMC856上的每个位/引脚都需要拉至负电压。因此,通过焊接下拉电阻在32种组合中找到最佳延迟设置会是一项繁琐的任务,为了解决这个问题,ADI使用串行控制的SPST开关和板外微处理器来帮助更快完成延迟设置过程。

图2. 延迟映射电路。
为了获得最佳延迟设置,将一个信号施加于THA和ADC组合,该信号应在ADC带宽范围之外。本例中,我们选择一个约10 GHz的信号,并施加-6 dBFS的电平(在FFT显示屏上捕获)。延迟设置现在以二 进制步进方式扫描,信号的电平和频率保持恒定。在扫描过程中显示并捕获FFT,收集每个延迟设置对应的基波功率和无杂散动态范围 (SFDR) 数值。
结果如图3a所示,基波功率、SFDR和SNR将随所应用的每个设置而变化。如图所示,当把采样位置放在更好的地方(THA将样本送至ADC的过程之中)时,基波功率将处于最高水平,而SFDR应处于最佳性能(即最低)。图3b为延迟映射扫描的放大视图,延迟设定点为671,即延迟应该保持固定于此窗口/位置。请记住,延迟映射程序仅对系统的相关采样频率有效,如果设计需要不同的采样时钟,则需要重新扫描。本例中,采样频率为4 GHz,这是该信号链中使用的THA器件的最高采样频率。

图3a. 每个延迟设置上信号幅度和SFDR性能的映射结果。

图3b. 每个延迟设置上信号幅度和SFDR性能的映射结果(放大)。
针对大量原始模拟带宽的前端设计
首先,如果应用的关键目标是处理10 GHz的带宽,我们显然应考虑RF方式。请注意,ADC仍然是电压型器件,不会考虑功率。这种情况下,"匹配"这个词应该谨慎使用。我们发现,让一个转换器前端在每个频率都与100 MSPS转换器匹配几乎是不可能的;高频率带宽的RF ADC不会有太大的不同,但挑战依旧。术语"匹配"应表示在前端设计中能产生最佳结果的优化。这是一个无所不包的术语,其中,输入阻抗、交流性能 (SNR/SFDR)、信号驱动强度或输入驱动、带宽以及通带平坦度,这些指标都能产生该特定应用的最佳结果。
最终,这些参数共同定义了系统应用的匹配性能??伎泶岸松杓剖?,布局可能是关键,同时应当最大限度地减少器件数量,以降低两个相邻IC之间的损耗。为了达到最佳性能,这两方面均非常重要。将模拟输入网络连接在一起时务必小心。走线长度以及匹配是最重要的,还应尽量减少过孔数量,如图4所示。

图4. THA和ADC布局。
信号通过差分模式连接到THA输入(我们同时是也提供单端射频信号输入的参考设计链路),形成单一前端网络。为了最大限度地减少过孔数量和总长度,我们在这里特别小心,让过孔不经过这两条模拟输入路径,并且帮助抵消走线连接中的任何线脚。
最终的设计相当简单,只需要注意几点,如图5所示。所使用的0.01 F电容是宽带类型,有助于在较宽频率范围内保持阻抗平坦。典型的成品型0.1 F电容无法提供平坦的阻抗响应,通?;嵩谕ù教苟认煊χ幸鸾隙辔撇?。THA输出端和ADC输入端的5和10串联电阻,有助于减少THA输出的峰化,并最大限度地降低ADC自身内部采样电容网络的残余电荷注入造成的失真。然而,这些值需要谨慎地选择,否则会增加信号衰减并迫使THA提高驱动强度,或者设计可能无法利用ADC的全部量程。
最后讨论差分分流端接。当将两个或更多转换器连接在一起时,这点至关重要。通常,轻型负载(例如输入端有1 k负载)有助于保持线性并牵制混响频率。分流器的120 分流负载也有此作用,但会产生更多实际负载,本例中为50 ,这正是THA希望看到并进行优化的负载。

图5. THA和ADC前端网络及信号链。
现在看结果!检查图6中的信噪比或SNR,可以看出在15 GHz范围上可以实现8位的ENOB(有效位数)。这是相当不错的,想想对于相同性能的13 GHz示波器,您可能支付了12万美元。当频率向L、S、C和X波段移动时,集成带宽(即噪声)和抖动限制开始变得显著,因此我们看到性能出现滚降。
还应注意,为了保持THA和ADC之间的电平恒定,ADC的满量程输入通过SPI寄存器内部更改为1.0 V p-p。这有助于将THA保持在线性区域内,因为其最大输出为1.0 V p-p差分。

图6. –6 dBFS时的SNRFS/SFDR性能结果。
同时显示了线性度结果或SFRD。这里,到8 GHz为止的线性度超过50 dBc,到10 GHz为止的线性度超过40 dBc。为在如此宽的频率范围上达到最佳线性度,此处的设计利用 AD9689模拟输入缓冲电流设置特性进行了优化(通过SPI控制寄存器)。
图7显示了通带平坦度,证明在RF ADC之前增加一个THA可以实现 10 GHz的带宽,从而充分扩展AD9689的模拟带宽。

图7. THA和ADC网络及信号链—带宽结果。
结语
对于那些需要在多GHz模拟带宽上实现最佳性能的应用,THA几乎是必不可少的,至少目前是如此!RF ADC正在迅速赶上。很容易明白,在对较宽带宽进行采样以覆盖多个目标频带时,GSPS转换器在理论上具有易用性优势,可以消除前端RF带上的一个或多个向下混频级。但是,实现更高范围的带宽可能会带来设计挑战和维护问题。
在系统中使用THA时,应确保采样点的位置在THA和ADC之间进行了优化。使用本文所述的延迟映射程序将产生总体上最佳的性能结果。了解程序是乏味的,但是非常重要。最后应记住,匹配前端实际上意味在应用的给定一组性能需求下实现最佳性能。在X波段频率进行采样时,乐高式方法(简单地将50 阻抗??榱釉谝黄穑┛赡懿皇亲詈玫姆椒ā?br />
推荐阅读:
解决电力不足的方法--超级电容
用于高性能、成本敏感型应用的低侧电流感
村田新增引线型片状多层陶瓷电容器
揭秘电容器的基本特性与十大电容优缺点
详细解析电流采样电路的设计
推荐阅读:
解决电力不足的方法--超级电容
用于高性能、成本敏感型应用的低侧电流感
村田新增引线型片状多层陶瓷电容器
揭秘电容器的基本特性与十大电容优缺点
详细解析电流采样电路的设计




